QQ登录

只需一步,快速开始

登录 | 注册 | 找回密码

三维网

 找回密码
 注册

QQ登录

只需一步,快速开始

展开

通知     

查看: 1983|回复: 5
收起左侧

[已答复] 4WRTE比例阀放大版的

[复制链接]
发表于 2011-1-10 16:52:21 | 显示全部楼层 |阅读模式 来自: 中国河北秦皇岛

马上注册,结识高手,享用更多资源,轻松玩转三维网社区。

您需要 登录 才可以下载或查看,没有帐号?注册

x

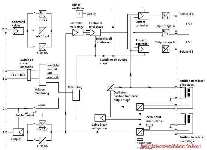
4WRTE电路图

4WRTE电路图
5 V! w7 n2 l/ u0 M8 i: D  e
这是我从4WRTE比例阀样本上摘下来的图,应该是放大板的电路示意图,哪位大侠能告诉我这个图中的各个部分都是什么作用啊?我是搞液压的,电气方面不是很在行,想学习一下。
发表于 2013-2-1 16:33:08 | 显示全部楼层 来自: 中国山东滨州
这个顶一下,希望有前辈可以讲解一下,或者给点相关资料。谢谢!
发表于 2013-2-1 16:43:50 | 显示全部楼层 来自: 中国湖北咸宁
这个要顶
) r/ A/ m# u5 y5 R
( S. c: u3 t5 n' i& E学习
发表于 2013-4-11 15:29:25 | 显示全部楼层 来自: 中国湖北武汉
自流井 发表于 2013-2-1 16:43 static/image/common/back.gif' [3 x, O* W( S: N. F% t2 R
这个要顶
5 c# |* y; ]) k0 B8 g+ A
( {& H. `' }& e学习

  t$ }4 e! T" r) Y* t5 FDE接控制信号+-10V或4-20mA,AB接电源24VDC的+-极,CF通过一个开关使能。

评分

参与人数 1三维币 +3 收起 理由
洪哥 + 3 感谢帮助!

查看全部评分

发表于 2013-4-11 16:21:57 | 显示全部楼层 来自: 中国北京
C是开关使能,也就是C这个信号有了,才允许比例阀工作,F是反馈信号是阀芯里面位移传感器反馈回来的新号,其余的和楼上说的一样。

评分

参与人数 1三维币 +3 收起 理由
洪哥 + 3 感谢帮助!

查看全部评分

发表于 2013-6-5 18:55:12 | 显示全部楼层 来自: 中国广东广州
fclong 发表于 2013-4-11 16:21 static/image/common/back.gif
- H0 k2 ~- L, L$ t" L7 E7 P( L# JC是开关使能,也就是C这个信号有了,才允许比例阀工作,F是反馈信号是阀芯里面位移传感器反馈回来的新号,其 ...
( _9 ?& O  q/ j  S- R1 S9 h& n
同意~~f是反馈信号的输出,此比例放大器是带检测传感器的
发表回复
您需要登录后才可以回帖 登录 | 注册

本版积分规则


Licensed Copyright © 2016-2020 http://www.3dportal.cn/ All Rights Reserved 京 ICP备13008828号

小黑屋|手机版|Archiver|三维网 ( 京ICP备2023026364号-1 )

快速回复 返回顶部 返回列表