QQ登录

只需一步,快速开始

登录 | 注册 | 找回密码

三维网

 找回密码
 注册

QQ登录

只需一步,快速开始

展开

通知     

查看: 2472|回复: 6
收起左侧

[讨论] 负载敏感阀前补偿多路阀与何种变量方式的柱塞泵配合使用

[复制链接]
发表于 2011-1-17 16:06:49 | 显示全部楼层 |阅读模式 来自: 英国

马上注册,结识高手,享用更多资源,轻松玩转三维网社区。

您需要 登录 才可以下载或查看,没有帐号?注册

x
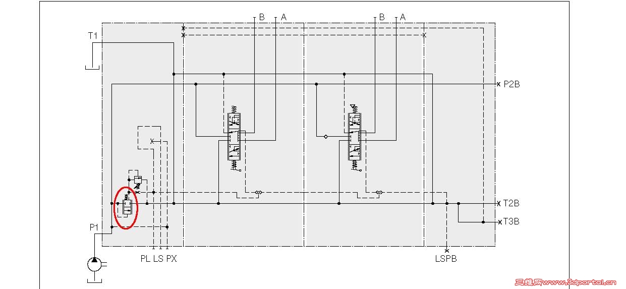
REV01-08.jpg
: K1 b0 x3 P+ A* B5 c如图所示的负载敏感阀前压力补偿多路阀的系统图,与之匹配的泵(图中红线圈起)一般都画的比较简单,那么这种柱塞泵是哪种变量控制的呢?是http://www.3dportal.cn/discuz/viewthread.php?tid=905642&extra=page%3D1中楼主发的负载敏感压力补偿变量柱塞泵么?如果是这种泵,那么泵上的压力补偿器是否和我发的图中的阀里的补偿器作用重复了呢?或者是可以配合其他的柱塞泵变量方式使用?那么配合不同的变量方式,是否有不同的适用场合?请各位高人指点探讨
 楼主| 发表于 2011-1-19 09:00:10 | 显示全部楼层 来自: 英国
我觉得应该是用负载敏感压力补偿变量柱塞泵,不知道大家有什么看法,用别的泵可以么
发表于 2011-1-19 21:33:46 | 显示全部楼层 来自: 中国辽宁大连
可以配定量泵,也可以配负载敏感泵,但是要加定量泵之前应该加一个三通流量补偿器
 楼主| 发表于 2011-1-20 08:48:40 | 显示全部楼层 来自: 英国
楼上指的是这种系统里的旁通阀吧 定量泵.jpg
发表于 2011-7-17 22:56:19 | 显示全部楼层 来自: 中国广东揭阳
应该就是,我认为楼上说的对
发表于 2011-7-19 15:43:29 | 显示全部楼层 来自: 中国山西晋中
当然是和负载敏感泵配套使用,把梭阀回路选择回来的最高压力接到泵的控制口上。
发表于 2011-7-22 18:15:43 | 显示全部楼层 来自: 中国上海
(1)链接中的变量泵是力士乐DFR型变量泵。按楼主简化的负载敏感多路阀原理来看,应该能与之配合使用
" q, K; |! U4 l- w$ E& x(2)如果多路阀各路换向阀不同时工作,那么多路阀中的补偿阀是多余的;如果多路阀各路换向阀需要同时
, a* {, R/ y! p$ I/ N* T/ X    工作且需要互不影响,那么多路阀中的补偿阀是必须的
发表回复
您需要登录后才可以回帖 登录 | 注册

本版积分规则


Licensed Copyright © 2016-2020 http://www.3dportal.cn/ All Rights Reserved 京 ICP备13008828号

小黑屋|手机版|Archiver|三维网 ( 京ICP备2023026364号-1 )

快速回复 返回顶部 返回列表