QQ登录

只需一步,快速开始

登录 | 注册 | 找回密码

三维网

 找回密码
 注册

QQ登录

只需一步,快速开始

展开

通知     

查看: 2611|回复: 13
收起左侧

[讨论] 力士乐LUDV阀组行走片的并联节流起什么作用?

[复制链接]
发表于 2011-1-20 16:26:32 | 显示全部楼层 |阅读模式 来自: 美国

马上注册,结识高手,享用更多资源,轻松玩转三维网社区。

您需要 登录 才可以下载或查看,没有帐号?注册

x
Rexroth SX12外形图.zip (147.59 KB, 下载次数: 26)
 楼主| 发表于 2011-1-20 16:29:56 | 显示全部楼层 来自: 美国
压缩包内是CAD格式,不知为什么传不上来jpg。是两个行走片补偿后的并连节流。
发表于 2011-1-20 20:56:18 | 显示全部楼层 来自: 中国广西柳州
防止直线行走跑偏

评分

参与人数 1三维币 +1 收起 理由
自流井 + 1 技术讨论

查看全部评分

 楼主| 发表于 2011-1-21 08:18:10 | 显示全部楼层 来自: 美国
楼上说的很对,力士乐的介绍里也说“通过左右行走回路间的旁通阻尼孔进行平衡(补偿不同的马达渗漏量、机
7 J! {  I- h3 v+ V1 _械加工误差和控制误差引起的流量差)”。+ b7 m) w4 B# B8 E' p! l; P- h  w
但具体是如何实现的,请分析一下。

评分

参与人数 1三维币 +3 收起 理由
自流井 + 3 原创内容

查看全部评分

发表于 2011-1-21 08:21:50 | 显示全部楼层 来自: 中国江苏南通
此种防偏方法是可行的
. a4 ?! P: F& Q! q/ W4 s6 h/ N
力士乐的产品不错

评分

参与人数 1三维币 +3 收起 理由
9619 + 3 技术讨论

查看全部评分

 楼主| 发表于 2011-1-21 09:04:22 | 显示全部楼层 来自: 美国
我现在的理解是:此节流孔与中挖的负流量系统和小挖的3泵开心系统的TS阀功能并不一样,TS阀是在行走+工作复合运动时使原本的2泵独立供2马达切换为1泵供2马达、1泵供工作油缸(KMX15阀 20T)或2泵仍独立供2马达、第3泵供工作油缸(BCV65阀 6T)。当仅直行时两片阀杆行程一样,2泵是各自独立将额定流量供2马达的,即使两马达负载不同,速度也相同(忽略不同压力下泵马达的容积效率)。当一个马达泄漏大时无法保证直行。
3 i9 V) {$ W% W5 U" T( T而LUDV阀原本是单泵供油每片各自节流、补偿的,直行时两片阀杆行程一样、流量也一样,同样能实现两马达负载不同,速度也相同(LUDV流量分配与负载压力无关)。同样当一个马达泄漏大时无法保证直行。
6 F7 W8 c0 G/ b现在LUDV加上了行走回路间的旁通阻尼孔说是补偿马达泄漏。那么如果泄漏大的恰好是高负载马达,低压马达油路如何通过节流孔往高压马达油路补油以保证直行呢?
0 R1 X* _/ ?5 m- @期望大家点拨解惑,谢谢!

评分

参与人数 1三维币 +2 收起 理由
9619 + 2 回应自己的议题

查看全部评分

发表于 2011-1-21 09:17:59 | 显示全部楼层 来自: 英国
本帖最后由 icebox 于 2011-1-21 09:20 编辑 ( B, W# U* O1 d  v6 g( N. I

2 Z+ P: @; t% ?: ^) d. W帮楼主贴张图上来,应该指的就是图中红圈里的节流孔吧,楼主的问题提的非常好,一个系统的亮点往往就体现在这些小细节上,如果这个纠偏是为了纠正制造误差带来的偏差,那么主要是针对哪种制造误差呢?我觉得两个行走马达的进油通过节流连在一起,可以使进入马达的流量保持一致,那么如果本身由于行走马达的制造误差导致两个马达的排量不一样,是否就不起到纠偏的作用了呢?
% k9 i$ j: o9 p8 f" a% J rr.jpg

评分

参与人数 1三维币 +4 收起 理由
9619 + 4 技术讨论

查看全部评分

 楼主| 发表于 2011-1-21 10:16:53 | 显示全部楼层 来自: 美国
本帖最后由 bj-123 于 2011-1-21 10:23 编辑 ! O! A* A9 f6 w! c

! f+ x9 D* K8 k; V* @4 Z为什么我不能贴图,总显示“无效的图片文件”。jpg,gif都不行。可txt,zip附件就可以。
发表于 2011-1-21 15:33:47 | 显示全部楼层 来自: 英国
设置一下IE  k" ~) M5 @  z( {, s3 `- @
INTERNET选项-安全-自定义级别-将文件上载到服务器时包含本地目录路径-启用
- }$ F# r  L9 I9 Z! @: e+ u, R应该就OK了

评分

参与人数 1三维币 +3 收起 理由
9619 + 3 有效应助

查看全部评分

发表于 2011-1-22 20:40:07 | 显示全部楼层 来自: 中国山东青岛
本帖最后由 hkjdtz 于 2011-1-24 20:05 编辑 ; n4 C* p' \) [  P8 g; `0 P

. I; H8 T% a0 b8 D0 B: F5 w6 k) G大家知道KPM及KPB用是双泵,一个泵供一个马达,保证直线行走, 效果非常好。 他们这种系统有两个地方存在制造误差,泵上有,马达还有, 可是这样两个误差加起来都有事,且效果比力士乐的走得直,所以楼上有些人所说的是马达排量制造是绝对不合理的。
" |/ T4 i) h6 I8 x7 S! ?    其问题正好是在阀上,其阀不能很好的保证进左右马达油液大体一致,如没有这个节流孔,10台里面会有几台走偏,要通过手工调阀来解决。 这样显然是不实际的,批量生产是不充许的。  注:力士乐只有小挖有大批量使用,对于M7阀没有行走机械上大批量使用,所以不会显示出这个要求,偏还是一样偏的。
1 a3 c8 P, k1 T6 I4 K. E8 Q- U6 H    针对这个批量生产会出现问题,力士乐在阀上加了一个节流孔,可以起到平衡的作用。  大家知道假如A侧流量较大,A侧行走会比较快,其压力A会比B侧略高一些。  如果加了平衡节流孔,AB两侧的压力会变得接近,由于在平地上行走AB两侧需要的驱动力其实非常之接近,这样虽然还是有点走偏,但是明显会好很多,基本在标准以内。  但如在路面不平时,你平衡节流孔显是不好的,做这个节流孔只是力士乐在逃避一些超出它能力的麻烦。  其实这样对客负不是最佳方案,楼上有人说力士乐这个系统好,我个人非常之不同意。$ F! @! I! k" K  U& l. P

. G" N& n1 O% P& C3 u4 k力士乐这个做法,是COPY日本小松。 但其实小松还是力士乐做得不如阀后补尝负荷感的鼻祖林德,因为只有Linde是无需做特别处理的。  其阀上好像做了非常特别的处理。 具体做法如何就不错而知了!4 \" f( T' X! {& g- O

( I% y2 T% A1 q6 I" J/ \$ y6 N" E4 z: S  i
      补充一点:现在马达技术,在一年之内两个马达效率差别不会太多的,平均性能是非常一致的。  楼上几位应该没有挖机厂呆过,挖机下线后,都会有内检,看是否走直,如果不直都会处理的。如果新车都因一个马达效率太差而走偏,哪就是直接换马达,是不会出厂的!   更不会有为了解决个别马达效率不高,而加平衡节流孔的? 如果你们挖机的设计人员,你会以这样一个理由要求力士乐解决吗? 我想李启兵大爷会骂你个狗血**的!

评分

参与人数 1三维币 +3 收起 理由
9619 + 3 技术讨论

查看全部评分

发表于 2011-1-22 21:46:51 | 显示全部楼层 来自: 中国天津
本帖最后由 icebox 于 2011-1-22 22:03 编辑
, b' j% h  P: e! ?3 C/ p0 c3 b8 q. P6 y9 |  c
“A侧流量较大,A侧行走会比较快,其压力会B侧略高一些。  如果加了平衡节流孔,AB两侧的压力会变得接近”/ b  R( ^2 N- b5 y' i; d0 I
如您所说,A侧流量大时,为何B侧压力略高呢?0 W- S! q3 L& N& L; D  m
“其问题正好是在阀上,其阀不能很好的保证进左右马达油液大体一致”
# t% H% a7 N+ \# i+ Z: [另外这句话是否可以理解为由于A、B片的压力补偿器调定压力的偏差造成的流量不一致呢?因为如果压力补偿一致,通过节流口的流量值只跟开口大小有关,如果开口一样,那么只能是补偿器的压力调定出现误差了,不知道我理解的对不对

评分

参与人数 1三维币 +3 收起 理由
9619 + 3 技术讨论

查看全部评分

发表于 2011-1-23 19:09:04 | 显示全部楼层 来自: 中国河南新乡
为什么我不能贴图,总显示“无效的图片文件”。jpg,gif都不行。可txt,zip附件就可以。7 R7 G4 M+ f3 j) G$ a0 s
bj-123 发表于 2011-1-21 10:16 http://www.3dportal.cn/discuz/images/common/back.gif
4 S8 a$ z2 |, |( Y
看看这个帖子:
( i' j6 K( c% t5 H. rhttp://www.3dportal.cn/discuz/viewthread.php?tid=692149&highlight=IE8
 楼主| 发表于 2011-1-24 09:28:35 | 显示全部楼层 来自: 美国
首先感谢楼上的兄弟教我如何贴图,果然是IE8的设置问题。; x! O4 E: p$ ^; n7 ~9 T
其次我也不认为力士乐的此种结构是个完美的解决方案。即使有作用局限性也很大。
8 a3 f6 m6 t0 I9 h* X9 f; S第三,请注意看我的帖子“通过左右行走回路间的旁通阻尼孔进行平衡(补偿不同的马达渗漏量、机械加工误差和控制误差引起的流量差)”这句话我是加了引号的。因为这并不是我的推断,我来请教问题是不会提前妄下结论的。这句话恰恰是力士乐自己说的。虽然不见得是李启兵说的:)
1 q. d3 k. f- \  Q7 X4 ^ 未命名.jpg
' R9 O) M7 H. t. ^; k% F最后致hkjdtz兄,在论坛里看了你很多帖子,获益良多。以后务必多多联系,有很多挖机问题请教。另外2008Bauma上咱们有过一面之缘,当时你说话挺和气耐心的,怎么论坛上的你说话总是这么冲啊!呵呵。

评分

参与人数 1三维币 +3 收起 理由
9619 + 3 技术讨论

查看全部评分

 楼主| 发表于 2011-1-24 10:16:19 | 显示全部楼层 来自: 美国
我现在的理解(还是按力士乐自己说的弥补马达泄漏去想的,不一定对,大家多多拍砖)$ w: ?3 e; M1 n: ^' j' M- I
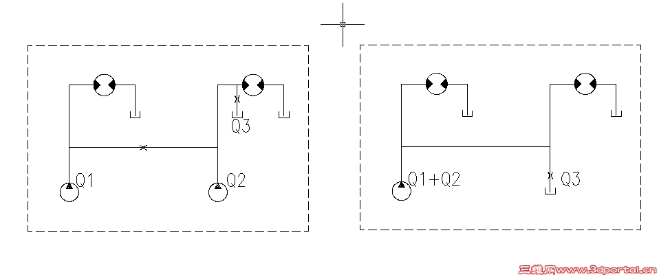
流量纠偏只发生在两行走片压力相同情况下,由于旁通节流在补偿阀之后且直行时两阀片开度一致使流量一致,所以我用两个规格相同的定量泵代替Q1=Q2。当马达无泄漏时旁通油路没有流量。 1.jpg
5 p9 g& C& W2 \% \- `7 c8 w当一马达泄漏时如左图,由于右路损失了泄漏油Q3会导致跑偏。以前曾在JXCAD曾看到有大侠说当流量纠偏时旁通路其实是不起节流作用的(收藏了该帖子可再看时却已被删除了)。如果没有节流我简化成右图,两泵相当于合流供两马达,此时总流量会减去泄漏量Q3再平均分配(两马达压力相等)均为(Q1+Q2-Q3)/2。那么通过旁通节流孔的流量会很小,只相当于泄漏量的一半。也许这就是不起节流作用的原因。
7 ]) B$ `8 O; o加节流孔的原因只是避免两马达负载压力不同的情况下的大流量窜油(油向低负载流动)。
+ j' q2 ?  x' J( p+ o% i& ~如果是这样,此方法会有局限性。可能这也是不管是SX12,SX14还是M7-22样本中都对此功能只字未提的原因吧。
发表回复
您需要登录后才可以回帖 登录 | 注册

本版积分规则


Licensed Copyright © 2016-2020 http://www.3dportal.cn/ All Rights Reserved 京 ICP备13008828号

小黑屋|手机版|Archiver|三维网 ( 京ICP备2023026364号-1 )

快速回复 返回顶部 返回列表