QQ登录

只需一步,快速开始

登录 | 注册 | 找回密码

三维网

 找回密码
 注册

QQ登录

只需一步,快速开始

展开

通知     

查看: 1418|回复: 1
收起左侧

[讨论] 关于“挖掘机液压系统原理学习(6吨,8吨系统)”的问题

[复制链接]
发表于 2011-2-12 15:48:49 | 显示全部楼层 |阅读模式 来自: 美国

马上注册,结识高手,享用更多资源,轻松玩转三维网社区。

您需要 登录 才可以下载或查看,没有帐号?注册

x
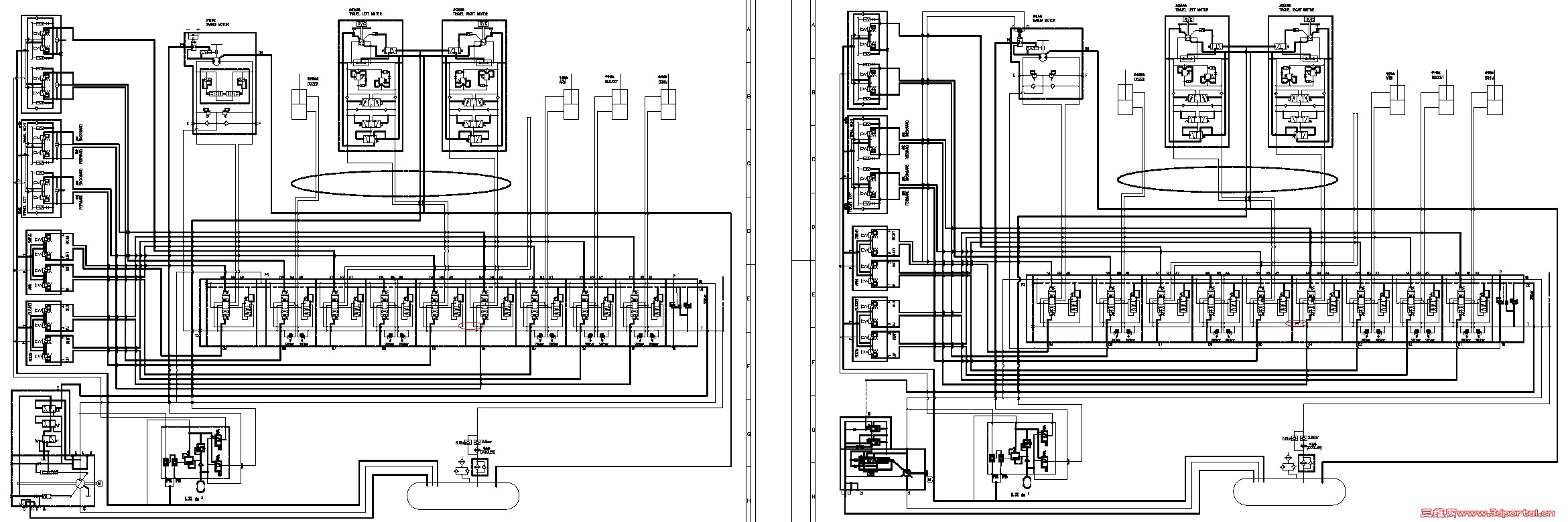
首先感谢qmjvip 上传资料。原帖连接:http://www.3dportal.cn/discuz/viewthread.php?tid=712360&extra=page%3D25 Q3 O1 e. Q4 t3 ]: _& m
可惜回帖大多数是感谢,没有分析讨论。6 y+ B# o( h$ i& c2 E% Y
对比了6T,8T两个系统,发现除了泵和回转马达外几乎一样,但主控阀有一个小区别——行走片的旁通节流。SX12有而SX14没有。为方便讨论,贴张图片(红圈部分)。* x8 C9 ~& J- f) w5 N
8t sx14 Modl.jpg " v: `& o- ~6 x6 I% t7 i
请问这是画图失误还是实际情况?旁通节流的作用我曾发帖询问过。连接:http://www.3dportal.cn/discuz/viewthread.php?tid=1004014
发表于 2011-2-12 15:55:04 | 显示全部楼层 来自: 英国
楼主看的确实很仔细,做工程就需要这种“斤斤计较”的精神
/ A9 a! B2 |* t0 s+ ?1 c* }5 t: ?! o跟楼主共同等待高手的指点
发表回复
您需要登录后才可以回帖 登录 | 注册

本版积分规则


Licensed Copyright © 2016-2020 http://www.3dportal.cn/ All Rights Reserved 京 ICP备13008828号

小黑屋|手机版|Archiver|三维网 ( 京ICP备2023026364号-1 )

快速回复 返回顶部 返回列表