QQ登录

只需一步,快速开始

登录 | 注册 | 找回密码

三维网

 找回密码
 注册

QQ登录

只需一步,快速开始

展开

通知     

goto3d 说: 在线网校重磅上线MC2022&Inventor2022全新课程,虞为民老师、大表哥同事精彩讲解,快去围观!
2021-06-25
查看: 1322|回复: 2
收起左侧

[已解决] 修饰螺纹的显示问题

[复制链接]
发表于 2011-2-15 15:14:22 | 显示全部楼层 |阅读模式 来自: 中国广东深圳

马上注册,结识高手,享用更多资源,轻松玩转三维网社区。

您需要 登录 才可以下载或查看,没有帐号?注册

x
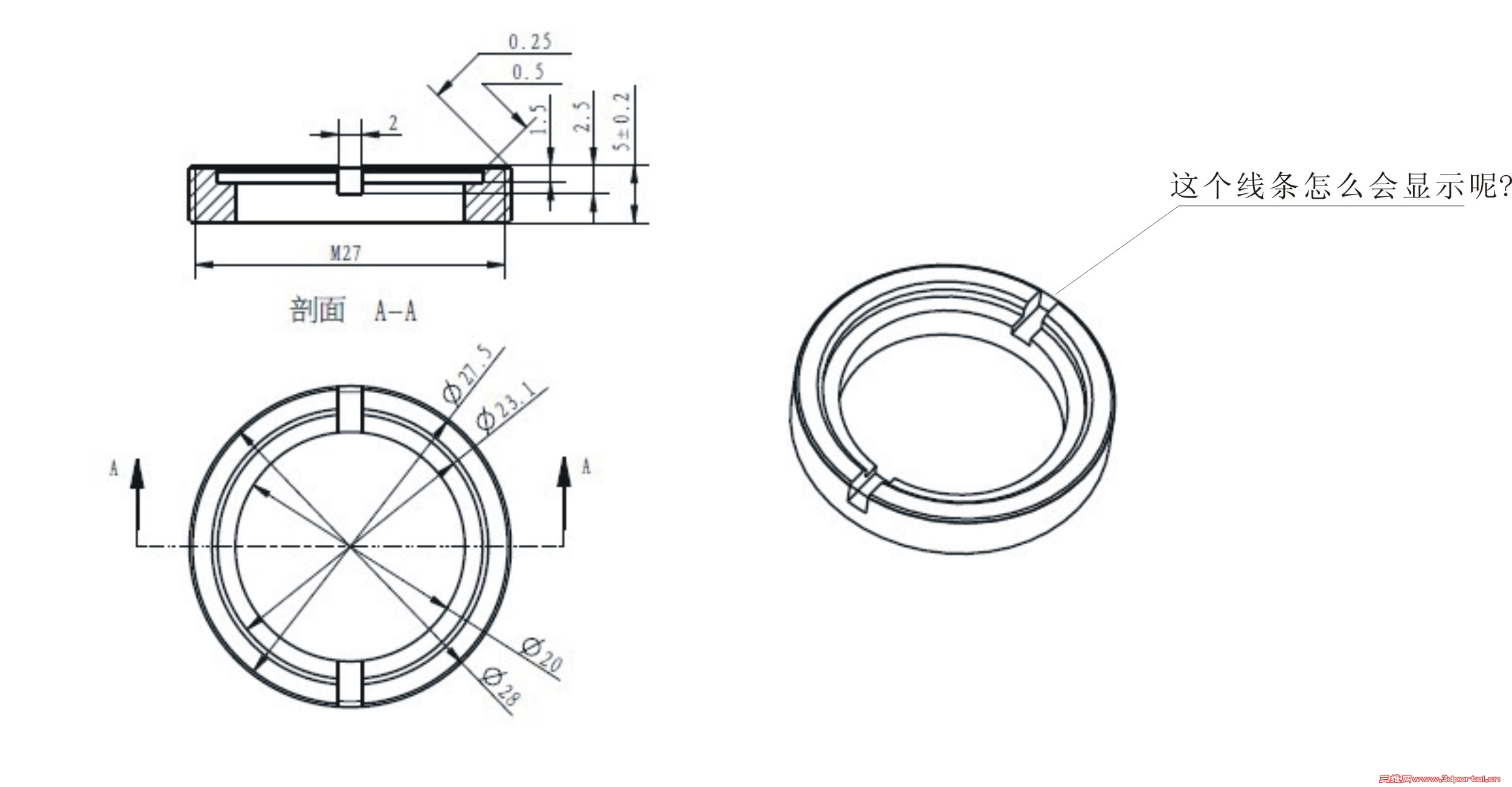
问题如图片所示: i' a2 Y& @8 y' W$ P: @' I! H
谢谢
图形1.jpg
发表于 2011-2-15 16:17:03 | 显示全部楼层 来自: 中国辽宁大连
使用显示/拭除对话框,将此视图的螺纹拭除掉即可

评分

参与人数 1三维币 +2 收起 理由
kevin_pcac + 2 技术讨论

查看全部评分

 楼主| 发表于 2011-2-18 12:19:13 | 显示全部楼层 来自: 中国广东深圳
谢谢楼上的指点
发表回复
您需要登录后才可以回帖 登录 | 注册

本版积分规则


Licensed Copyright © 2016-2020 http://www.3dportal.cn/ All Rights Reserved 京 ICP备13008828号

小黑屋|手机版|Archiver|三维网 ( 京ICP备2023026364号-1 )

快速回复 返回顶部 返回列表