QQ登录

只需一步,快速开始

登录 | 注册 | 找回密码

三维网

 找回密码
 注册

QQ登录

只需一步,快速开始

展开

通知     

查看: 1170|回复: 3
收起左侧

[求助] 叉车有问题,在线等

[复制链接]
发表于 2011-2-25 13:32:26 | 显示全部楼层 |阅读模式 来自: 中国上海

马上注册,结识高手,享用更多资源,轻松玩转三维网社区。

您需要 登录 才可以下载或查看,没有帐号?注册

x
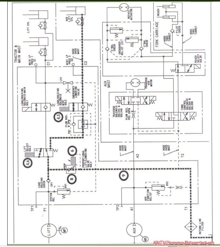
升上去停不住,降下有很困难,放下的话就要先放别的   是指要先做别的动作 然后再放下就可以
未命名.jpg
发表于 2011-2-25 15:06:24 | 显示全部楼层 来自: 英国
先放别的是指AUX LIFT CYL吗?
发表于 2011-2-27 16:20:06 | 显示全部楼层 来自: 中国辽宁本溪
考虑是4.5左侧的那个阀阀芯卡滞。
发表于 2011-2-28 09:51:40 | 显示全部楼层 来自: 中国辽宁大连
4.6是问题所在;4.5上方那个阀由于背压的原因打开,导致油缸停不住
发表回复
您需要登录后才可以回帖 登录 | 注册

本版积分规则


Licensed Copyright © 2016-2020 http://www.3dportal.cn/ All Rights Reserved 京 ICP备13008828号

小黑屋|手机版|Archiver|三维网 ( 京ICP备2023026364号-1 )

快速回复 返回顶部 返回列表