QQ登录

只需一步,快速开始

登录 | 注册 | 找回密码

三维网

 找回密码
 注册

QQ登录

只需一步,快速开始

展开

通知     

全站
10天前
查看: 2323|回复: 12
收起左侧

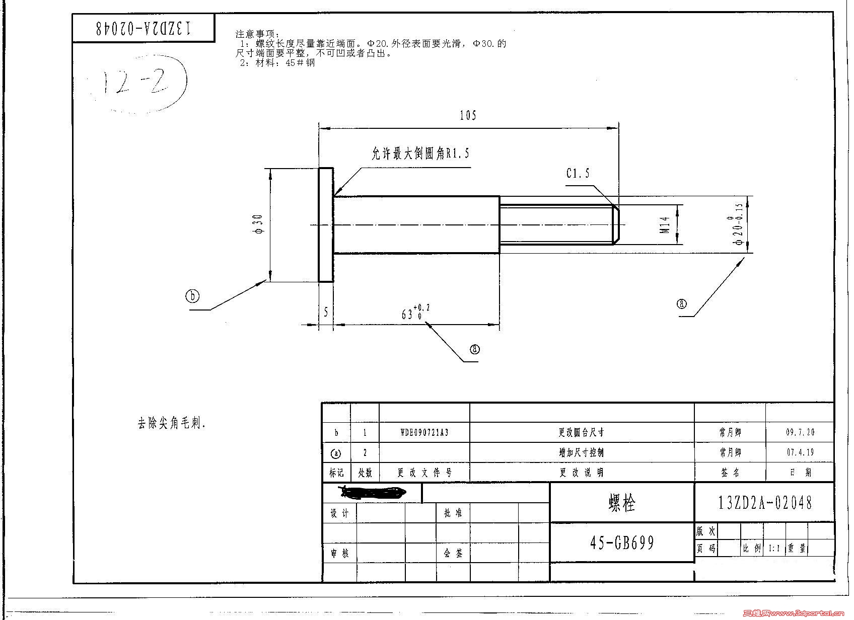
[求助] 螺栓用什么加工工艺效率比较高

[复制链接]
发表于 2011-2-28 23:08:21 | 显示全部楼层 |阅读模式 来自: 中国江苏苏州

马上注册,结识高手,享用更多资源,轻松玩转三维网社区。

您需要 登录 才可以下载或查看,没有帐号?注册

x
请教高手螺栓用什么加工工艺效率比较高,车床好像比较慢。
螺栓1.JPG
发表于 2011-3-1 07:50:35 | 显示全部楼层 来自: 中国山东烟台
滚丝机效率高
发表于 2011-3-1 08:46:43 | 显示全部楼层 来自: 中国湖南长沙
搓丝机效率也不错
发表于 2011-3-1 08:49:13 | 显示全部楼层 来自: 中国香港
冷敦加挫丝,这是标准件厂的工艺,我想这个是目前效率比较高的工艺了
发表于 2011-3-1 09:05:09 | 显示全部楼层 来自: 中国台湾
这种问题,最好说说您的加工量??
发表于 2011-3-3 20:23:02 | 显示全部楼层 来自: 中国浙江温州
就双击机先冷镦毛坯,再车头部外圆,车丝径,硬度要求高的,就热处理后再滚丝; n6 q2 i. X8 E( m5 ?, _2 A) a

' G* t! ~% c+ u如果是多功位机,直接缩杆,搓丝。。。。

评分

参与人数 1三维币 +2 收起 理由
渔樵 + 2 应助

查看全部评分

发表于 2011-3-9 17:49:30 | 显示全部楼层 来自: 中国江苏苏州
先车好,然后板牙装在尾座上面,套丝,割断就好
发表于 2011-3-10 16:13:38 | 显示全部楼层 来自: 中国浙江台州
冷墩毛坯至螺纹中径,在滚丝,如果是高强度螺栓,应在滚丝后热处理,提高滚丝轮寿命
发表于 2011-3-10 19:53:44 | 显示全部楼层 来自: 中国江苏无锡
这取决于螺丝的实际使用情况,如果20的外圆与螺丝同轴度要求不高的话可以考虑用搓丝机,如果要求较高的话,那就只能用车加工了
发表于 2011-3-10 19:54:32 | 显示全部楼层 来自: 中国辽宁沈阳
按照楼主的图纸看,还是上车床更实际一点。
发表于 2011-3-11 17:12:44 | 显示全部楼层 来自: 中国山西
你这个只有车了
发表于 2011-3-12 09:46:09 | 显示全部楼层 来自: 中国湖北孝感
冷敦加挫丝,这是标准件厂的工艺,是目前效率比较高的工艺了,可以找标准件厂订做
发表于 2011-3-12 10:21:17 | 显示全部楼层 来自: 中国河北石家庄
肯定不是用车床挑的  呵呵
发表回复
您需要登录后才可以回帖 登录 | 注册

本版积分规则


Licensed Copyright © 2016-2020 http://www.3dportal.cn/ All Rights Reserved 京 ICP备13008828号

小黑屋|手机版|Archiver|三维网 ( 京ICP备2023026364号-1 )

快速回复 返回顶部 返回列表