QQ登录

只需一步,快速开始

登录 | 注册 | 找回密码

三维网

 找回密码
 注册

QQ登录

只需一步,快速开始

展开

通知     

查看: 3758|回复: 26
收起左侧

[求助] 提高液压缸的升降速度

[复制链接]
发表于 2011-3-2 11:40:03 | 显示全部楼层 |阅读模式 来自: 中国山东济南

马上注册,结识高手,享用更多资源,轻松玩转三维网社区。

您需要 登录 才可以下载或查看,没有帐号?注册

x
本帖最后由 chjq2008 于 2011-3-2 11:41 编辑
. u% S* n- @6 p9 g! ]" P
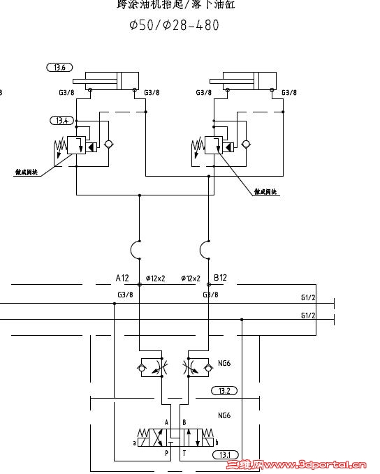
2 @) P% d; c& p' r. L现在的液压缸升降速度稍微有些慢,想把它的速度提高一些,系统的压力是15MPA,主管路是16的管子,分到油缸的管路是10(内径),如果仅仅将细的管路增加到14是否可以提高升降速度?有人说阀和油缸的内孔小改管路没有效果,请问各位如何解决最经济?
液压.jpg
液压2.JPG
发表于 2011-3-2 15:15:19 | 显示全部楼层 来自: 中国湖北武汉
调节流阀就可以了,管子没必要。
 楼主| 发表于 2011-3-2 15:37:06 | 显示全部楼层 来自: 中国山东济南
节流阀已经调整到最大了,因为如此,所以想换管子!
发表于 2011-3-2 15:52:54 | 显示全部楼层 来自: 中国辽宁鞍山
油缸提速按油泵的流量大小,想提速,要换油泵的流量加大。
发表于 2011-3-2 19:21:56 | 显示全部楼层 来自: 中国河北唐山
速度和流量以及液压缸的有效面积有关系,和油管直径没关系吧
发表于 2011-3-3 17:07:51 | 显示全部楼层 来自: 中国北京
不是换泵就是换缸,没其它途径
发表于 2011-3-3 19:03:34 | 显示全部楼层 来自: 中国广东广州
不是换泵就是换缸,没其它途径7 x: |/ x% k3 F* }& p( c! C
gxp1014 发表于 2011-3-3 17:07 http://www.3dportal.cn/discuz/images/common/back.gif

- M& Q$ k$ @' g# j+ H: }缸是根据负载选型的吧,换了怕不大好+ M7 T5 y2 ?# g& n
还是换换泵吧,加点流量
头像被屏蔽
发表于 2011-3-3 20:07:01 | 显示全部楼层 来自: 中国辽宁沈阳
提示: 作者被禁止或删除 内容自动屏蔽
发表于 2011-3-3 21:03:26 | 显示全部楼层 来自: 中国辽宁大连
搞个差动回路试一试???
发表于 2011-3-3 21:54:00 | 显示全部楼层 来自: 中国湖北武汉
主要还是要考虑泵的输出
发表于 2011-3-4 08:35:49 | 显示全部楼层 来自: 中国河南新乡
换泵加大流量
发表于 2011-3-4 10:44:09 | 显示全部楼层 来自: 中国山西太原
提高液压缸的升降速度,就要增大油液的流量,增大管径是起不到作用,在不更换油泵的情况下只会减小管中的流速。唯一的办法就是增大泵的流量,在泵的流量已达极限的情况下只有更换油泵。
发表于 2011-3-4 11:53:08 | 显示全部楼层 来自: 中国广东深圳
不错,收藏之
发表于 2011-3-4 11:59:20 | 显示全部楼层 来自: 中国辽宁鞍山
改成差动连
发表于 2011-3-5 11:46:33 | 显示全部楼层 来自: 中国湖北武汉
最经济的办法还是搞成差动连接,换泵的话有可能电机功率不够!不知道电机功率有的多大余量。
发表于 2011-3-5 12:34:42 | 显示全部楼层 来自: 中国浙江宁波
主要是加大泵流量,其余的效果不大
发表于 2011-3-5 20:18:49 | 显示全部楼层 来自: 中国江苏无锡
你得看他之前的设计,以及你想加快多少?加得太多,要注意你冷却回路的配置.发热必须严格控制
 楼主| 发表于 2011-3-8 07:48:43 | 显示全部楼层 来自: 中国山东济南
实在不行我就改成气动的
 楼主| 发表于 2011-3-10 16:31:22 | 显示全部楼层 来自: 中国山东济南
我的泵的流量45L/min(变量叶片泵),但是另一台设备才40.速度也比这个快(泵是变量柱塞泵),是不是流量都在液压站溢流没了?
发表于 2011-3-10 18:59:58 | 显示全部楼层 来自: 中国内蒙古呼和浩特
根据你的系统原理图来看,如果将节流阀全部调制最大都没有增加油缸速度的话,那么肯定原因肯定是通往油缸的流量小的原因。系统的压力是由负载决定的,你的溢流阀如果压力调小,则油缸不会动,流量全部溢流回油箱;如果溢流阀压力调大,那么泵出口的压力基本还是由负载决定的,泵的流量则几乎全部供往油缸,直到负载的压力达到溢流阀调定力,则多于流量溢流回油箱。' O! ^1 V0 ]: g7 W% u
因此说,如果节流阀全开,并且你的阀通经符合流量要求,且管路按照计算选定,那么你可以考虑增加溢流阀的调定压力试试。
发表于 2011-3-10 20:05:58 | 显示全部楼层 来自: 中国江苏无锡
先调节溢流阀的压力,看看速度是不是有变化
0 {" C0 D7 r1 X2 g. ~: s) G9 ~如果另外一套系统的速度快,检查下阀块是不是有泄漏,还有就是电磁阀的启闭是不是已经完全到位!
发表于 2011-3-10 20:51:07 | 显示全部楼层 来自: 中国浙江杭州
19# chjq2008
( ^6 o5 c2 H% Q3 E0 n2 y6 w+ Q
% x3 `& a- a6 h" k& @1.根据泵的流量及油缸的移动速度,计算一下油管内油的流速是否到极限,如果是的话,可以考虑加粗油管。
. M- S8 a* e6 F0 `3 t" T2.是不是结构部分运动不灵活,造成油缸工作压力升高,泵流量变小了?
发表于 2011-3-10 22:17:09 | 显示全部楼层 来自: 中国重庆
看完全部回答!我学习中.
 楼主| 发表于 2011-3-11 16:44:45 | 显示全部楼层 来自: 中国山东济南
22# xftqb 各个部位的关节很灵活,两个40缸径的油缸支撑一个100Kg的重物很EASY!现在我就想确定:增加管路能否增加油缸的速度!
发表于 2011-3-17 21:06:03 | 显示全部楼层 来自: 中国浙江台州
如果你的系统不止这一个执行机构的话  可以增大油路管径 提高速度
发表回复
您需要登录后才可以回帖 登录 | 注册

本版积分规则


Licensed Copyright © 2016-2020 http://www.3dportal.cn/ All Rights Reserved 京 ICP备13008828号

小黑屋|手机版|Archiver|三维网 ( 京ICP备2023026364号-1 )

快速回复 返回顶部 返回列表