QQ登录

只需一步,快速开始

登录 | 注册 | 找回密码

三维网

 找回密码
 注册

QQ登录

只需一步,快速开始

展开

通知     

goto3d 说: 在线网校重磅上线MC2022&Inventor2022全新课程,虞为民老师、大表哥同事精彩讲解,快去围观!
2021-06-25
查看: 7870|回复: 20
收起左侧

[求助] 这个压扁的管子怎么画?

[复制链接]
发表于 2011-3-3 10:42:24 | 显示全部楼层 |阅读模式 来自: 中国江苏南京

马上注册,结识高手,享用更多资源,轻松玩转三维网社区。

您需要 登录 才可以下载或查看,没有帐号?注册

x
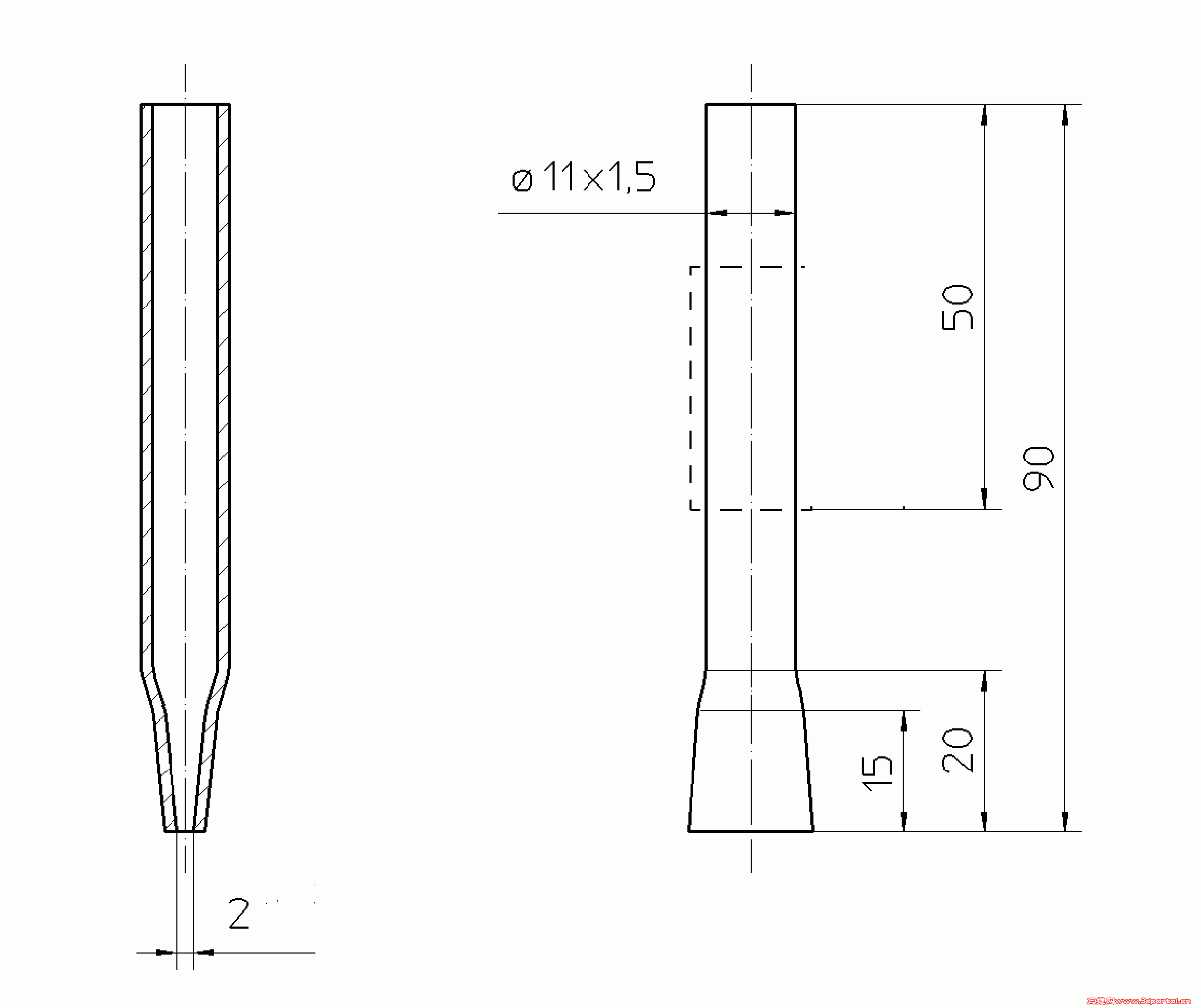
刚学Pro/E,目前在把一批二维图纸转成3D的零部件练手,遇到了一些难题,下面这个被压扁的管子就怎么也弄不出来,还请大家帮忙。7 K7 Y- K* P: A- V$ T+ d

4 [  ^' v' C- O; I& f- T 无标题.gif
+ q- o4 c# y' C2 h# A3 K
, y( s( D+ M1 b, R; M我目前尝试的办法是:先做出几个界面的形状然后混合成曲面之后再加厚1.5mm,但是在连接部位明显有问题,而且零部件看起来并不真实(不像一根管子被压扁的样子)1 y! U2 |" B9 q( W% E& [( m
7 v) Q+ ?  _) R; k& f2 ?2 B. h
我的做法.png
发表于 2011-3-3 11:19:29 | 显示全部楼层 来自: 中国湖南株洲
同楼上,持续关注中。
发表于 2011-3-3 11:41:35 | 显示全部楼层 来自: 中国广东深圳
希望高手指点,期待中!
 楼主| 发表于 2011-3-3 14:43:07 | 显示全部楼层 来自: 中国江苏南京
哪位可以指点一下么?提供个思路也可以。
发表于 2011-3-3 15:01:55 | 显示全部楼层 来自: 中国河北石家庄
期待高手出现~~~~~~~~~~~~
发表于 2011-3-3 18:53:45 | 显示全部楼层 来自: 中国贵州黔东南苗族侗族自治州
要不用曲面做
发表于 2011-3-3 20:19:03 | 显示全部楼层 来自: 中国江苏苏州
发表于 2011-3-3 20:47:42 | 显示全部楼层 来自: 中国山东潍坊
还真不会,期待答案出现。
发表于 2011-3-4 00:54:52 | 显示全部楼层 来自: 中国广东东莞
本帖最后由 ganyiwei 于 2011-3-4 00:59 编辑
; [9 d4 o. Z- o0 s) I9 Z! ?2 f( N" J9 i1 h3 ]
可以用曲面做 ,过渡地方设置相切条件嘛。. m) ]2 M. m/ d3 u
其实最好用周长控制做,参照论坛 那个接线端子做法就可以了。
1 W3 {: j8 D3 v. n" W5 R- j参照这个贴,
) E  |; E/ E* r' a+ j) T! rhttp://www.3dportal.cn/discuz/viewthread.php?tid=811514&highlight=%B6%CB%D7%D3

评分

参与人数 1三维币 +2 收起 理由
kevin_pcac + 2 技术讨论

查看全部评分

发表于 2011-3-4 06:41:26 | 显示全部楼层 来自: 中国江苏徐州
压扁的部分用混合,中级结合出倒圆角

评分

参与人数 1三维币 +2 收起 理由
kevin_pcac + 2 技术讨论

查看全部评分

发表于 2011-3-4 09:52:13 | 显示全部楼层 来自: 中国香港
用边界混合做曲面。
untitled.JPG

评分

参与人数 1三维币 +2 收起 理由
kevin_pcac + 2 技术讨论

查看全部评分

发表于 2011-3-4 09:55:16 | 显示全部楼层 来自: 中国香港
忘了3D图,4.0的。

11111.prt.rar

309.42 KB, 下载次数: 17

 楼主| 发表于 2011-3-4 09:55:24 | 显示全部楼层 来自: 中国江苏南京
用边界混合做曲面。0 g9 W8 N3 l% w/ x- \  z& s8 o' |+ \
nidezuiai 发表于 2011-3-4 09:52 http://www.3dportal.cn/discuz/images/common/back.gif
, ]$ V: w) x  b' M: K& J* h( O
2 \  w' A4 p2 m' q" t3 T" D7 d* {/ d
能放个斜45度的图么?我想看看管口部分
发表于 2011-3-4 10:19:34 | 显示全部楼层 来自: 中国香港
用VSS也可以,方便一点。
untitled.JPG

333.prt.rar

222.5 KB, 下载次数: 33

发表于 2011-3-4 19:05:25 | 显示全部楼层 来自: 中国广东东莞
这个值得学习
发表于 2011-3-5 12:48:45 | 显示全部楼层 来自: 中国安徽合肥
变截面扫描。
发表于 2011-3-5 17:36:41 | 显示全部楼层 来自: 中国安徽合肥
无法上传图片.
 楼主| 发表于 2011-3-7 11:19:09 | 显示全部楼层 来自: 中国江苏南京
本帖最后由 seayoung 于 2011-3-7 11:21 编辑
& {5 \* E9 D( l9 n/ b7 Z& W$ @+ c0 ?* d
感谢各位的帮助,自己用VSS+周长约束试验了很多次,终于能完成了:)这个办法的确是十分的实用,特别感谢 9#楼的ganyiwei  大2 C' X7 A# l; F; k# Q# ^% R
7 T- ?+ h6 F, [" w# G" w
贴上自己的作业以及过程中遇到的问题和大家分享8 @6 X% O! i. T1 w

. x. z! y3 Q% e6 t; u先是完工图,哈哈:)试验了那么多次看到最终出来还是很开心的。) ?% S4 @0 T! N; V2 ~! s* b
1.png   t& D5 w. |/ j7 V# e, K" g

: E. \: M3 O6 H! l9 D+ l一开始思维定势用了这个轨迹线来扫描,主要问题是:
$ {8 b5 r: ?; P. q; p4 {; p% a1)扁管口部2mm尺寸不好定;
! m+ N1 ?4 N4 V# u1 M. g; [5 F" L2)因为最终压扁的口部的宽度在图上是没有的,如果用这个方式的话就需要计算,计算周长时候麻烦;
2 a" ~$ O5 U6 ?! v- Y6 P! Y 2错误轨迹线.png
# j1 m& M  V! [1 T4 N% d( G9 Z1 w* N- s* D' D
最后仔细看了9#楼的ganyiwei  大提供帖子(一开始没仔细看啊~~汗!!)才明白需要这么画轨迹线才方便(中间要有一个直线的原点线)
5 I8 {2 K1 B2 E2 T8 z: { 合理轨迹线.png 3 t* S3 _$ e0 z, h0 }/ g/ R( M2 v

. W# p; E- J0 \* m1 i最后最重要的就是周长约束了哎,上!!光光光~~~ 有一个需要注意的,约束的周长要适当大一点点,不然最后变成圆的时候圆直径不够,那么就和点在轨迹线上的约束冲突了,无法生成(如果生成不起来就放大一些吧)----按照这么算最后的应该也不是正圆啊???(如果各位大大有什么更好的办法还不吝赐教)
2 z" @9 y, y, I* S$ |
% W: f' h$ g2 i. M, w$ a# Z) T
& j; x$ W6 Y  f* g忘记上prt了,补上(丢三落四啊~~~)
周长约束.png

030008.prt.rar

95.52 KB, 下载次数: 25

发表于 2011-3-7 14:04:58 | 显示全部楼层 来自: 中国广东汕头
顶一下。。。不错啊!!
发表于 2011-3-9 09:20:48 | 显示全部楼层 来自: 中国河北石家庄
变截面扫描 控制好过度截面位置就可以了
发表于 2011-3-9 13:06:32 | 显示全部楼层 来自: 中国广东东莞
用可变扫描就可以啦 ! 哪要那么麻烦哟 !
发表回复
您需要登录后才可以回帖 登录 | 注册

本版积分规则


Licensed Copyright © 2016-2020 http://www.3dportal.cn/ All Rights Reserved 京 ICP备13008828号

小黑屋|手机版|Archiver|三维网 ( 京ICP备2023026364号-1 )

快速回复 返回顶部 返回列表