QQ登录

只需一步,快速开始

登录 | 注册 | 找回密码

三维网

 找回密码
 注册

QQ登录

只需一步,快速开始

展开

通知     

查看: 2956|回复: 7
收起左侧

[求助] 谁有传动轴图纸啊

[复制链接]
发表于 2011-3-7 20:19:30 | 显示全部楼层 |阅读模式 来自: 中国河南南阳

马上注册,结识高手,享用更多资源,轻松玩转三维网社区。

您需要 登录 才可以下载或查看,没有帐号?注册

x
谁有传动轴图纸   给我发个    随便什么 传动轴 都行   362829027@qq.com
发表于 2011-3-7 21:59:38 | 显示全部楼层 来自: 中国湖南岳阳
本帖最后由 TKG-09 于 2011-3-8 08:20 编辑
9 y) r" u4 ~; w, d# _" I% V% C5 T1 |7 p7 k  ]( R1 w
发张传动轴,仅供参考,材料45#.
1.jpg
发表于 2011-3-8 10:44:25 | 显示全部楼层 来自: 中国山西太原
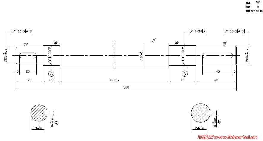
再给你一张传动轴加工图:
传动轴.jpg
发表于 2012-5-28 22:50:57 | 显示全部楼层 来自: 中国广东广州
路过!
发表于 2013-5-15 15:38:37 | 显示全部楼层 来自: 中国辽宁阜新
弱弱的问下 这个传动轴是汽车传动轴么
发表于 2014-11-10 15:49:40 | 显示全部楼层 来自: 中国四川资阳
不是汽车传动轴
发表于 2014-11-11 09:11:40 | 显示全部楼层 来自: 中国山西太原
iexdy43939 发表于 2013-5-15 15:38 static/image/common/back.gif
+ A" S  ]) h3 s! V$ t. ~弱弱的问下 这个传动轴是汽车传动轴么
; J7 ~4 v/ c( q9 @
是链板输送机传动轴。
发表于 2014-12-4 21:57:14 | 显示全部楼层 来自: 中国浙江嘉兴
学习了,向大家学习
发表回复
您需要登录后才可以回帖 登录 | 注册

本版积分规则


Licensed Copyright © 2016-2020 http://www.3dportal.cn/ All Rights Reserved 京 ICP备13008828号

小黑屋|手机版|Archiver|三维网 ( 京ICP备2023026364号-1 )

快速回复 返回顶部 返回列表