QQ登录

只需一步,快速开始

登录 | 注册 | 找回密码

三维网

 找回密码
 注册

QQ登录

只需一步,快速开始

展开

通知     

查看: 1543|回复: 4
收起左侧

[讨论] 弯管长度的确定

[复制链接]
发表于 2011-3-16 22:57:30 | 显示全部楼层 |阅读模式 来自: 中国广东深圳

马上注册,结识高手,享用更多资源,轻松玩转三维网社区。

您需要 登录 才可以下载或查看,没有帐号?注册

x
本帖最后由 毛友春 于 2011-3-16 23:02 编辑
) G; S& |3 P6 R. G- o0 g0 U/ o
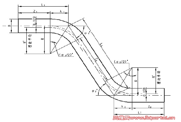
, [$ a2 p! K5 X! J弯曲后管子的外弧面伸长,内弧面缩短,中心线长短不变。故管子无论如何弯曲(注意:只是弯,没有拉、压)其中心线(即轴线)都等于管子弯曲前的长度。$ Z- c4 t2 u+ [2 [+ ~; Y- s7 v
也就是说弯曲后管子的中线有多长弯曲前管子就有多长。但是由于弯管的方法较多,比如:冷弯、热弯、大直径管、大直径褶皱弯、小直径管、充沙的、充其它材料等等,所以不能一概而论,只能按中心线计算后可再加修正。
* {* q" F- C/ L& e/ D2 G# [. I我提供一个参考公式,大家说准不准
- Z* n8 Z6 D; o8 |, \7 x5 E% J圆弧长度等于0.01745X(弯曲半径)X弯曲角度  大家对此有什么看法。4 M) Q- U" V! L' w8 V' i  B
, V  J5 Z5 j1 S3 n5 p

) V. Y/ P' |% i- j' q9 {$ e对于弯直角直接按中心线长度就是弯曲半径长度, i$ V9 j! `, k/ j* g
对于弯45度角等于弯曲半径2tga(45/2)" s, P4 o8 _! R, L  r

! O9 w5 n4 Z" b( _* `  \0 E; L1 o有些手动弯管机没有标明弯管半径,自已得测量出模中径。即为弯管半径。大家讨论一下。 01.jpg
发表于 2011-3-17 08:22:13 | 显示全部楼层 来自: 中国江苏南通
这个要用到模具了,弯管机自带
 楼主| 发表于 2011-3-17 10:53:50 | 显示全部楼层 来自: 中国广东深圳
能不能说具体点呢? 2# 自流井
发表于 2011-3-17 12:47:39 | 显示全部楼层 来自: 中国湖北神农架林区
如果按中心线算展开长,公式是对的,至于修正系数要看具体情况了

评分

参与人数 1三维币 +2 收起 理由
9619 + 2 技术讨论

查看全部评分

 楼主| 发表于 2011-3-17 16:42:06 | 显示全部楼层 来自: 中国广东深圳
4# zhing1592
& j7 d2 B4 i0 e" ^) ]: W5 n我听说这个   公式圆弧长度等于0.01745X(弯曲半径)X弯曲角度9 v" ^+ L5 M& Y4 H. ]3 i5 y9 R
只适合90度弯管的情况,是?
发表回复
您需要登录后才可以回帖 登录 | 注册

本版积分规则


Licensed Copyright © 2016-2020 http://www.3dportal.cn/ All Rights Reserved 京 ICP备13008828号

小黑屋|手机版|Archiver|三维网 ( 京ICP备2023026364号-1 )

快速回复 返回顶部 返回列表