QQ登录

只需一步,快速开始

登录 | 注册 | 找回密码

三维网

 找回密码
 注册

QQ登录

只需一步,快速开始

展开

通知     

查看: 1870|回复: 9
收起左侧

[求助] 请教叠加阀叠加顺序?

[复制链接]
发表于 2011-3-18 07:17:04 | 显示全部楼层 |阅读模式 来自: 中国湖北襄阳

马上注册,结识高手,享用更多资源,轻松玩转三维网社区。

您需要 登录 才可以下载或查看,没有帐号?注册

x
两个单独油缸加载系统,分别由叠加式溢流阀+a路叠加式节流阀+ab路叠加式液控单向阀+y机能换向阀和叠加式P路减压阀+a路叠加式节流阀+ab路液控单向阀+y机能换向阀," R  l7 W1 H" L
请问一下两路的叠加顺序分别如何?或有其它改进建议!
0 ^  l5 k+ T, V- Y8 t1 H我现在是ab路叠加式液控单向阀在换向阀下面,再下面是a路叠加式单向节流阀,最下面分别是溢流阀和减压阀,出现保压不好!* k2 @  [4 l3 K  C2 {

1 r( f6 P- B9 Z2 b谢了!
发表于 2011-3-18 08:46:38 | 显示全部楼层 来自: 中国江苏南通
1:溢流阀是做为安全阀用的,可以加在A或B路,你要搞清楚是A型还是B型 溢流阀
& i) r1 \1 u$ P% w: [2 d3 y& M1 Z2:A路节流阀,最下面调A路
  _- ^2 ?2 w( F0 ~3:AB路单向阀,倒路第二个% r" q, j, ~2 ^* A$ ]# O8 }
4路减压阀,进油口三,换向阀下
6 t; i5 I  }& T5:换向阀最上面

评分

参与人数 1三维币 +3 收起 理由
9619 + 3 技术讨论

查看全部评分

发表于 2011-3-18 11:19:04 | 显示全部楼层 来自: 中国辽宁大连
按你的叠加顺序其实也能够保压的,贴个图看着清晰
 楼主| 发表于 2011-3-19 09:36:05 | 显示全部楼层 来自: 中国湖北襄阳
本帖最后由 xftqb 于 2011-3-19 09:39 编辑
6 ~2 k+ t+ Q. I6 c/ F+ V+ ^/ L! I, o' A8 F& `4 ^& X' e
3# indipoc 4 e# V3 N" B8 Q0 ]
9 s2 k" I$ M/ }$ ?0 e
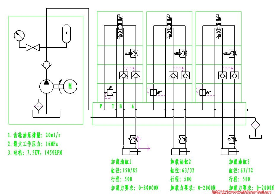
目前使用的加载液压原理图及加载示意图见下图5 F7 J7 n# t' U. Y0 W
7 Y) w; o5 j% V
简单说明:三个加载油缸从不同方向对一个试验件进行加载,通过三个力传感器与其油缸配合来控制加载力,三个加载力同时到其加载设定值时,释放机构动作,通过其它测控系统来测量其抛落的速度、加速度等值。' v/ S( J" u8 Y/ @6 x8 ?  G/ i

) n  P" X2 x7 K2 m* I现在的问题是:
/ k2 P  @! w7 C$ G( D6 W1.保压时力值掉的太快
7 N. r# u/ o0 x2.加压时力值不易控制,易超范围,要求力值精度0.5%9 K  ]& f) z& d' u. {% \# N3 U
3.用这种换向阀其控制精度是否就达不到这种要求- E: J5 a4 p8 N' s1 V7 F. X# {
4.对目前的加载液压系统有何改进建议
加载液压原理图.JPG
加载示意图.JPG

评分

参与人数 1三维币 +3 收起 理由
9619 + 3 回应自己的求助帖子。

查看全部评分

发表于 2011-3-19 23:37:59 | 显示全部楼层 来自: 中国江苏南京
很明显,你的溢流阀是设定系统压力用的,流井理解错了,你的叠加顺序完全正确,保压不行大概是你的单向阀不好,换个试试,我建议用力士乐的液控单向阀!

评分

参与人数 1三维币 +3 收起 理由
9619 + 3 技术讨论

查看全部评分

发表于 2011-3-20 09:58:17 | 显示全部楼层 来自: 中国湖南湘潭
1.确认是Y型中位机能换向阀的情况下,需要检查油缸的内泄露情况和液控单向阀的,油缸内泄露的可能性较大。
" s& F& ~1 y* `' W2 j2.泵的排量偏小,若希望系统运行较稳定,可采取的措施:增大蓄能器的容量,并在泵出口设置电磁溢流阀;或将泵改成恒压变量泵。
% Q" S9 J; a3 K2 e0 `  _3.换向阀对该系统控制精度的影响不大。

评分

参与人数 1三维币 +3 收起 理由
9619 + 3 技术讨论

查看全部评分

发表于 2011-3-20 19:54:09 | 显示全部楼层 来自: 中国河南安阳
1、确认你的系统是Y型的换向阀,系统没有问题。
& f( B+ [0 M; s4 k' Y2 I0 B2、掉压快请查看双液控单向阀、油缸密封等等。
3 [4 r' Z' q8 f9 y3、加压时精度控制建议用比例溢流阀、比例减压阀与传感器配合,没看到你的传感器信号给谁了,怎么控制压力值的调定。换向阀与控制精度没有大的关系。
 楼主| 发表于 2011-3-20 22:03:21 | 显示全部楼层 来自: 中国浙江杭州
本帖最后由 xftqb 于 2011-3-20 22:06 编辑 ) n/ B7 Q: x. f! f

; T+ [9 Z; k* |4 Y谢了以上的各位老大!!) k" ~$ B$ C2 o) E- v  d  @
1.以前保压不好,没有加液控单向阀,用的是o 机能的换向阀,后来加了液控单向阀,换向阀也换成了Y机能的阀(图纸上没改过来)。
  S- ^& V8 k+ u2.针对我这种情况,Y机能或O机能换向阀我都试了,差别不大,是不是我用了减压阀或节流阀(用的是电控节流阀,加载到设定力的60%时,改为节流,节流开的很小,因为控制精度高,易超)才出现这种现象?( K) Y% P8 a. F) a$ w: L
3.实际原理图上这个蓄能器没有一点用,原理有问题不能保压?(我对液压也不是很懂,接手调试时这个设备已安装)。
/ n  g4 Z& n, F3 d/ Y! p4.另外在一个叠加阀样本上,我看它图上的减压阀及节流阀与我上图是对换的。
+ S- l( S4 R* ~5 @( Q# Y5.传感器是接到应变仪上,工控机读取应变仪的值,到设定值时保压。/ Z' b! P- m* H& L) ^
6.因为力值精度要求0.5%,所以这种阀精度或控制方式达不到要求,用比例阀是不是要用三个比例压力阀?
- e! E% m  ]! n5 ^/ _% W4 i7.上面是三路分别加载,力值也是不一样的,所以要分三路。
发表于 2011-3-21 08:28:15 | 显示全部楼层 来自: 中国河南安阳
谢了以上的各位老大!!
( m+ g8 x, w, ~  A6 {; a+ R- z6 ?4.另外在一个叠加阀样本上,我看它图上的减压阀及节流阀与我上图是对换的。 ...
% s& J# p# c* z1 b( oxftqb 发表于 2011-3-20 22:03 http://www.3dportal.cn/discuz/images/common/back.gif

+ T0 Y- x5 y* [+ y5 z1 T4 @2 s& x( g5 f9 g' ]$ X
因不是外控减压阀,所以你的位置不用调整;3 \6 R, q7 {( r4 y( g
节流阀需要与双液控单向阀调一下位置。
头像被屏蔽
发表于 2011-4-13 11:51:12 | 显示全部楼层 来自: 中国重庆
提示: 作者被禁止或删除 内容自动屏蔽
发表回复
您需要登录后才可以回帖 登录 | 注册

本版积分规则


Licensed Copyright © 2016-2020 http://www.3dportal.cn/ All Rights Reserved 京 ICP备13008828号

小黑屋|手机版|Archiver|三维网 ( 京ICP备2023026364号-1 )

快速回复 返回顶部 返回列表