QQ登录

只需一步,快速开始

登录 | 注册 | 找回密码

三维网

 找回密码
 注册

QQ登录

只需一步,快速开始

展开

通知     

全站
4天前
查看: 1359|回复: 3
收起左侧

[求助] 工程图转三维图。

[复制链接]
发表于 2011-3-19 16:11:21 | 显示全部楼层 |阅读模式 来自: 中国浙江金华

马上注册,结识高手,享用更多资源,轻松玩转三维网社区。

您需要 登录 才可以下载或查看,没有帐号?注册

x
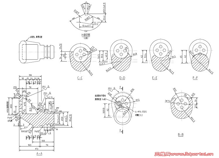
一个很小的活,我画了头和尾,中间连不起来了,望坛友们帮助,谢谢。
未命名.jpg

1.rar

18.85 KB, 下载次数: 7

发表于 2011-3-19 19:04:48 | 显示全部楼层 来自: 中国河北沧州
你的图档没画对 发CAD图纸上来 图片看不清
发表于 2011-3-19 20:47:01 | 显示全部楼层 来自: 中国天津
学习中,顶顶
发表于 2011-4-25 23:22:41 | 显示全部楼层 来自: 中国湖北十堰
学习学习,顶一个!
发表回复
您需要登录后才可以回帖 登录 | 注册

本版积分规则

Licensed Copyright © 2016-2020 http://www.3dportal.cn/ All Rights Reserved 京 ICP备13008828号

小黑屋|手机版|Archiver|三维网 ( 京ICP备2023026364号-1 )

快速回复 返回顶部 返回列表