QQ登录

只需一步,快速开始

登录 | 注册 | 找回密码

三维网

 找回密码
 注册

QQ登录

只需一步,快速开始

展开

通知     

查看: 1452|回复: 5
收起左侧

[求助] 求该泵的原理说明

[复制链接]
发表于 2011-3-23 21:43:33 | 显示全部楼层 |阅读模式 来自: 中国广东深圳

马上注册,结识高手,享用更多资源,轻松玩转三维网社区。

您需要 登录 才可以下载或查看,没有帐号?注册

x
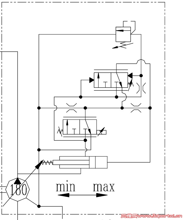
如图,该变量泵的原理我不是很明白,请大虾讲解一下。尤其是那个溢流阀,我不是很明白。 泵.jpg
发表于 2011-3-24 08:15:27 | 显示全部楼层 来自: 中国江苏南通
是力士乐的?
& |3 N8 Z1 C, h' ]
- a6 G; s7 Z. z4 eDF
 楼主| 发表于 2011-3-24 12:50:52 | 显示全部楼层 来自: 中国广东广州
2# 自流井
6 Z; j" V, e+ X" A" G& s回楼上的,该泵是帕克的泵。能否说说原理呢?
发表于 2011-3-24 21:16:38 | 显示全部楼层 来自: 中国浙江杭州
用于调定泵出口的限制压力,与力士乐的DR功能
发表于 2011-3-25 13:49:29 | 显示全部楼层 来自: 中国四川成都
这个是带压力补偿的比例流量控制方式
 楼主| 发表于 2011-3-25 23:14:53 | 显示全部楼层 来自: 中国广东广州
5# dirina 请问有详细的描述吗。我不是很了解其中控制过程……
发表回复
您需要登录后才可以回帖 登录 | 注册

本版积分规则


Licensed Copyright © 2016-2020 http://www.3dportal.cn/ All Rights Reserved 京 ICP备13008828号

小黑屋|手机版|Archiver|三维网 ( 京ICP备2023026364号-1 )

快速回复 返回顶部 返回列表