QQ登录

只需一步,快速开始

登录 | 注册 | 找回密码

三维网

 找回密码
 注册

QQ登录

只需一步,快速开始

展开

通知     

查看: 2677|回复: 6
收起左侧

[求助] 焊接工装

[复制链接]
发表于 2011-3-25 17:31:04 | 显示全部楼层 |阅读模式 来自: 中国湖北十堰

马上注册,结识高手,享用更多资源,轻松玩转三维网社区。

您需要 登录 才可以下载或查看,没有帐号?注册

x
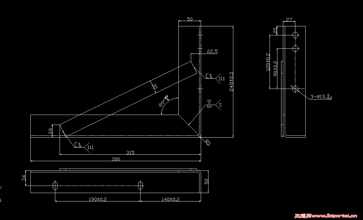
论坛的高手、前辈们本人刚接触焊接工装夹具,没有经 未命名.jpg 验,需要大家帮忙看看下面的零件焊接工作如何设计好!% i# I/ r4 \) s" m
1、零件为焊接件,要求精度较高;
0 ~* |! u8 q2 }7 G+ }2、零件是板材冲压成型(冲压力都调节的比较好,零件回弹被避免)。成型后尺寸保证比较好,就是焊接完后尺寸全不在误差范围内!
/ U4 H# i9 I  \6 s恳请大家帮小弟想想!!谢谢大家了!
发表于 2011-3-25 17:37:00 | 显示全部楼层 来自: 中国湖北随州
是做支架的吧,左右对称件?
发表于 2011-3-26 09:23:43 | 显示全部楼层 来自: 中国安徽合肥
本帖最后由 kxyx01 于 2011-3-26 13:29 编辑 $ F% d# R: Z3 C( l2 z* @4 Y
- h1 m; t* W) f, Y* F
请问楼主,你所说的精度要求较高是只角度问题吗?如果是,角度允许在什么范围,图上看不清楚!还有就是角度可以适当放大一点预留一些反变形量(可以先试两件再决定留多少量),其他几个孔(包括腰形孔)的精度以及长度尺寸均可在焊接后加工,靠加工来保证。这种简单结构无需制作工装,如果是批量制作的话,可以找张钢板或在平台上划线并点焊一些辅助定位块(就等于是一个简易工装)。
 楼主| 发表于 2011-3-28 08:49:53 | 显示全部楼层 来自: 中国湖北十堰
是左右对称件。是角度要求太高!
发表于 2011-3-30 12:02:38 | 显示全部楼层 来自: 中国江苏南京
(个人观点仅作参考)
' n6 J/ V6 H* r零件焊接件总存在变形是不可避免的,从LZ提供的图纸来分析一下: H  P8 ]0 ~$ u7 [% ?; `$ U# t
1、角度公差是多少看不清楚;* y  m8 ~, }7 b) ^: B" s" f: A+ `1 O9 d
2、支撑斜条的强度是一个问题,平板形强度够不够啊,支撑斜条须有足够强度;. l  d/ {, e$ w' ]  ^9 h
3、焊接顺序要正确,先焊接支撑斜条后角缝点焊,最后才能进行角缝焊接;
1 }: |8 \, T- D3 }" L6 a% @4、角缝焊接应是一收缩变形,所以冲压成型零件角缝应保证尽量小,这样减少一些变形。另外角缝焊接是否真的需要整条焊接,是否可以改成点焊。* I" u/ @' n; a( Q0 C
5、个人认为没有必要焊接工装,批量生产建议成形零件与斜支撑之间开工艺定位孔就行。
发表于 2011-3-30 19:01:36 | 显示全部楼层 来自: 中国山西晋中
用强制反变形焊接,用钢板作一直角胎具,要求刚性较好(可加筋板),在两直角面上按零件图孔的尺寸钻孔。将二成形的角钢用螺栓固定在胎具上,先点焊加强扁钢,点焊二角钢。焊接加强扁钢,按要求焊角钢,待冷确后拆下螺栓即成。
发表于 2011-5-4 15:40:39 | 显示全部楼层 来自: 中国广东深圳
如果是角钢焊的还麻烦点,如果是板材冲压件,直接做工艺孔最方便
发表回复
您需要登录后才可以回帖 登录 | 注册

本版积分规则


Licensed Copyright © 2016-2020 http://www.3dportal.cn/ All Rights Reserved 京 ICP备13008828号

小黑屋|手机版|Archiver|三维网 ( 京ICP备2023026364号-1 )

快速回复 返回顶部 返回列表