QQ登录

只需一步,快速开始

登录 | 注册 | 找回密码

三维网

 找回密码
 注册

QQ登录

只需一步,快速开始

展开

通知     

查看: 1626|回复: 7
收起左侧

[求助] 单向阀的问题

[复制链接]
发表于 2011-4-3 16:54:18 | 显示全部楼层 |阅读模式 来自: 中国河北廊坊

马上注册,结识高手,享用更多资源,轻松玩转三维网社区。

您需要 登录 才可以下载或查看,没有帐号?注册

x
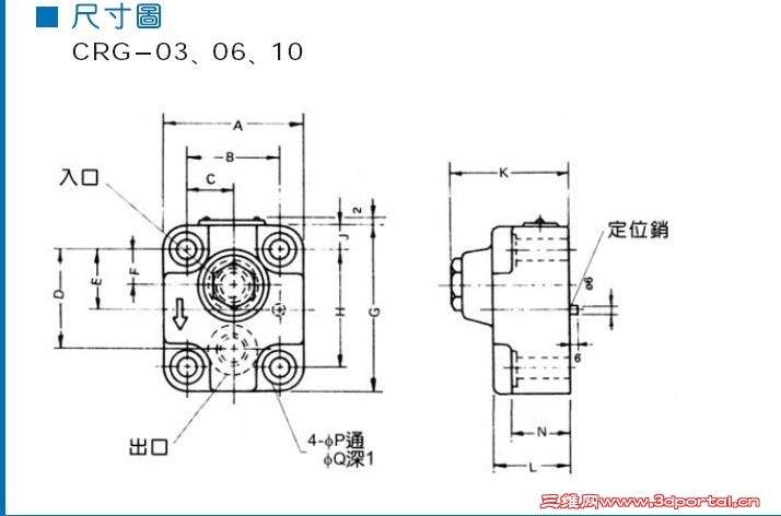
油研的板式单向阀CRG-03用力士乐的产品应该用什么系列来替代呢?先谢谢大家了~!十万火急!功能一样就可以了

阀

尺寸图

尺寸图

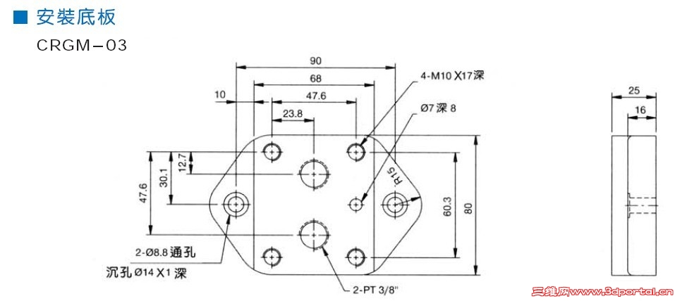
安装板

安装板
发表于 2011-4-3 17:41:12 | 显示全部楼层 来自: 中国河南新乡
本帖最后由 9619 于 2011-4-3 17:43 编辑 1 ?  p' y! j! K5 E) [, x( |
. X2 J/ z6 p8 J. k
力士乐型号:S10P) ^; M% `$ `2 `3 H
你没有给其它参数,所以只给你一个基本的型号。
1 X! Z: f8 ]1 `) r& e你给的底板图纸有误,不知你是从哪里弄来的。
 楼主| 发表于 2011-4-6 09:03:48 | 显示全部楼层 来自: 中国北京
您好,我是朝田样本上找的啊,那还需要什么参数,我再去确认一下。
发表于 2011-4-6 11:03:39 | 显示全部楼层 来自: 中国湖北武汉
S10P  华德的就可以了
发表于 2011-4-6 12:12:36 | 显示全部楼层 来自: 中国河南焦作
这个阀我们有现货两个,需要的话速联系0391-2756666/2665555焦作同鑫液压吕经理
发表于 2011-4-6 12:15:22 | 显示全部楼层 来自: 中国河南焦作
这个阀我们有现货两个,需要的话速联系0391-2756666/2665555焦作同鑫液压吕经理,我们的型号是CRG-03-04-50
发表于 2011-5-7 10:01:53 | 显示全部楼层 来自: 中国江苏无锡
台湾油研 与 日本油研的CRG单向阀尺寸不同
* e0 |- }# ~9 X5 O% f. }日本油研尺寸与力士乐S型单向阀尺寸相同
发表于 2011-5-9 11:42:44 | 显示全部楼层 来自: 中国浙江宁波
单向阀现在国产的质量怎么样?我很少看到别人定我们威格士的单向阀。
发表回复
您需要登录后才可以回帖 登录 | 注册

本版积分规则


Licensed Copyright © 2016-2020 http://www.3dportal.cn/ All Rights Reserved 京 ICP备13008828号

小黑屋|手机版|Archiver|三维网 ( 京ICP备2023026364号-1 )

快速回复 返回顶部 返回列表