QQ登录

只需一步,快速开始

登录 | 注册 | 找回密码

三维网

 找回密码
 注册

QQ登录

只需一步,快速开始

展开

通知     

查看: 1769|回复: 6
收起左侧

[已解决] 45钢调质问题,

[复制链接]
发表于 2011-4-13 16:31:48 | 显示全部楼层 |阅读模式 来自: 中国湖北

马上注册,结识高手,享用更多资源,轻松玩转三维网社区。

您需要 登录 才可以下载或查看,没有帐号?注册

x
本帖最后由 erayond 于 2011-4-14 10:46 编辑 . A2 d  |! f8 v6 x3 N
, P0 h2 X5 X2 w- @0 B" ^
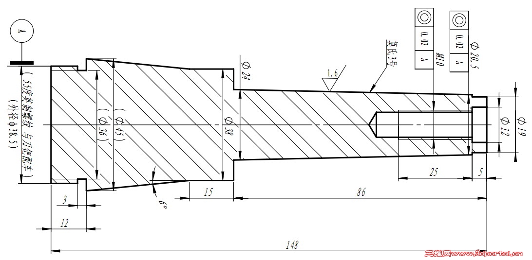
镗刀杆,要求调质,请问调质留余量多少合适,变形量大概多少?
" S) e& s" I; ]- G这种比较小的件调质放在车工前面行吗?在线等,先谢过!
刀杆.JPG
发表于 2011-4-13 18:52:03 | 显示全部楼层 来自: 中国湖南岳阳
余量大致为1.5-2.5。一般调质前需要粗车,不一定所有的台阶都要车出来,比如你的轴可以车成两段,直径47/26。
1.jpg

评分

参与人数 1三维币 +2 收起 理由
asdolmlm + 2 应助

查看全部评分

发表于 2011-4-13 19:10:30 | 显示全部楼层 来自: 中国湖北孝感
支持楼上~!
发表于 2011-4-13 20:15:52 | 显示全部楼层 来自: 中国上海
支持!!!顶一下!!
发表于 2011-4-13 21:30:31 | 显示全部楼层 来自: 中国江西九江
调质处理是安排在粗加工之后,半精加工之前。
9 d- k% t* d) }3 X5 E4 u- |加工余量一般留2~2.5即可。
发表于 2011-4-13 21:56:57 | 显示全部楼层 来自: 中国江苏常州
二楼说的很详细
 楼主| 发表于 2011-4-14 10:46:30 | 显示全部楼层 来自: 中国湖北
嗯,谢谢各位了!!
发表回复
您需要登录后才可以回帖 登录 | 注册

本版积分规则


Licensed Copyright © 2016-2020 http://www.3dportal.cn/ All Rights Reserved 京 ICP备13008828号

小黑屋|手机版|Archiver|三维网 ( 京ICP备2023026364号-1 )

快速回复 返回顶部 返回列表