QQ登录

只需一步,快速开始

登录 | 注册 | 找回密码

三维网

 找回密码
 注册

QQ登录

只需一步,快速开始

展开

通知     

全站
11天前
查看: 2738|回复: 8
收起左侧

[已解决] 此零件的三视图

[复制链接]
发表于 2011-4-13 18:19:38 | 显示全部楼层 |阅读模式 来自: 中国浙江绍兴

马上注册,结识高手,享用更多资源,轻松玩转三维网社区。

您需要 登录 才可以下载或查看,没有帐号?注册

x
本帖最后由 唐昕晨 于 2011-11-29 13:49 编辑 5 Z9 f- H. o- l6 [

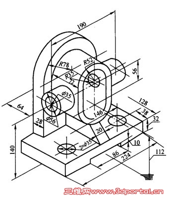
$ u! f; ]1 u# s, H前几天发了这么个图 求此图的绘制方法 和3视图 感激不尽
1111.jpg
发表于 2011-4-13 22:48:37 | 显示全部楼层 来自: 中国上海
这对于学机械的来说应该不难吧,都已经是最基础的图了,如果用CAD画的话,在草图设置里面选择等轴测捕捉可以画轴测图,也就是你发上来的这张图,然后再画三视图不就行了,只要有CAD基础就能画呀……

评分

参与人数 1三维币 +3 收起 理由
2005llnn + 3 技术讨论

查看全部评分

发表于 2011-4-14 15:47:00 | 显示全部楼层 来自: 中国浙江宁波
你这个是用autocad画吗?如果是的话,你主要是没懂autocad中的ucs怎样设定吧!可以先了解为什么要设定ucs,怎样设定ucs,再画就不会很难!试试吧!
发表于 2011-4-16 10:50:19 | 显示全部楼层 来自: 中国广东深圳
直接切换到轴测图就可以完成啊,我记得这是上大学时候CAD书上的练习题
发表于 2011-4-16 13:14:35 | 显示全部楼层 来自: 中国江苏苏州
可以用ProE画完,然后直接转三维图就ok啦
发表于 2011-4-16 15:03:11 | 显示全部楼层 来自: 中国江苏无锡
可以试试用UG画出三维图  然后转成二维的三视图  就是不知道能不能转成dwg格式的
发表于 2011-11-28 16:35:39 | 显示全部楼层 来自: 中国北京
这是一个轴对称的零件!
发表于 2011-12-6 14:41:05 | 显示全部楼层 来自: 中国浙江温州
本帖最后由 dengruiwen 于 2011-12-6 14:44 编辑
  x' r9 u: D. N* c, c$ U1 b. A7 a8 y5 k7 m- N" [
楼主,找到关键点,找到对应视图,在对应的视图中按尺寸画出图形,用拉伸命令拉伸成实体:
9 @6 B, t: s0 O% S( S7 Z; E第一步:把图纸拆分下,可以得出一共有底板,底板里面的槽,底板上面的两个圆孔,中间的支撑筋(梯形),两个长腰形实体,后墙板,两根长为190的圆柱。
) D' @# d* @5 v7 P8 n第二步:按照拆分出来的图形,按尺寸画好,拉伸成自己所需要的尺寸,具体尺寸楼主自己算。如图1所示& B( C  X; B& D2 u: t! C  t
第三步:如图2所示,把这几个实体,按照对应视图,移动到需要的位置上。% T/ f% L, k* n( g* c
第四步:如图2所示,画图中红色的线条,尺寸已在图中标示。然后如图2-1所示,把直径为56长度为190的圆柱,捕捉到圆心后,移动到线的端点,删除辅助线条。用UNI命令,全选组合实体。/ c( o1 @/ g& E' ^+ y
第五步:如图3-1,3-2,3-3,3-4所示,按先后顺序,切割实体(命令SU)。$ A7 I% C; ^4 _9 ^
图4为最后完成的效果,希望上面的步骤和图还有DWG文件对楼主学习CAD简单三维有所帮助!~
4.jpg
1.jpg
2-1.jpg
2.jpg
3-1.jpg
3-2.jpg
3-3.jpg
3-4.jpg

三维图.rar

43.22 KB, 下载次数: 12

发表于 2011-12-10 13:03:41 | 显示全部楼层 来自: 中国广东广州
a ....要学习学习了
发表回复
您需要登录后才可以回帖 登录 | 注册

本版积分规则


Licensed Copyright © 2016-2020 http://www.3dportal.cn/ All Rights Reserved 京 ICP备13008828号

小黑屋|手机版|Archiver|三维网 ( 京ICP备2023026364号-1 )

快速回复 返回顶部 返回列表