QQ登录

只需一步,快速开始

登录 | 注册 | 找回密码

三维网

 找回密码
 注册

QQ登录

只需一步,快速开始

展开

通知     

查看: 1884|回复: 4
收起左侧

[求助] 内六角圆柱头螺钉的选型问题

[复制链接]
发表于 2011-4-20 13:24:24 | 显示全部楼层 |阅读模式 来自: LAN

马上注册,结识高手,享用更多资源,轻松玩转三维网社区。

您需要 登录 才可以下载或查看,没有帐号?注册

x
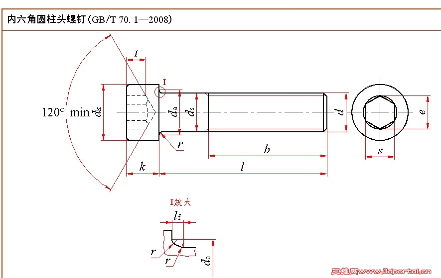
机械手册中选内六角圆柱头螺钉时有一个“商品规格长度l”和“全螺纹长度l”这两者有什么区别?还有一个“b参考”是什么意思?有人知道么?
发表于 2011-4-20 13:57:47 | 显示全部楼层 来自: 中国湖南岳阳
请参考图片,规格长度l是一系列的值,如5、6、8、10、12、16...,全螺纹就是整个长度都是螺纹,当然,螺纹尾部有部分不是完整的螺纹。b参考是指螺纹的有效长度,它不是很准确,只起参考作用,比如M6*12,它是全螺纹,b参考=24,就没有意义了。
1.jpg
2.jpg
3.jpg

评分

参与人数 1三维币 +2 收起 理由
asdolmlm + 2 应助

查看全部评分

发表于 2011-4-20 14:02:34 | 显示全部楼层 来自: 中国广东深圳
跟着也学习东西
发表于 2011-4-20 14:25:38 | 显示全部楼层 来自: 中国上海
内六角螺钉的公称长度是螺钉的螺杆长度,所谓商品规格长度,就是常用的长度规格或者说市场上买到的规格(理论上可以加工无限多的长度规格,但是从生产和经济上考虑只生产部分常用的规格)。
0 `: c4 i% g$ j3 d/ {9 p9 f& _) Z螺杆上有加工螺纹和未加工螺纹两部分,b就是加工螺纹部分的长度,但这个长度不是严格规定的,各厂家生产的可能不同,所以是“参考”。如果螺杆长度小于b尺寸,那整个螺杆上全是螺纹了(螺纹过渡部分除外),螺杆长度就变成“全螺纹长度”。
 楼主| 发表于 2011-4-22 08:53:00 | 显示全部楼层 来自: 中国北京
知道了!谢谢你们!
发表回复
您需要登录后才可以回帖 登录 | 注册

本版积分规则


Licensed Copyright © 2016-2020 http://www.3dportal.cn/ All Rights Reserved 京 ICP备13008828号

小黑屋|手机版|Archiver|三维网 ( 京ICP备2023026364号-1 )

快速回复 返回顶部 返回列表