QQ登录

只需一步,快速开始

登录 | 注册 | 找回密码

三维网

 找回密码
 注册

QQ登录

只需一步,快速开始

展开

通知     

查看: 2262|回复: 12
收起左侧

[求助] 请教派克泵的工作原理及特性

[复制链接]
发表于 2011-5-4 21:26:35 | 显示全部楼层 |阅读模式 来自: 中国北京

马上注册,结识高手,享用更多资源,轻松玩转三维网社区。

您需要 登录 才可以下载或查看,没有帐号?注册

x
看到一个派克的轴向柱塞泵用于某液压系统中的图,又找到其样本图,不太一样。泵的型号为:PV092R1K1T1NFR1。系统中的两个压力如何得到的?该型号的泵是否为定量不可调?请各位给予指导,谢谢!
parker泵.jpg
样本图.jpg
头像被屏蔽
发表于 2011-5-4 22:42:58 | 显示全部楼层 来自: 中国江苏徐州
提示: 作者被禁止或删除 内容自动屏蔽
 楼主| 发表于 2011-5-6 11:44:58 | 显示全部楼层 来自: 中国北京
2# 313996335
9 P; B# _8 U7 u9 o% h, V$ [  f2MPa的是当系统电机刚开始启动时的压力,此时油液全部流回油箱。系统正常工作时,2MPa的出油口被换向阀堵住,此时,泵是否以17.5MPa的油液压力工作?还有,在正常工作时,泵的输出流量是否不变?
发表于 2011-5-9 13:58:32 | 显示全部楼层 来自: 中国山东济南
泵正常工作时,压力与负载有关,最大工作压力设定为17.5MPa,泵的输出流量与负载敏感阀的开口量有关,开口为定值时泵的输出流量不变。
发表于 2011-5-16 20:28:13 | 显示全部楼层 来自: 中国天津
本帖最后由 icebox 于 2011-5-16 20:33 编辑
# d( H! ^: C! z% m/ O4 O0 F! y5 @, v5 p, d6 a* u+ w" C; X
这两个泵都是变量的," b$ g1 n: @0 c) N2 G1 c, c
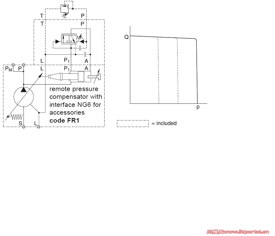
第一个你没有画全,应该是个负载敏感泵,那个2MPa是指泵的输出压力永远比负载压力高出2MPa,用以维持换向阀节流口两端压差,以使泵的输出流量与负载无关,而至于换向阀节流口开口大小有关。下面的17.5MPa是这个泵能达到的最高压力,相当于定量系统中泵出口处加的溢流阀,起安全作用,当负载压力升高使泵出口压力升高到17.5MPa 时,这个阀起作用,使泵的排量减小。
4 \( S% O6 T! E第二个应该是个最高压力可调的恒压变量泵,当系统压力没到最高压力时,泵以最大排量输出流量,当系统接近并达到调定的最高压力时,泵的排量会减小直至到0排量。最高压力的调整是靠上面那个溢流阀实现的。( Q# K+ G% `3 j8 ?, ^7 y8 x) L8 O
另外你那个型号后几位FR1就是指最高压力可调的恒压变量泵,是你样本截图那种
发表于 2011-5-17 11:43:28 | 显示全部楼层 来自: 中国四川
对,第一个图不是FR1的原理图,第二个才是,第一个泵是负载敏感泵,不过看着不像是parker的. e7 ^" `+ b1 V2 X  |# S5 G
parker此类型的泵代号FT1
 楼主| 发表于 2011-5-20 08:30:51 | 显示全部楼层 来自: 中国北京
谢谢以上各位朋友的热心解答,我有些明白了,再去仔细研究一下样本吧,再次感谢各位朋友。
 楼主| 发表于 2011-5-21 15:44:40 | 显示全部楼层 来自: 中国北京
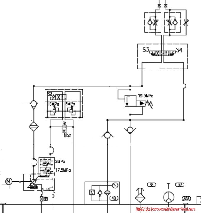
请大家看看下图,比较全。我还是有些糊涂,关于该泵与调速阀配合时,调节调速阀的节流口大小,是否会使泵的流量随之变化,而不会出现溢流?那回路中的溢流阀是否起安全阀的作用?还有,在此系统中,负载变化比较大,这对泵的压力是否有影响?如何影响?这个系统与定量泵配调速阀的节流调速回路有何区别?请各位指教,非常感谢。
Image00000.jpg
 楼主| 发表于 2011-5-23 09:48:08 | 显示全部楼层 来自: 中国北京
还有就是19.5MPa的安全阀还有必要用吗?因为已经有了16MPa的溢流阀了?请不吝赐教。
发表于 2011-5-23 13:06:06 | 显示全部楼层 来自: 中国天津
你这个泵的LS并没有接到节流后面去,而是接了两级调压,这就使系统压力要么是16MPa+2MPa,要么是6MPa+2MPa,这样你的节流调速部分可以起到调速的作用,不过只有当节流前的压力(等于负载压力+通过节流口产生的压差)接近18或者8MPa时,才起到调速的作用,调速性能不是很好,一般工程机械上用这种负载敏感泵,都是把LS接到节流口后面,直接控制节流前后的压差为一个定值,这样就可以通过成比例的控制节流开口大小来控制流量了,你这个 用法相当于把负载敏感泵当成恒压变量泵来用了。5 i) o7 @  i4 E- S9 Y
一般情况下应该不会出现溢流,因为你溢流阀调到19.5MPa,而这个泵的最高压力如果到达17.5,泵的排量就减小到0了。不过这个溢流阀我觉得还是有必要的,虽然不需要保护柱塞泵,但是可以起到防止油缸过载而保护管路。负载压力变化大应该没啥影响吧,如果经常到达你调定的最高压力,也就是使你的泵经常变化排量而已,定量调速系统中泵出口压力要使用溢流阀来调定,则必然会出现溢流,造成能量损失,你这个系统比定量系统要节能。
 楼主| 发表于 2011-5-23 14:55:06 | 显示全部楼层 来自: 中国北京
10# icebox
4 f  ~3 Z, f" x首先谢谢您的应助。不知我的理解对否?当调速阀中的节流口面积调整好不变时,无论负载如何变化,泵的出口压力几乎不变,总保持最大值,且输出流量也不会变化。在一个工作过程中,当负载突然变小时,调速阀进出口压差变大,即节流损失加大,以保证泵的出口压力几乎不变,因而此时的回路效率非常低。
发表于 2011-5-23 17:27:09 | 显示全部楼层 来自: 中国天津
10# icebox  
" y& X; |- I! ~2 O/ ^* s- b0 w3 C首先谢谢您的应助。不知我的理解对否?当调速阀中的节流口面积调整好不变时,无论负载如何变化,泵的出口压力几乎不变,总保持最大值,且输出流量也不会变化。在一个工作过程中,当负载突然变小时,调 ...0 l8 k: c# ]9 \* B
liuqian 发表于 2011-5-23 14:55 http://www.3dportal.cn/discuz/images/common/back.gif

5 I5 E' ^2 n9 r" O+ {  i3 z: r Drawing1 .jpg
5 ^2 I- H/ l3 C简单画了个流量压力曲线,我觉得你这个泵出口压力是随着负载而变化的,如果负载是从小到大变化,假设是按照abc的工作曲线,在ab段,负载压力加上节流产生的压力(即泵出口压力)没有到达你调定的最高压力,那么柱塞泵工作在最大排量的位置,只有当你节流压差加上负载压力继续升高接近并达到b点后,柱塞泵排量会减小,直至与负载加上节流压差匹配,也就是说只有bc这一段,才起到流量调节的作用,另外你一直再说调速阀,我在你这个系统中并没有看到有调速阀,而仅有一个可变节流口,所谓调速阀是需要将节流两端压差进行补偿,使之维持恒定,才能起到稳定调速的作用。按你说的,当系统工作在bc段时,你的负载突然从大变小,节流口大小不变的情况下,由于节流口前后没有补偿,此时泵的压力会减小,系统工作在ab段,也就是说体现在你的执行机构上就是速度突然变快。
6 ?( V* n0 l! u[localimg=180,128]1[/localimg]
 楼主| 发表于 2011-5-25 16:08:30 | 显示全部楼层 来自: 中国天津
12# icebox [/b
, V, @3 N1 Q# I4 z& f非常感谢您的详细的指导,我的图中显示的节流阀实际上选用的是vickers的调速阀FAR1-16-S-S-O,符号画的不太对。这个系统使用在码头的堆取料机上,液压缸承载达上千吨的臂架进行俯仰操作,在臂架俯仰过程中,整体的重心会发生很大变化,使得负载变化很大,而且有可能由正负载变为负值负载,但还要保证在工作中速度稳定。再次感谢您。
发表回复
您需要登录后才可以回帖 登录 | 注册

本版积分规则


Licensed Copyright © 2016-2020 http://www.3dportal.cn/ All Rights Reserved 京 ICP备13008828号

小黑屋|手机版|Archiver|三维网 ( 京ICP备2023026364号-1 )

快速回复 返回顶部 返回列表