QQ登录

只需一步,快速开始

登录 | 注册 | 找回密码

三维网

 找回密码
 注册

QQ登录

只需一步,快速开始

展开

通知     

全站
9天前
goto3d 说: 在线网校重磅上线MC2022&Inventor2022全新课程,虞为民老师、大表哥同事精彩讲解,快去围观!
2021-06-25
查看: 1298|回复: 4
收起左侧

[求助] 看以下六角螺栓提问

[复制链接]
发表于 2011-5-6 21:28:34 | 显示全部楼层 |阅读模式 来自: 中国浙江嘉兴

马上注册,结识高手,享用更多资源,轻松玩转三维网社区。

您需要 登录 才可以下载或查看,没有帐号?注册

x
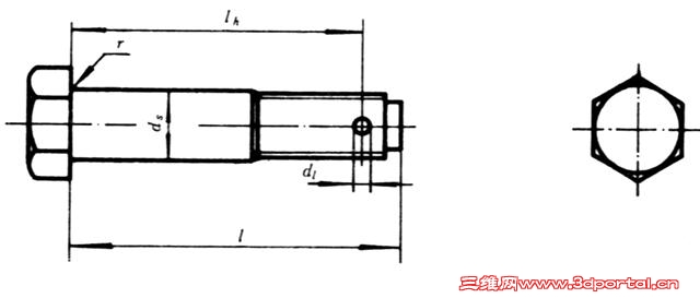
在PROE中,如何查找标准件。如下图中是一个六角螺栓,假如直径为6,长度为160MM,那么如何才能知道它的标准号呢? 截图1304688338.jpg 谢谢
发表于 2011-5-6 21:49:46 | 显示全部楼层 来自: 中国江苏徐州
直接6,长度160的螺钉标准里没有
头像被屏蔽
发表于 2011-5-7 12:13:19 | 显示全部楼层 来自: 中国浙江宁波
提示: 作者被禁止或删除 内容自动屏蔽
发表于 2011-5-8 22:27:51 | 显示全部楼层 来自: 中国陕西西安
当然是查手册咯
发表于 2011-5-9 08:43:25 | 显示全部楼层 来自: 中国江苏无锡
查查标准件手册!
发表回复
您需要登录后才可以回帖 登录 | 注册

本版积分规则


Licensed Copyright © 2016-2020 http://www.3dportal.cn/ All Rights Reserved 京 ICP备13008828号

小黑屋|手机版|Archiver|三维网 ( 京ICP备2023026364号-1 )

快速回复 返回顶部 返回列表