QQ登录

只需一步,快速开始

登录 | 注册 | 找回密码

三维网

 找回密码
 注册

QQ登录

只需一步,快速开始

展开

通知     

查看: 1846|回复: 7
收起左侧

[求助] 求助这个图的工艺。

[复制链接]
发表于 2011-5-10 10:50:45 | 显示全部楼层 |阅读模式 来自: 中国湖北

马上注册,结识高手,享用更多资源,轻松玩转三维网社区。

您需要 登录 才可以下载或查看,没有帐号?注册

x
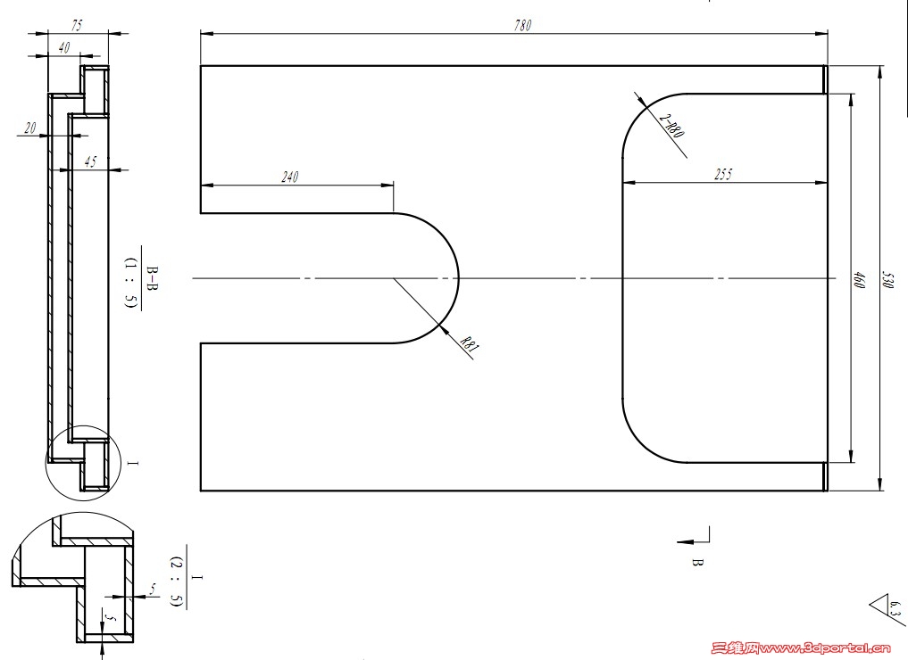
工程图我自己简单的做了一下,是5个厚的钢板焊成的一个盒子,里面要灌铅,
7 K( v% ]  Q. K1 X! K8 m4 F! p) p% X现在的问题是我下的工艺是各分件用等离子切割机割到尺寸,工人师傅不满意,说会割歪,
) |% E8 z1 t( m4 M/ N0 E9 W$ r他们焊的时候不方便,想要铣到尺寸再组焊,问题是这个数量都是单件,厚度只有5mm,* I4 E( b1 B; J
圆角也很大,请问要怎么办才好,我想用线切割,割出来正好都可能用,不浪费材料,不知道这样成本高吗?
1.jpg
2.jpg
3.jpg
发表于 2011-5-10 11:27:45 | 显示全部楼层 来自: 中国广东珠海
我看你这活也不是要求特高的,现在市面上有激光切割机加工的,割5CM不成问题,公差可以达到+-0.3左右,钣金件是可以允许的.其实只要每一个批量能保持一样就可以啦,线割肯定可以啦,不过成本太高了.再说你用铣床再加工,成本也很高吧
 楼主| 发表于 2011-5-10 11:30:45 | 显示全部楼层 来自: 中国湖北
2# sanwen1983 4 V2 s8 I, Q" v- j% r7 r
难道这个东西要外协,我们厂里只有等离子割,我觉得要求不高可以搞,焊工死活不愿意,哎。; T7 v$ w" ^4 o+ k! C
还有其它办法吗?
 楼主| 发表于 2011-5-10 11:31:24 | 显示全部楼层 来自: 中国湖北
2# sanwen1983 . n' o6 O& f- W6 C4 Y+ T* v; ?+ _
忘记说谢谢了,谢谢啊!
发表于 2011-5-10 15:08:56 | 显示全部楼层 来自: 中国辽宁丹东
等离子切割后有毛刺、边不齐焊接肯定困难,尺寸难保证:其实用线切割是最省事的,直接割到单件尺寸,也不像想象的那样贵,现在那设备挺常见的,我们公司要是遇到这样的件肯定去先切割:; O. V6 V2 w/ O9 Z
实在不行用等离子割完后,用角膜处理下我感觉也可以:
 楼主| 发表于 2011-5-10 16:29:10 | 显示全部楼层 来自: 中国湖北
5# zhao080723 # F7 E9 O& o' B5 a. u% A
! z" V+ h# }5 g3 ?: }1 R
工人是在刁难我吗?。。
发表于 2011-5-10 17:50:37 | 显示全部楼层 来自: 中国江苏常州
等离子切割的斜,建议用激光切割机加工,成本还可以
发表于 2011-5-10 22:23:48 | 显示全部楼层 来自: 中国山东济南
焊后变形较大,下料方式及公差都不是问题!
发表回复
您需要登录后才可以回帖 登录 | 注册

本版积分规则


Licensed Copyright © 2016-2020 http://www.3dportal.cn/ All Rights Reserved 京 ICP备13008828号

小黑屋|手机版|Archiver|三维网 ( 京ICP备2023026364号-1 )

快速回复 返回顶部 返回列表