QQ登录

只需一步,快速开始

登录 | 注册 | 找回密码

三维网

 找回密码
 注册

QQ登录

只需一步,快速开始

展开

通知     

全站
6天前
查看: 2845|回复: 10
收起左侧

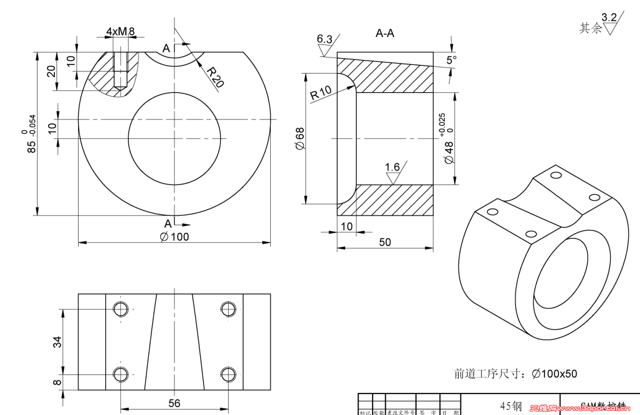
[求助] ugcam操作视频悬赏求助100三维币

[复制链接]
发表于 2011-5-17 06:28:33 | 显示全部楼层 |阅读模式 来自: 中国上海

马上注册,结识高手,享用更多资源,轻松玩转三维网社区。

您需要 登录 才可以下载或查看,没有帐号?注册

x
ugcam操作视频悬赏求助100三维币8 ]' `- a: `; \0 W9 N
根据图纸和模型文件求cam铣床编程视频?
QQ截图未命名.png

模型.rar

90.5 KB, 下载次数: 15

发表于 2011-5-19 09:51:17 | 显示全部楼层 来自: 中国江苏淮安
编程貌似没有难度,就是加工工艺注意一下就好!
 楼主| 发表于 2011-5-20 23:42:31 | 显示全部楼层 来自: 中国上海
期待高手出来解答一下。谢谢
发表于 2011-5-21 02:29:33 | 显示全部楼层 来自: 中国广东江门
这个东东,初步看一下要分三次才加工出来的哦。返几返。下了你的图档,要是明天有空做做。不过我是用PM的
 楼主| 发表于 2011-5-21 07:43:47 | 显示全部楼层 来自: 中国上海
好的呀、pm我没啥用。要不你详细的加工步骤帮我说说,想第一次加工的怎么选刀。刀具材料。进给量、还有加工之类的详细说说。视频就不要了。三维币还是归你。
发表于 2011-5-21 15:21:23 | 显示全部楼层 来自: 中国江苏苏州
不用车床全用cnc?
发表于 2011-5-21 18:22:29 | 显示全部楼层 来自: 中国贵州遵义
简单,2次OK ,先加工平面加孔,在上虎钳配合V性块,加紧,也不是什么高精度的东西,这样能保证位置度在0.04
发表于 2011-5-24 00:57:07 | 显示全部楼层 来自: 中国广东惠州
本帖最后由 hqzhuang 于 2011-5-24 01:00 编辑 ) f1 A# \2 F& ~3 E' v0 d

8 R. f/ {, ]2 x8 |' O7 Y哈哈,,俺又来了!!楼主你那图纸不对哦!!!!!!100直径没标公差,,85尺寸标4μm公差: n2 x) u9 n6 {: N
你觉得对吗????:p就连2D图纸都画错了!!!!!!!!!!!!!!!!!
发表于 2011-5-24 00:58:55 | 显示全部楼层 来自: 中国广东惠州
用做模具方法的就别试了。。
发表于 2011-5-24 14:26:57 | 显示全部楼层 来自: 中国江苏南京
看图纸那个R20,5°的斜孔少尺寸啊
发表于 2011-5-28 14:01:31 | 显示全部楼层 来自: 中国贵州毕节
这个奖项谁拿了没有啊 还有效吗?
发表回复
您需要登录后才可以回帖 登录 | 注册

本版积分规则


Licensed Copyright © 2016-2020 http://www.3dportal.cn/ All Rights Reserved 京 ICP备13008828号

小黑屋|手机版|Archiver|三维网 ( 京ICP备2023026364号-1 )

快速回复 返回顶部 返回列表