QQ登录

只需一步,快速开始

登录 | 注册 | 找回密码

三维网

 找回密码
 注册

QQ登录

只需一步,快速开始

展开

通知     

全站
6天前
查看: 2346|回复: 12
收起左侧

[已解决] 帮忙看看这个基准

[复制链接]
发表于 2011-5-19 19:28:26 | 显示全部楼层 |阅读模式 来自: 中国湖南长沙

马上注册,结识高手,享用更多资源,轻松玩转三维网社区。

您需要 登录 才可以下载或查看,没有帐号?注册

x
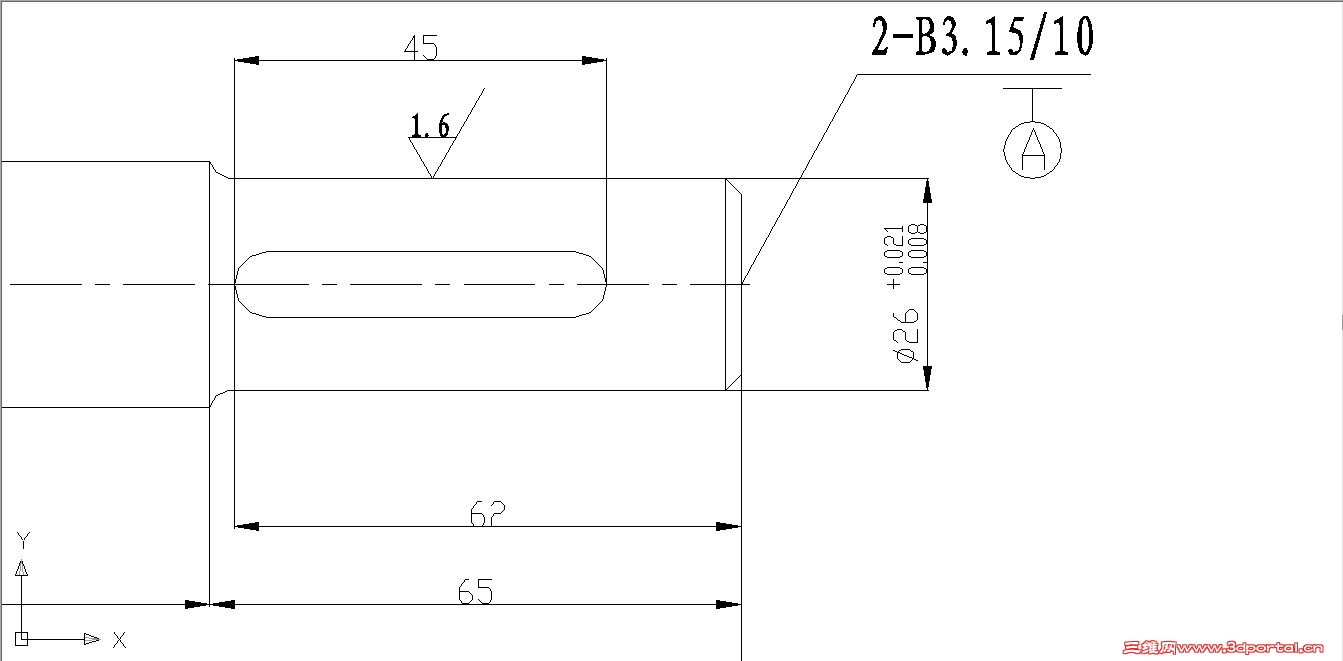
未命名1.jpg
' D' d8 j! p' B: q5 w, j) A4 X
# t# C8 r4 _; n' D# J. l' o这个A指代的是中心轴还是端面??A上面的标注是上面意思?
, {# d4 |# o2 ]) n+ J% b6 J小弟刚学,谢谢
发表于 2011-5-19 19:41:47 | 显示全部楼层 来自: LAN
中心轴,A上面的是端面顶尖孔的标记

评分

参与人数 1三维币 +2 收起 理由
plc + 2 技术讨论

查看全部评分

 楼主| 发表于 2011-5-19 19:50:02 | 显示全部楼层 来自: 中国湖南长沙
2# a114977445
+ C3 y# m9 @8 F+ [& y& Q4 d, D9 V6 G! n# P) m) }
0 o, f, F3 D4 N; t: P2 O* p! A
谢谢你的速度回复。。能把端面顶尖孔的标记的具体意义讲解一下吗???
发表于 2011-5-19 20:30:23 | 显示全部楼层 来自: 中国甘肃兰州
学习学习,我也不懂,呵呵
发表于 2011-5-19 21:08:41 | 显示全部楼层 来自: 中国江苏徐州
应该是中心轴,一般端面应有一直线段标记。
发表于 2011-5-19 21:43:57 | 显示全部楼层 来自: 中国上海
本帖最后由 lhf999 于 2011-5-19 21:49 编辑 & h' j0 d6 G  i) X$ I
1 s* X% {" f7 P& P* m
郁闷,楼主不知道也就算了,还有楼上几位竟然都不知道。
+ V  W" l- |/ }这是中心孔
3 A* u* v" `5 r' a# V% J( e* U- ^$ u  w3 C2 g
2-B3.15/8表示两个(分别在轴的两端)B型中心孔,尺寸参考贴图。基准符号挂在中心孔下,表示以中心孔为基准。
& I; F% _- t8 }% N5 L+ _
% e. ~0 x  v* x4 C. q9 n- @图中中心孔标注引出的应该是箭头。
zx1.jpg
zx2.jpg

评分

参与人数 1三维币 +2 收起 理由
plc + 2 技术讨论

查看全部评分

发表于 2011-5-20 08:31:56 | 显示全部楼层 来自: 中国辽宁丹东
车床顶车用的中心孔:
发表于 2011-5-20 08:50:52 | 显示全部楼层 来自: 中国河南新乡
B型中心孔(机械设计手册里面有),上面的三维元老讲的很到位。此图表示以中心孔为基准。
发表于 2011-5-20 14:49:29 | 显示全部楼层 来自: 中国上海
这种标注是基准基于中心孔,在这应该就是顶尖孔
发表于 2011-5-20 15:43:43 | 显示全部楼层 来自: 中国河北石家庄
这是车加工时开的顶尖孔,也是以中心轴为基准
发表于 2011-5-20 16:42:30 | 显示全部楼层 来自: 中国江苏无锡
应该是中心轴
发表于 2011-5-20 21:48:21 | 显示全部楼层 来自: 中国辽宁沈阳
学习了,是中心定位孔的标注方法
 楼主| 发表于 2011-5-20 23:00:18 | 显示全部楼层 来自: 中国湖南长沙
6# lhf999 * @' R7 |% q  c" `$ B
6 o$ H0 O* u( N+ f7 l
& Z# G* G( n4 w3 \/ ^

) z% {8 {& T4 X$ X" G  y& h+ p7 k9 d  q& C1 i0 }
高手啊!!谢谢你啦!!
发表回复
您需要登录后才可以回帖 登录 | 注册

本版积分规则

Licensed Copyright © 2016-2020 http://www.3dportal.cn/ All Rights Reserved 京 ICP备13008828号

小黑屋|手机版|Archiver|三维网 ( 京ICP备2023026364号-1 )

快速回复 返回顶部 返回列表