QQ登录

只需一步,快速开始

登录 | 注册 | 找回密码

三维网

 找回密码
 注册

QQ登录

只需一步,快速开始

展开

通知     

查看: 2915|回复: 12
收起左侧

[求助] 这个后钢板弹簧吊耳该如何设计夹具

[复制链接]
发表于 2011-5-20 00:38:23 | 显示全部楼层 |阅读模式 来自: 中国湖南长沙

马上注册,结识高手,享用更多资源,轻松玩转三维网社区。

您需要 登录 才可以下载或查看,没有帐号?注册

x
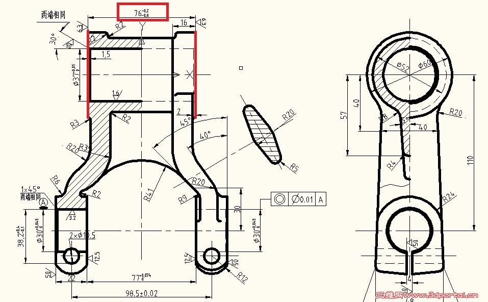
CA10B解放牌汽车后钢板弹簧吊耳,需要铣φ37圆两端面,保证尺寸76mm。由于这是第一个工序,只能自为基准。* Y+ y3 J0 Q/ v* b) g% t
9 I7 }' j# P9 r
想到铣完一个面若要拆下工件进行第二次装夹很麻烦,想了好久,也看了一些相关资料,实在想不出什么好方法~故向各位请教~
5 G1 Z/ b! }: t$ w3 h( A* d* d0 |+ O7 Z" U6 Z! ^% E3 \& J
能不能不用拆卸工件,直接旋转过来再夹紧加工呢?& q2 G7 u! U# ?- m5 i/ o
9 s, H8 ~7 [# B1 t. z$ M
这个夹具该如何设计??' M: X6 `/ M. n9 t. S# ^
  W9 t, b" E# z! ~( c0 _3 D& Q
希望各位能够指点一二~~要是有草图什么的就更好了~~
% H7 x9 w, J/ L! I/ S' B, w7 a% j) f( |6 K$ P4 k1 k* B% J7 @0 X
QQ截图20110520001952.jpg
发表于 2011-5-20 07:52:54 | 显示全部楼层 来自: 中国湖南岳阳
既然是汽车零件,肯定是大批量生产,为何不用专机两端同时铣削呢?
发表于 2011-5-20 13:48:38 | 显示全部楼层 来自: 中国江苏徐州
可以用下面的两个面为基准,做一个专用铣床同时加工76mm两个面,效率又高
发表于 2011-5-20 20:44:24 | 显示全部楼层 来自: 中国山东烟台
首先是机床的选择,你可以选择对头铣,或者卧铣用三面刃铣刀,76尺寸用隔套调整,剩下就是你定位的问题了,如何保证对中及余量均匀
 楼主| 发表于 2011-5-20 21:47:21 | 显示全部楼层 来自: 中国湖南长沙
3# lhj7103 不知你说的下面两个面是哪两个~~
 楼主| 发表于 2011-5-20 22:51:13 | 显示全部楼层 来自: 中国湖南长沙
4# mengfansheng 大批量生产,毛坯是锻件,硬度149~187HBS,选择专用铣床,对头铣。不知用V形块对中如何?该选哪个面作为定位面呢?还有夹紧力方向?
发表于 2011-5-22 10:46:52 | 显示全部楼层 来自: 中国山东青岛
6# 孤城恋
3 t) c: j$ j1 B% e这个毛坯是锻件???你确定?我愚钝,还以为是铸件
头像被屏蔽
发表于 2011-5-22 15:24:16 | 显示全部楼层 来自: 中国安徽芜湖
提示: 作者被禁止或删除 内容自动屏蔽
头像被屏蔽
发表于 2011-5-22 15:26:00 | 显示全部楼层 来自: 中国安徽芜湖
提示: 作者被禁止或删除 内容自动屏蔽
 楼主| 发表于 2011-5-22 18:38:48 | 显示全部楼层 来自: 中国湖南长沙
7# wxh19870121 对,材料是35钢。我是在校学生,搞课程设计,不想到网上找什么现成的资料,觉得自己琢磨比较好,但还是遇到很多问题,所以在这向各位讨教。
 楼主| 发表于 2011-5-22 18:40:44 | 显示全部楼层 来自: 中国湖南长沙
9# cun 我的邮箱:448511399@qq.com      我的QQ:448511399。望能指点一二!
发表于 2011-5-23 17:17:46 | 显示全部楼层 来自: 中国陕西西安
我觉得楼主最好还是先弄清楚怎么装夹,选用什么设备,选用什么刀具,材料到底是锻还是铸,毛坯图什么样子,之后再来提问吧,呵呵
发表于 2011-6-10 13:55:07 | 显示全部楼层 来自: 中国浙江杭州
这种毛坯基本是锻件,楼主可以在双面镗上做这两个面,而且下面两个耳孔也是要在这个机床上做的,
发表回复
您需要登录后才可以回帖 登录 | 注册

本版积分规则


Licensed Copyright © 2016-2020 http://www.3dportal.cn/ All Rights Reserved 京 ICP备13008828号

小黑屋|手机版|Archiver|三维网 ( 京ICP备2023026364号-1 )

快速回复 返回顶部 返回列表