QQ登录

只需一步,快速开始

登录 | 注册 | 找回密码

三维网

 找回密码
 注册

QQ登录

只需一步,快速开始

展开

通知     

查看: 1718|回复: 3
收起左侧

[求助] 20辊轧机液压压下动作?

[复制链接]
发表于 2011-5-21 13:35:50 | 显示全部楼层 |阅读模式 来自: 中国江苏无锡

马上注册,结识高手,享用更多资源,轻松玩转三维网社区。

您需要 登录 才可以下载或查看,没有帐号?注册

x
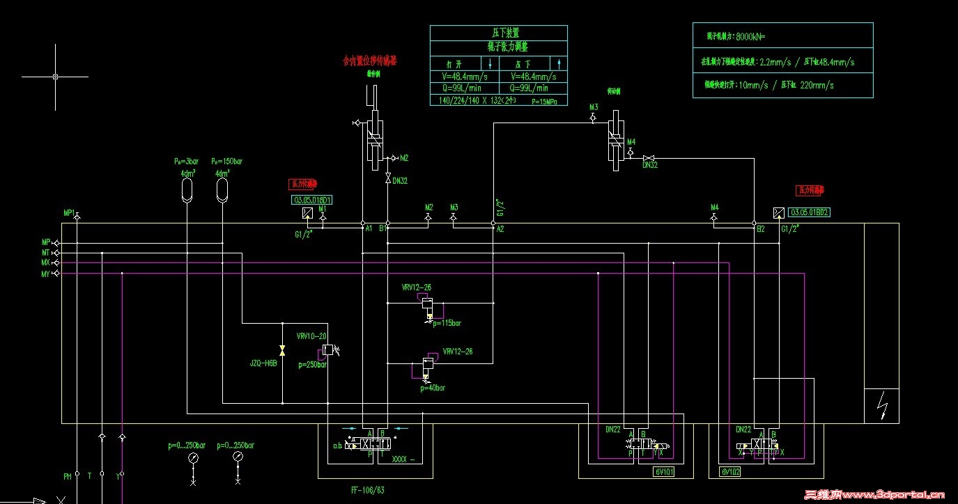
图中是20辊轧机液压压下原理图,谁能根据图讲解下压下有哪些动作及对应的阀的动作
: f* O2 j- e. @$ w# l 1 E! X/ M9 H- Z- @/ d, \- w
附件为DWG原理图& B7 c- j0 a% O6 U4 Z( F

4 D; x7 {) _- B& | 未命名.jpg
) `' _4 n0 \, W3 e$ ?$ h0 U

压下.rar

191.52 KB, 下载次数: 7

发表于 2011-5-22 08:31:06 | 显示全部楼层 来自: 中国江苏南通
是20辊吗?5 W: V, H' i; N# E( g- v' B
& f" f! ^/ E. r/ O% f: }* F( v" Y
轧什么材料?" m5 w3 `$ u3 g% C5 E8 t5 C7 f
" z9 X2 g/ J5 m( n1 g2 |
PH压力油过来,经过伺服阀控制缸压下。6V102右边通电,油回T口
8 H4 s+ ?/ }, u0 ?" F! @$ \9 H两个减压阀啥用
 楼主| 发表于 2011-5-22 08:55:28 | 显示全部楼层 来自: 中国江苏无锡
本帖最后由 chyun1984 于 2011-5-22 09:14 编辑 1 ?4 G' P+ b" C, R# z
是20辊吗?/ B2 e5 [/ m. u( n& c( O

+ o: Z4 x  _% B/ W+ L轧什么材料?
, }2 @+ @5 O9 C# @3 g* j' t7 }
# I! L) E( D; u( V* G1 a+ f9 ^0 ePH压力油过来,经过伺服阀控制缸压下。6V102右边通电,油回T口- O9 r0 x" \9 U  C$ v
两个减压阀啥用
& h  m) D' I% K7 I9 t4 S1 F自流井 发表于 2011-5-22 08:31 http://www.3dportal.cn/discuz/images/common/back.gif
3 r; `, l2 N$ {+ R
5 {+ G7 }5 i, I7 M# Y8 o9 ]
轧机为森吉米尔二十辊轧机  仿制的
4 u0 u2 H7 ~* B3 z* s$ p
扎薄板 0.3-1mm
  Y# L9 q1 A/ G! w' k
不是减压阀 是两插装溢流阀
我知道的是中间电磁换向阀是快速打开,右边换向阀左边得点是锁辊
刚开始做轧机上面的东西,对轧机动作不太了解,我想知道在压下部分包含哪些动作
发表于 2011-5-23 09:30:05 | 显示全部楼层 来自: 中国江苏南通
对动作我也不太了解
" B1 E- \' Q2 w/ ]" i1 k* v2 ]5 [4 f9 J3 L0 {3 }
什么时候下,什么时候锁应是主机的要求
发表回复
您需要登录后才可以回帖 登录 | 注册

本版积分规则


Licensed Copyright © 2016-2020 http://www.3dportal.cn/ All Rights Reserved 京 ICP备13008828号

小黑屋|手机版|Archiver|三维网 ( 京ICP备2023026364号-1 )

快速回复 返回顶部 返回列表