QQ登录

只需一步,快速开始

登录 | 注册 | 找回密码

三维网

 找回密码
 注册

QQ登录

只需一步,快速开始

展开

通知     

查看: 2247|回复: 8
收起左侧

[求助] 你个圆弧面如何加工

[复制链接]
发表于 2011-6-4 22:56:04 | 显示全部楼层 |阅读模式 来自: 中国浙江绍兴

马上注册,结识高手,享用更多资源,轻松玩转三维网社区。

您需要 登录 才可以下载或查看,没有帐号?注册

x
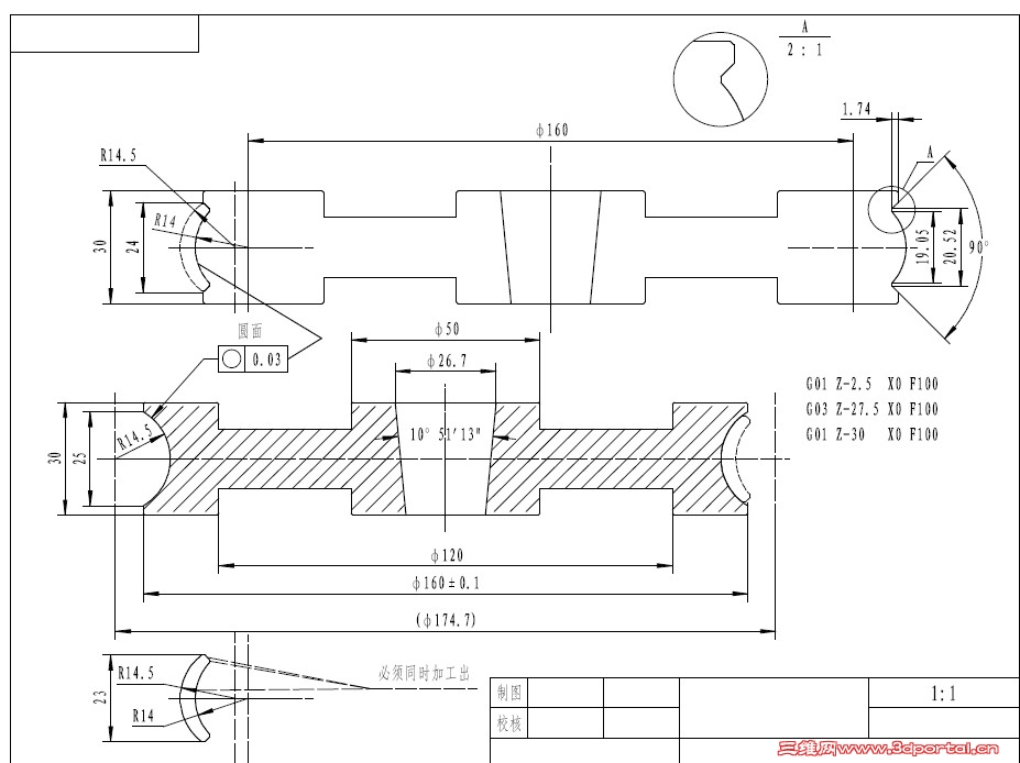
主要是这个圆弧面,有朋友会说,这个只要数控加个一个就行了,但我一直加工不好,请高手们指点一下,让我节省点时间出来,这个主要是磨产品用的,不是产品,公司里是沈阳数控,朋友如可以,帮下写个程序。发到ZYF98511@163.COM

F_工作件_私_9W_rt_CSMNW090407N.pdf

18.25 KB, 下载次数: 9

发表于 2011-6-8 14:55:20 | 显示全部楼层 来自: 中国辽宁沈阳
上图啊,下载要流量。
发表于 2011-6-8 17:13:27 | 显示全部楼层 来自: 中国湖南岳阳
贴图。表述好像不明白。
1.jpg
 楼主| 发表于 2011-6-20 13:35:52 | 显示全部楼层 来自: 中国浙江绍兴
加工的产品是个基体,是用在磨床上的砂轮,最下面的是产品,上面二个是凹/凸面基体,我是要好何才能加工出圆弧。
 楼主| 发表于 2011-6-20 13:39:40 | 显示全部楼层 来自: 中国浙江绍兴
用什么机器加工,因为这个圆弧的要求高,表面镀金刚砂的,去磨产品,其实现在的尺寸我以从原来的R14变到R14.4,另一个R14.5到14.9,镀层为0.4
发表于 2011-6-20 20:22:39 | 显示全部楼层 来自: 中国广东佛山
汗一个,我都没能看出是个怎么样的东西
发表于 2011-6-20 22:08:08 | 显示全部楼层 来自: 中国重庆
你图中的虚线部分是镀层吗?R可以用光学工具曲线磨加工。
发表于 2011-6-26 10:44:41 | 显示全部楼层 来自: 中国黑龙江哈尔滨
圆度要求0.03mm不高呀!!一般的数控设备都可以达到的。
+ T  }7 S' H5 _, `" X7 v$ y唯一的技术问题就是凸模的两端清根的问题。
% X% s# m1 P$ ~! y/ e可以采用对中的30°角的车刀加工。
发表于 2011-7-6 22:17:18 | 显示全部楼层 来自: 中国江苏苏州
有一种设备,叫做数控车
发表回复
您需要登录后才可以回帖 登录 | 注册

本版积分规则


Licensed Copyright © 2016-2020 http://www.3dportal.cn/ All Rights Reserved 京 ICP备13008828号

小黑屋|手机版|Archiver|三维网 ( 京ICP备2023026364号-1 )

快速回复 返回顶部 返回列表