QQ登录

只需一步,快速开始

登录 | 注册 | 找回密码

三维网

 找回密码
 注册

QQ登录

只需一步,快速开始

展开

通知     

全站
6天前
查看: 4940|回复: 27
收起左侧

[已答复] 求助啊求助,这张图里面的基准我就是理解不了,特此请教!

 关闭 [复制链接]
发表于 2011-6-7 17:14:55 | 显示全部楼层 |阅读模式 来自: 中国香港

马上注册,结识高手,享用更多资源,轻松玩转三维网社区。

您需要 登录 才可以下载或查看,没有帐号?注册

x
本帖最后由 sprif 于 2011-6-7 20:41 编辑
$ z) L1 u% I: S' V6 ?! l2 n8 k; U% k, f- K
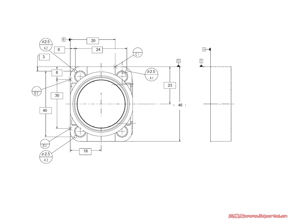
我想弄清楚这张图是怎么加工的,这是一张铸件的机加图。无关的特征和尺寸我抹掉了。我的理解是,基准定位面A1,A2,A3确定基准面A,基准定位线B1,B2确定基准面B,基准定位线C1确定基准面C,我想我的理解应该是对的。可是我无法理解的是,图中为什么有那么多的基本尺寸,都是干什么用的,A1,A2,A3的位置是由基准面C和基准面B靠基准尺寸确定的吗?可是按顺序排,基准面C应该是靠基准面A和B确定的啊?真的是一团糊涂。求解释。
datum.jpg
发表于 2011-6-7 18:47:04 | 显示全部楼层 来自: 中国江苏南京
你这图不应该只有一个视图吧?
发表于 2011-6-7 18:49:56 | 显示全部楼层 来自: 中国江苏南京
ABC就如三维坐标里的XYZ一样 缺一不可
0 v# D1 h, V" S: ]1 L0 C- i你看下三维坐标的示意图就明白了

评分

参与人数 1三维币 +2 收起 理由
plc + 2 技术讨论

查看全部评分

 楼主| 发表于 2011-6-7 19:49:02 | 显示全部楼层 来自: 中国北京
虽然您说了,可我还是不明白,可能我太笨了!
发表于 2011-6-7 20:07:46 | 显示全部楼层 来自: 中国江苏南京
立体几何学过吧?
1.jpg
发表于 2011-6-7 20:11:06 | 显示全部楼层 来自: 中国江苏南京
实际上说的这些对你加工没有意思 总之 你的理解是对的 0 v8 b& h1 F- Z, L
不过不能说因为AB有了 就可以放弃C基准什么之类的话

评分

参与人数 1三维币 +2 收起 理由
plc + 2 技术讨论

查看全部评分

 楼主| 发表于 2011-6-7 20:23:44 | 显示全部楼层 来自: 中国北京
本帖最后由 wakang 于 2011-7-24 19:53 编辑
4 t/ ^4 ~/ Y! o4 m$ _2 m+ g
5 S! p( k. Z' M9 J! A, [忘了说的:右边的小图是右视图,别的视图这里不需要。
; l- p. J& K# z5 A  @6 N
# u5 W8 e3 }2 Z1 R' F3 ^可是我的问题是,A基准是怎么来的呢?您能直接讲吗?+ T% q* G7 ^7 W6 O4 b
主视图最左边的基本尺寸“3”是从C基准面到A1基准定位面的距离吗?可是这时我们还没有A基准呢,怎么已经有了C基准了呢?
) t- P5 l7 L+ }+ x: isprif 发表于 2011-6-7 20:26 http://www.3dportal.cn/discuz/images/common/back.gif
- F, I* s( a4 @2 ?/ G: A

7 {9 u/ N$ L8 d9 n0 \
您的那个图我看不懂,不知道您要表达什么意思,实在抱歉!$ n% n: w- r6 E: B
sprif 发表于 2011-6-7 20:28 http://www.3dportal.cn/discuz/images/common/back.gif
发表于 2011-6-8 06:17:53 | 显示全部楼层 来自: 中国江苏南京
你现在所给的视图里的尺寸基本上是以C和B为基准的
/ X$ }8 \5 J( }  H2 W4 z) t那个出现A标注的是形位公差 :也许是同心度或者平行度 具体要看你这是那个国家的图纸 参照相应的标准
发表于 2011-6-8 08:26:14 | 显示全部楼层 来自: 中国上海
全都是带方框的理论准确尺寸,哪有这样标注的,你去问问画这张图的,带方框表示什么意思吧。
 楼主| 发表于 2011-6-8 09:57:20 | 显示全部楼层 来自: 中国香港
美国的图纸。
+ l/ e5 k, v9 v% j我能问画图的我就不用来这里了啊。
发表于 2011-6-8 10:17:42 | 显示全部楼层 来自: 中国上海
美国的图纸。
- L; ~  Z! g( |" k8 B6 e: {我能问画图的我就不用来这里了啊。
* z% H1 k7 E6 \" w( n8 Vsprif 发表于 2011-6-8 09:57 http://www.3dportal.cn/discuz/images/common/back.gif
' i8 [2 t, R9 s# ^. e4 g- j# h% a: j

& o* _7 |% c6 _" p6 }3 s( s  X美国的铸件图参考标准ASME Y14.8M-1996《铸件和锻件》,标准中很多图例都像您给出的图中尺寸带方框的,应该能找到其含义说明的。
+ ^2 Z  ?4 E6 x4 x8 i. a5 U6 B4 Rhttp://www.3dportal.cn/discuz/viewthread.php?tid=529669

评分

参与人数 1三维币 +2 收起 理由
天际孤帆 + 2 鼓励交流

查看全部评分

 楼主| 发表于 2011-6-8 11:04:19 | 显示全部楼层 来自: 中国香港
本帖最后由 wakang 于 2011-7-24 19:49 编辑 . |! u# E  u  S; b: o' E- R
- b$ r% J- ]" B1 J& `
多谢楼上,我正在看!9 C  F  u& z" w& Q1 p+ k
14.8我大概看完了,还是没有找到这种类型的基准标注。我的理解是:先用未加工表面作为粗基准确定A精基准,然后B精基准,C精基准。: ]& V  _* W+ j* W6 c
sprif 发表于 2011-6-8 11:37 http://www.3dportal.cn/discuz/images/common/back.gif
发表于 2011-6-10 20:21:25 | 显示全部楼层 来自: 中国宁夏中卫
眼睛不好,你的图标识太小了,看不清楚呀
发表于 2011-6-11 12:47:52 | 显示全部楼层 来自: 中国天津
基准A、B、C是给铸造人员当基准用的,铸造很难用φ2.5孔作基准的,设计人员为了铸造和机加工工艺性好,就选择了三个面。根据这个产品外形利用B、C基准和铸造余量先把A基准变成精基准,再利用精基准A铸造基准B、C加工精基准A1、A2、A3、B1、B2、C1等尺寸的。这样机加工的基准就统一了。每个方框尺寸应该有形位公差,都被你删除了吧。

评分

参与人数 1三维币 +2 收起 理由
plc + 2 技术讨论

查看全部评分

发表于 2011-6-11 21:21:40 | 显示全部楼层 来自: 中国河南焦作
“可是按顺序排,基准面C应该是靠基准面A和B确定的啊?”  ABC三个基准相互独立,并不像你理解的有顺序关系
发表于 2011-6-14 07:49:33 | 显示全部楼层 来自: 中国浙江宁波
A B C 3个基准 的交点都在左上角必然最开始的基准点就是该交点。同时A1 A2 A3直径2.5孔估计是以后的工艺孔 当然以A为基准。 去掉23 和18  2个设计基准。剩下的尺寸都是按A B C基准出的。

评分

参与人数 1三维币 +2 收起 理由
plc + 2 技术讨论

查看全部评分

发表于 2011-6-14 19:36:19 | 显示全部楼层 来自: 中国上海
本帖最后由 cadit 于 2011-6-14 19:37 编辑
' _4 a3 g, o7 K% b# |1 D8 \" j! |, j, ]$ \; ^! d) D) D, b: {
唉,怎么就没有人知道呢?
- g/ k" z1 t' h, s( v, n; T
9 a$ e. _: }& j8 h5 v不知道那位同学能出手画一下这张图纸的定位工装。画完了大家都知道这是怎么回事了。4 h+ G& [( D1 ~1 _& a1 H* i$ O# C4 C

0 m/ y  ~! X. B- ]* C$ H* I( C7 n加一句话,这个标注绝对符合标准,没有任何问题,无论GB、ISO还是ASME,都有这种标法,图中的基准目标,理论正确尺寸都没错。

评分

参与人数 1三维币 +2 收起 理由
plc + 2 技术讨论

查看全部评分

发表于 2011-6-15 13:51:58 | 显示全部楼层 来自: 中国江苏苏州
没看到过这种类型的图啊 ,见识了
发表于 2011-6-16 22:35:41 | 显示全部楼层 来自: 中国上海
在你的图中:2 Y( ~7 d. ^4 M4 G" c, c+ W- A
1. A1,A2,A3是三个目标基准,目标区域为直径2.5的圆。用这三个目标基准(相当于三个点),就能得到一个平面,这个平面就是基准A(说明:严谨的设计人员,应该在图纸上加上:A=A1+A2+A3)& E4 s8 {- ?8 X& ~9 _7 i+ O, z8 ]
2. B1,B2是两个类型为点的目标基准。用这两个点就能构成一条线,就能得到基准B(说明:严谨的设计人员,应该在图纸上加上:B=B1+B2)
0 w$ G' s' m+ T$ ~! a* C3. C1是类型为点的目标基准。这个点就是基准C(说明:严谨的设计人员,应该在图纸上加上:C=C1)
0 C& }0 X* x: P3 _2 g' A5 o4. 图中你有疑问的这些理论正确尺寸,其实应该是带公差带的尺寸,这些尺寸用于在这个零件上找到这些目标基准。因为还没有基准出来,所以不可能用到理论正确尺寸。  Y) j$ U# c8 l3 k
2 W7 M- y$ q6 Z/ @. t1 i% F. Q; Y0 R
希望你能理解。如果有任何疑问,请留言。

评分

参与人数 1三维币 +2 收起 理由
plc + 2 技术讨论

查看全部评分

发表于 2011-6-16 23:50:49 | 显示全部楼层 来自: 中国上海
楼上的理解有误:) R6 g, H& C0 i# n0 }( W
1。注了A1、A2、A3,没有必要再注A=A1+A2+A3: D1 l. `: F. o. }& a9 f4 D7 p
2.一般情况下,B1、B2不是点,至少在这张图上没看出来,如果是点,那未右视图上还会有理论正确尺寸. b4 Q  \9 D7 D/ k3 \1 P7 c
3。基准的理论正确尺寸与公差无关,只是确定基准目标的位置,而且是在三基面下。
3 J: Z& z: E; m; P) P( s; z7 }0 c; I# U
有关这些,请参照GB1182,ISO1101,ASME Y14.5m
发表于 2011-6-17 11:33:47 | 显示全部楼层 来自: 中国山东日照
本帖最后由 wakang 于 2011-10-9 19:26 编辑
% c- X) n# J9 ^* F5 Y$ F' E
/ v& p* v2 i$ @5 J: Z9 Q1 y我是这样理解的9 Z1 x3 F' O- Z
工序1:加工a面,他是b和c的基准,也是装夹基准,a加工完后再加工c和b。9 T2 P) x: U6 `, i# N( X: t, c1 V
工序2:位置不同,加工轴套下面的凸台。
2 ~# s2 Q6 n6 i7 k! n3 H0 ~工序3:位置不同,加工2.5的孔,先加工A1,以A1为基准量取尺寸加工A2,然后以A2为基准量取尺寸加工A3(从图上看这三个孔有位置要求)3 b5 h3 v) k5 c* `' H1 d; f
工序2:以a,b,c为基准加工轴套(不知不是不),轴套的轴线有位置要求。9 S3 t/ e9 }7 Z4 q
应该是位置不动,你在什么床子上加工,简单机床还是有专用夹具的机床,这个我认为应该是一次装夹完成所有工序。另外,这是一个全封闭尺寸链,要求加工精度高。我是这样认为的,希望对你有帮助。
. ^3 b1 x4 ]3 Y, z. ^; lgzfzgl 发表于 2011-6-17 11:36 http://www.3dportal.cn/discuz/images/common/back.gif
发表于 2011-6-17 22:35:34 | 显示全部楼层 来自: 中国上海
23# cadit
  {' R8 z3 M* y; p) F
" w8 t3 B, s8 d# ^! Y" o1 U# U
1 p6 a# [9 m& l3 h' P0 J. u回复23楼:& w1 ~# Q9 j8 c. ~) r# q1 z
8 d, a+ a2 s5 `8 W% M  Q" E7 F
在任何一张图纸上,不同的字母代表的是不同的含义。在这张图纸里,不能想当然认为A就是由A1,A2,A3构成,因为完全有可能就是四个不同的基准。技术的语言一定要明确。" C5 \: N8 e) {, t- D4 X5 k
9 G+ Q4 ~" ?1 ^# ?4 c2 T1 X2 E
另外,你知道理论正确尺寸怎么测量吗?没有基准,你怎么去测理论正确尺寸啊?用什么测量吗?从哪里开始去测量啊?
, I3 w2 W- B5 x0 P  {6 C2 P8 Z6 c" [5 t. z2 @1 C6 Z' ~
不要只看标准,更要理解零件的功能,我们标注图纸一定要从功能出发,标准只是辅助我们更好的、用大家都懂的语言把我们的设计思想明确的体现出来。

评分

参与人数 1三维币 +2 收起 理由
天际孤帆 + 2 鼓励交流

查看全部评分

发表于 2011-6-18 22:16:22 | 显示全部楼层 来自: 中国上海
呵呵,那么要标准做什么?, k! u1 o) X+ f7 \- Q
" ~( v  e- K) p  q( a# S
你所要的功能,怎么表达?只能用工程语言来表达。; a0 N$ m" }: r1 F5 Y

. v7 |3 t+ x1 z% a至于所谓的A1,A2。这类都是有规定的,无论中外标准都这样标,这才是不能想当然的东西。
发表于 2011-6-20 16:20:59 | 显示全部楼层 来自: 中国河南郑州
回复24#,其他的我不想说,只是说说工序3,图纸上哪里有直径2.5的孔?这2.5只是三个目标基准点A1、A2、A3所在的位置,并不代表这里有三个孔,外国人这样的标注很多,请看下面这张图,难道也是三个直径12的孔?
aa.jpg
发表于 2011-6-21 23:11:04 | 显示全部楼层 来自: 中国上海
图纸是工程的语言,语言就有语法等,这就是规范,就是标准。
# `% X, V8 U% h5 ?/ j4 ?
" n" Z( G8 v- l6 S, Q" J& t' [说实话,上面有好多朋友根本就没好好看到标准,规范,也不了解GD&T,并根据感觉在判断,最后才会看不懂图纸,或产生岐意。7 Z' I5 _1 _, [6 a
( I# V( A, t( @
真心建议大家好好坐下来看看标准。  z7 u6 Z; [3 [! g' t* P5 V" j4 v
ISO标准: 1101(几何公差),5459(基准和基准体系)
* ?" V8 T! Q- cGB标准: 1182(几何公差),18751(基准和基准体系)9 z) s. O& a4 }% a; p! q0 }
ASME标准(美标): y14.5m
发表回复
您需要登录后才可以回帖 登录 | 注册

本版积分规则

Licensed Copyright © 2016-2020 http://www.3dportal.cn/ All Rights Reserved 京 ICP备13008828号

小黑屋|手机版|Archiver|三维网 ( 京ICP备2023026364号-1 )

快速回复 返回顶部 返回列表