QQ登录

只需一步,快速开始

登录 | 注册 | 找回密码

三维网

 找回密码
 注册

QQ登录

只需一步,快速开始

展开

通知     

查看: 1863|回复: 4
收起左侧

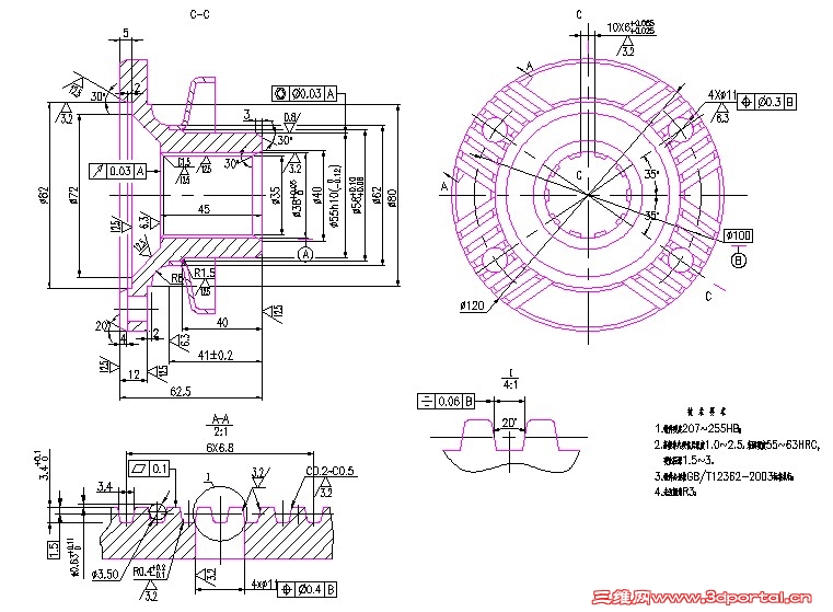
[求助] 这个零件端齿加工用普通卧铣怎么样

[复制链接]
发表于 2011-6-11 17:02:48 | 显示全部楼层 |阅读模式 来自: 中国河南洛阳

马上注册,结识高手,享用更多资源,轻松玩转三维网社区。

您需要 登录 才可以下载或查看,没有帐号?注册

x
求助各位:公司目前只有立式加工中心,且任务较重。手头有如下零件端面齿槽。常规方法用拉刀加工。现因批量小(60件),工期紧。想用盘铣刀配合工装在普通卧式铣床上加工。夹角靠工装保证。又担心槽间距精度达不到。各位帮忙看看,可以加工出合格产品吗?
1.jpg
发表于 2011-6-11 18:18:09 | 显示全部楼层 来自: 中国江苏常州
可以考虑定制成型铣刀,立式加工中心和铣床都可以用。

评分

参与人数 1三维币 +2 收起 理由
mengfansheng + 2 应助

查看全部评分

发表于 2011-6-11 20:47:21 | 显示全部楼层 来自: 中国山东烟台
用盘铣刀应该可以,至于间距可以通过加调整垫来控制
发表于 2011-6-13 10:22:51 | 显示全部楼层 来自: 中国山西太原
1  槽间距图中并没有给出公差要求,若如有不太高的要求可以保证,移动工作台与固定不动部分可用深度游标卡尺测量(测量误差0.05mm)。
+ `7 K: x/ B2 \$ P2  位置度和平面度公差较大,可以很容易达到。槽的对称度要求较高,只要刀具角度的对称度磨准确,对刀时精心测量,也可以达到要求。
 楼主| 发表于 2011-6-15 08:20:10 | 显示全部楼层 来自: 中国河南洛阳
谢谢gaoyns!我问了操作的工人,他说槽间距的精度保证没问题。等实际加工在说吧!谢谢各位的回复!
发表回复
您需要登录后才可以回帖 登录 | 注册

本版积分规则


Licensed Copyright © 2016-2020 http://www.3dportal.cn/ All Rights Reserved 京 ICP备13008828号

小黑屋|手机版|Archiver|三维网 ( 京ICP备2023026364号-1 )

快速回复 返回顶部 返回列表