QQ登录

只需一步,快速开始

登录 | 注册 | 找回密码

三维网

 找回密码
 注册

QQ登录

只需一步,快速开始

展开

通知     

查看: 2244|回复: 5
收起左侧

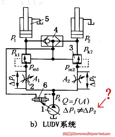
[分享] Rexroth LUDV负载独立流量分配控制系统详解

[复制链接]
发表于 2011-6-12 16:08:55 | 显示全部楼层 |阅读模式 来自: 德国

马上注册,结识高手,享用更多资源,轻松玩转三维网社区。

您需要 登录 才可以下载或查看,没有帐号?注册

x
力士乐LUDV负载独立流量分配控制系统详解.rar (159.54 KB, 下载次数: 78)
发表于 2011-6-13 09:44:32 | 显示全部楼层 来自: 中国贵州黔西南布依族苗族自治州
现在LUDV很时兴,楼主的资料很好。
发表于 2011-6-13 13:12:39 | 显示全部楼层 来自: 中国辽宁本溪
只是一篇文章。2 Y% J8 X1 A0 _+ K' A$ X
贴图截自该文。) [# m/ ?$ r9 A
作者也太“认真”了。
LUDV.JPG
发表于 2011-8-11 22:08:24 | 显示全部楼层 来自: 中国浙江杭州
谢谢楼主的资料
发表于 2011-8-13 05:22:13 | 显示全部楼层 来自: 委内瑞拉
谢谢,喜欢研究力士乐系统
发表于 2011-8-14 18:27:47 | 显示全部楼层 来自: 中国辽宁鞍山
谢谢楼主好好的学习下
发表回复
您需要登录后才可以回帖 登录 | 注册

本版积分规则


Licensed Copyright © 2016-2020 http://www.3dportal.cn/ All Rights Reserved 京 ICP备13008828号

小黑屋|手机版|Archiver|三维网 ( 京ICP备2023026364号-1 )

快速回复 返回顶部 返回列表