QQ登录

只需一步,快速开始

登录 | 注册 | 找回密码

三维网

 找回密码
 注册

QQ登录

只需一步,快速开始

展开

通知     

查看: 3039|回复: 23
收起左侧

[已答复] 小弟 不才 恳请各位 献高招 搞定这个零件的检测

[复制链接]
发表于 2011-6-19 17:23:57 | 显示全部楼层 |阅读模式 来自: 中国黑龙江哈尔滨

马上注册,结识高手,享用更多资源,轻松玩转三维网社区。

您需要 登录 才可以下载或查看,没有帐号?注册

x
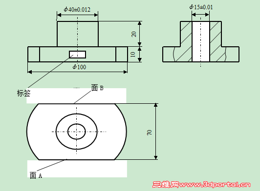
二、 自动检测项目
' o, L8 ]& M! g* y! p, A+ a2 z7 |1)孔是否已加工?
( {4 @  I9 h* B  m0 _% b) h2)面AB是否已加工?
- e* l( W1 a) B3)孔φ15±0.01精度是否满足要求?
; e+ y' S. \- z: E$ P* T7 m4)凸台外径φ40±0.012精度是否满足要求?
9 Q; Z9 w# i2 |) i& u$ n$ R5 Q5)零件质量20±0.01kg是否满足要求?3 j) i: _% F7 {7 k4 H$ T
6)产品标签(白色)是否帖正或漏帖?
; B6 w- I) A' l4 k7)如果不合格将其剔除到次品箱;) I+ N+ v4 j2 U6 F/ `8 I/ P6 ?) H
8)对合格产品和不合格产品进行计数。
+ d: U( O& y+ m7 a0 o' S9 P( `7 }图片在附件
QQ截图未命名.png
发表于 2011-6-19 17:29:15 | 显示全部楼层 来自: 中国江苏常州
什么叫自动检测,要说明白的。
发表于 2011-6-20 00:08:49 | 显示全部楼层 来自: 中国河南焦作
这是厂里的实际题目,还是学校的设计题目?不会是老师给的毕业设计题吧?什么材质?
发表于 2011-6-20 09:23:46 | 显示全部楼层 来自: 中国辽宁盘锦
多高级的检测仪器啊
发表于 2011-6-20 09:25:14 | 显示全部楼层 来自: 中国湖北武汉
首先用称重法去除未加工的(一般是偏重)和加工过头的(偏轻),再通过自动输送线排列方向后用两滚轮测头检AB面;光电探头同时检孔是否有,下一步在线三座标检孔径和外圆,最后贴标(可以加光电反光检测)。
发表于 2011-6-20 09:31:54 | 显示全部楼层 来自: 中国浙江
自动测量?生产节拍是多少?
 楼主| 发表于 2011-6-20 10:01:16 | 显示全部楼层 来自: 中国黑龙江哈尔滨
所谓自动检测就是不需要人工检测 主要检测工作完全靠机器流水线完成) w- I- e1 @& ~# X) A
2# ftgww123
 楼主| 发表于 2011-6-20 10:01:47 | 显示全部楼层 来自: 中国黑龙江哈尔滨
一般精度就可以 不需太高 4# 阿帕奇
 楼主| 发表于 2011-6-20 10:02:25 | 显示全部楼层 来自: 中国黑龙江哈尔滨
节拍自定 自动检测 6# cadit
 楼主| 发表于 2011-6-20 10:03:06 | 显示全部楼层 来自: 中国黑龙江哈尔滨
谢谢 如果能具体点就更好了 5# j.chen404

评分

参与人数 1三维币 -3 收起 理由
天际孤帆 -3 本版块不支持如此回帖方式,减除7#、8#、9#不当得分。

查看全部评分

发表于 2011-6-20 10:20:12 | 显示全部楼层 来自: 中国江苏南京
二、 自动检测项目
/ [/ j5 ], u+ j( t( p(1)孔是否已加工?----用光电检测' h2 _5 S& z! S4 m! S7 n9 ], X( \
(2)面A和B是否已加工?----可用通过法或光电检测" O1 Q, \4 T: H3 {
(3)孔φ15±0.01精度是否满足要求?: B" x/ c2 \+ I$ X- P
(4)凸台外径φ40±0.012精度是否满足要求?* m0 X% T+ e$ ?0 f% O
----此二项的检测要求较高,可用机械手夹持量规测量,也可用摄像机(视觉机器)---成本也会较高
- C# Z" E3 p1 ?) L. h0 F(5)零件质量20±0.01kg是否满足要求?--这可用称重法
- P- }3 W, g4 N7 `, ?6 ]$ N0 G(6)产品标签(白色)是否帖正或漏帖?--可用摄像机(视觉机器); x5 c' X* A7 w" p( x7 s$ _, ?6 a
(7)如果不合格将其剔除到次品箱;这个可在得到上述任何一种检测后,得用PLC的一个输出实现
# ?- q* [, Q9 V) f5 S2 d; b(8)对合格产品和不合格产品进行计数。在控制系统的工控机或PLC里设置计数功能。  {0 g; }# h2 M4 c5 b
但1、生产节拍是多少?2、投资多少?
 楼主| 发表于 2011-6-20 11:06:26 | 显示全部楼层 来自: 中国黑龙江哈尔滨
感谢感谢 11# wahg

评分

参与人数 1三维币 -1 收起 理由
天际孤帆 -1 本版块支持技术交流,简单的感谢帖没有意义,减,不当得分。

查看全部评分

头像被屏蔽
发表于 2011-6-20 14:50:29 | 显示全部楼层 来自: 中国广东深圳
提示: 作者被禁止或删除 内容自动屏蔽
发表于 2011-6-20 17:09:22 | 显示全部楼层 来自: 中国广东东莞
(3)孔φ15±0.01精度5 z1 s# m4 }- v; q: w( x
(5)零件质量20±0.01kg是否满足要求?
5 P% c6 X! e8 r+ \1 W1 s% h' e精度这么高,怎么一般要求
发表于 2011-6-23 08:47:59 | 显示全部楼层 来自: 中国浙江宁波
好吃懒做。。。估计是学校的课题。。自己不想做。扔到论坛来做。还那么多要求
3 Z' a6 P; I* F3 b" D6 r
$ G4 D* z* ], G: i/ z9 b自动检测项目
) r+ b. _0 x- ^* @+ X属于工业自动化 真要写 写的东西太多了。估计是个毕业设计或者大课题。。/ r: t4 W& c5 f1 L- u* {6 u
建议不给予帮助
发表于 2011-6-23 10:59:59 | 显示全部楼层 来自: 中国江苏苏州
楼上太狠了,直接要求不予理睬说的
 楼主| 发表于 2011-6-23 12:59:18 | 显示全部楼层 来自: 中国黑龙江哈尔滨
算你狠 15# yyejj
发表于 2011-6-23 14:20:32 | 显示全部楼层 来自: 中国浙江宁波
16# chenliang226 ' E2 k  t( D4 j  f3 B
& a1 r! Y9 ^" S1 F
很明显 我也是学生过来的。。。。 这个摆明了就是自己偷懒。
 楼主| 发表于 2011-6-25 08:53:27 | 显示全部楼层 来自: 中国黑龙江哈尔滨
在线三坐标测量机价钱多少?知否? 5# j.chen404
发表于 2011-6-25 11:54:20 | 显示全部楼层 来自: 中国河南三门峡
我是专业做非标检测仪器的,如打算外购专门的检测设备,可以联系我。qq:165077513
* \; N7 W8 ^) U如果是学校的题目就算了。
发表于 2011-6-25 16:59:45 | 显示全部楼层 来自: 中国江苏苏州
这个自动检测做出来成本很大咯!
发表于 2011-6-26 09:25:20 | 显示全部楼层 来自: 中国江西赣州
如果是一个工厂的项目的话确实需要很大的投入,不是大批量生产实在没有必要,现成的设备多的很,自己搞研究没有必要了吧!
发表于 2011-6-27 08:39:15 | 显示全部楼层 来自: 中国辽宁盘锦
我估计是,如果不是几百强以内的企业,很少这么烧钱的
发表于 2011-6-30 20:41:07 | 显示全部楼层 来自: 中国山东烟台
一方面说不要求精度,另一方面“(4)凸台外径φ40±0.012精度是否满足要求?”
/ d7 @1 A5 |! {9 C' M- r9 t4 B6 {' L1 Q* S/ Z# N3 h
那么多尺寸都是自由公差,居然还问“零件质量20±0.01kg是否满足要求?”
2 `/ U4 }  ^$ y, g4 S* V4 l9 M' U6 P: D( S
从这两点来看出来估计这个只是毕业设计之类
发表回复
您需要登录后才可以回帖 登录 | 注册

本版积分规则


Licensed Copyright © 2016-2020 http://www.3dportal.cn/ All Rights Reserved 京 ICP备13008828号

小黑屋|手机版|Archiver|三维网 ( 京ICP备2023026364号-1 )

快速回复 返回顶部 返回列表