QQ登录

只需一步,快速开始

登录 | 注册 | 找回密码

三维网

 找回密码
 注册

QQ登录

只需一步,快速开始

展开

通知     

查看: 2632|回复: 12
收起左侧

[求助] 阀芯抖动,声音巨大,求原因

[复制链接]
发表于 2011-6-29 17:52:38 | 显示全部楼层 |阅读模式 来自: 中国江苏无锡

马上注册,结识高手,享用更多资源,轻松玩转三维网社区。

您需要 登录 才可以下载或查看,没有帐号?注册

x
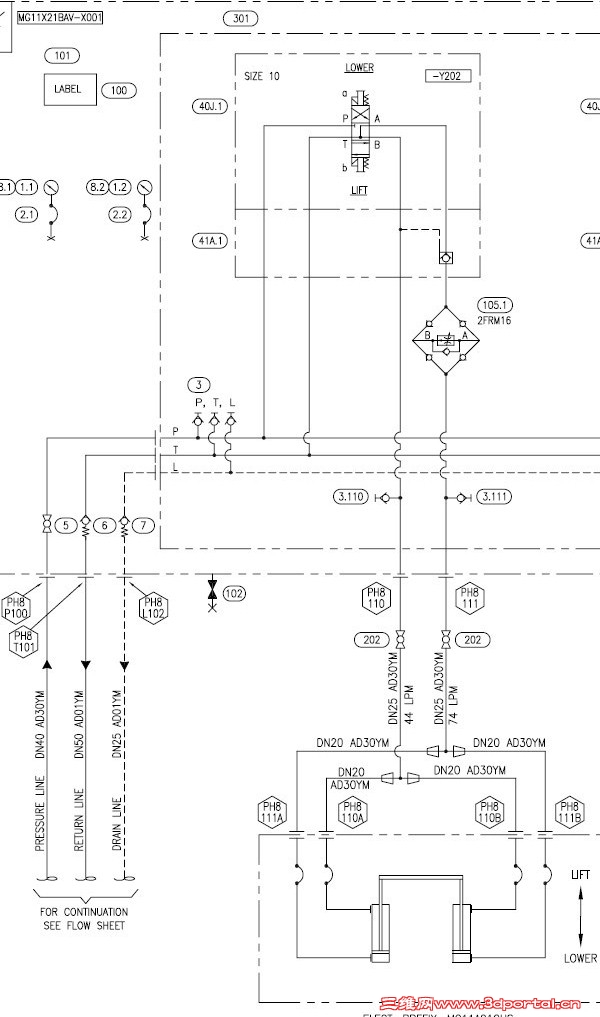
公司一提升臂叠加阀组,油源经过换向阀4WE10J3X/CG24N9K4,液控单向阀Z2S10A1-3X/(A口无泄漏封闭),流量阀Z2FS10-5-3X/V后,进入油缸,油缸垂直放置,现在出现的情况是:在上升时候,正常提升。下降到位后,有时候会出现感觉像是阀芯在抖动,声音非常大。嗡嗡的。下降到位后,手动桶阀再松手就会出现此现象。换了新换向阀,还是不行。阀拆卸清洗后还是同样问题。后来换了个液控阀Z2S10-1-3X(A,B口无泄漏封闭)。故障排除。想请问下到底是什么原因导致???实在想不通
1.jpg
发表于 2011-6-30 09:23:22 | 显示全部楼层 来自: 中国广东深圳
1.这种情况多为带单向阀的元件出问题,单向阀两端压力差较小所致。常见的现象是有泄漏。
- w6 K5 b# [6 M- e* |2.油缸重载高速时,使用液控单向阀有时也会出现此种现象。

评分

参与人数 1三维币 +3 收起 理由
9619 + 3 技术讨论

查看全部评分

 楼主| 发表于 2011-6-30 17:14:40 | 显示全部楼层 来自: 中国江苏无锡
我这是抖动啊,压力差小,可是以前很正常的啊
发表于 2011-6-30 18:32:30 | 显示全部楼层 来自: 中国河南安阳
下降的时候,油缸排空,有时候液控单向阀异常,原因不知道。
发表于 2011-6-30 21:22:17 | 显示全部楼层 来自: 中国辽宁鞍山
液控单向阀不能正常开启- C0 O1 @5 J4 U) U: V1 v2 z
造成压力波动
发表于 2011-6-30 22:49:34 | 显示全部楼层 来自: 中国河北唐山
单向阀封闭不严。
发表于 2011-7-1 12:55:34 | 显示全部楼层 来自: 中国四川眉山
绝对是液控单向阀的问题,我也碰到过
发表于 2011-7-1 21:29:13 | 显示全部楼层 来自: 中国甘肃金昌
Y型阀中位后要泄压,让阀芯来回抖动
发表于 2011-7-1 23:32:14 | 显示全部楼层 来自: 中国重庆
下降到位停止动作后有抖动,还是下降过程中有抖动
 楼主| 发表于 2011-7-3 17:45:50 | 显示全部楼层 来自: 中国江苏无锡
下降到位停止动作后有抖动 ) G) b# ]8 s! v/ y8 W& Y8 K# E* c
就是感觉阀芯一直在抖动
发表于 2011-7-5 17:35:52 | 显示全部楼层 来自: 中国江苏苏州
有时候 装有平衡阀的油缸从极限位置下降时,也会出现这样的情况。
; O- c* L7 D6 J( \& Q到现在还有最总的解决办法。可能平衡阀的问题
发表于 2011-7-5 18:02:42 | 显示全部楼层 来自: 中国山西晋中
可能是单向阀阀芯两侧压差不稳定所致,压差变动会引起阀芯抖动。压差和流量变化都会引起阀芯振动。
发表于 2011-7-20 21:58:14 | 显示全部楼层 来自: 中国天津
应该是典型的因为液控阀供油不足导致的颤震现象
) s0 ~  G+ q  e8 U节流阀应该加在液控阀后,并且速度不能过快
发表回复
您需要登录后才可以回帖 登录 | 注册

本版积分规则


Licensed Copyright © 2016-2020 http://www.3dportal.cn/ All Rights Reserved 京 ICP备13008828号

小黑屋|手机版|Archiver|三维网 ( 京ICP备2023026364号-1 )

快速回复 返回顶部 返回列表