QQ登录

只需一步,快速开始

登录 | 注册 | 找回密码

三维网

 找回密码
 注册

QQ登录

只需一步,快速开始

展开

通知     

全站
7天前
查看: 1870|回复: 10
收起左侧

[求助] 几张国外图纸建模求助!

[复制链接]
发表于 2011-7-3 08:55:34 | 显示全部楼层 |阅读模式 来自: 中国浙江台州

马上注册,结识高手,享用更多资源,轻松玩转三维网社区。

您需要 登录 才可以下载或查看,没有帐号?注册

x
本帖最后由 gydcy 于 2011-7-3 15:29 编辑
* ]3 G( V: _  L( Y' j, z
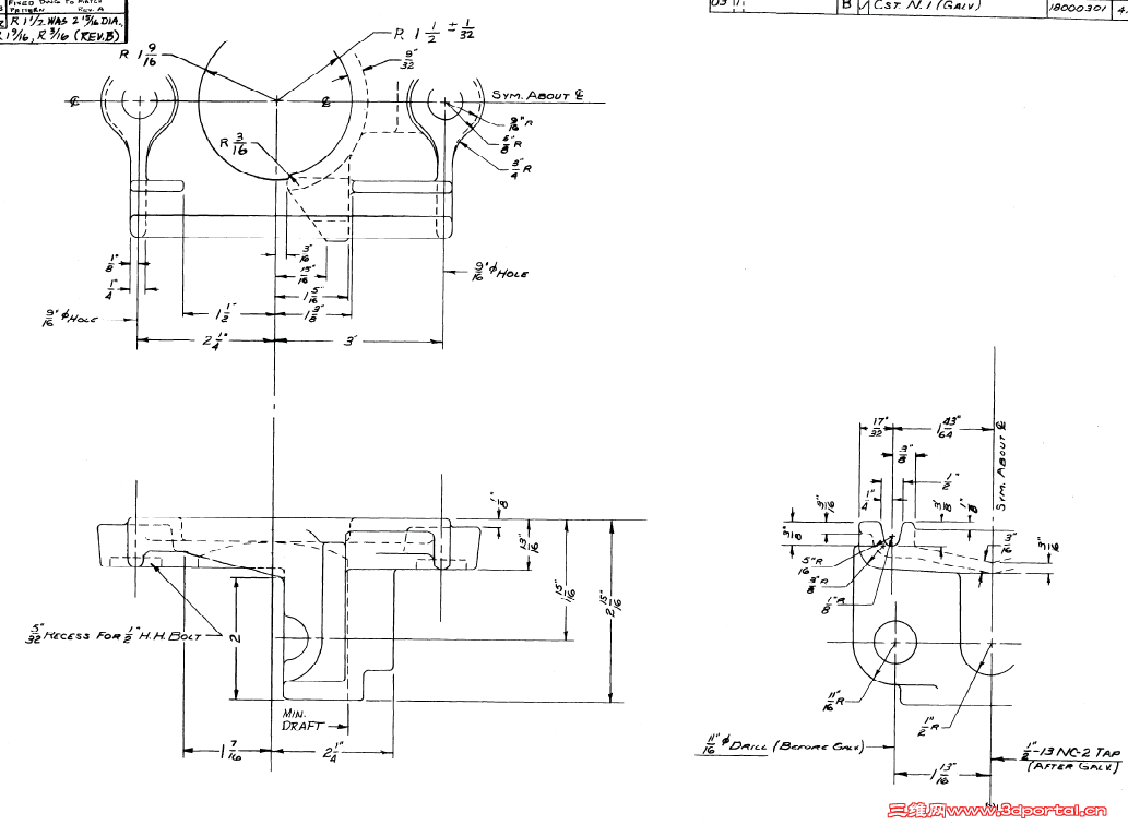
: ]1 {. z! x5 D3 o& [公司最近接到新的产品图纸(原图像是手工作图);要报价!对建模不是很熟悉;来论坛求助!
01.png

01.pdf

97.35 KB, 下载次数: 136

发表于 2011-7-4 09:46:48 | 显示全部楼层 来自: 中国北京
没看明白?是三视图么?
发表于 2011-7-4 10:17:52 | 显示全部楼层 来自: 中国浙江杭州
你有图纸,还有三视图,不可能画不出来,说句不好听的,你是懒,不想动脑筋去画。另外还有种可能,你本跟就看不懂机械图。
发表于 2011-7-4 10:26:40 | 显示全部楼层 来自: 中国浙江杭州
你有图纸,还有三视图,不可能画不出来,说句不好听的,你是懒,不想动脑筋去画。另外还有种可能,你本跟就看不懂机械图。
$ N9 w) F4 e: q4 @( G4 T2 qjangshong 发表于 2011-7-4 10:17 http://www.3dportal.cn/discuz/images/common/back.gif

) v% O: d( }, n9 X- l# _
$ v7 z1 t2 u' K这位兄弟回答的精辟入理啊。
发表于 2011-7-4 14:04:46 | 显示全部楼层 来自: 中国北京
公司最近接到新的产品图纸(原图像是手工作图);要报价!对建模不是很熟悉;来论坛求助!
9 M* d4 V3 l! T0 C$ |gydcy 发表于 2011-7-3 08:55 http://www.3dportal.cn/discuz/images/common/back.gif

% ^3 u) j7 F8 \8 X
5 M" W' t+ ]2 d) I( t人家就是不太会建模,所以来求助,4楼的兄弟有点苛求了。
发表于 2011-7-4 14:29:47 | 显示全部楼层 来自: 中国北京
公司最近接到新的产品图纸(原图像是手工作图);要报价!对建模不是很熟悉;来论坛求助!
1 V& N- a& V( B+ t  S0 G% {gydcy 发表于 2011-7-3 08:55 http://www.3dportal.cn/discuz/images/common/back.gif
  y+ E0 m" C; q7 {+ @: c

: ~4 \+ b/ d; U" R! x人家就是不太会建模,所以来求助,3楼的兄弟有点苛求了。
 楼主| 发表于 2011-7-10 07:07:54 | 显示全部楼层 来自: 中国浙江台州
3# jangshong . D& Z8 k2 h7 E' |0 ^# j% g9 N

. a& K3 L( z4 D+ e( B: }楼主你画出来吗??请问?
 楼主| 发表于 2011-7-10 07:14:43 | 显示全部楼层 来自: 中国浙江台州
我已经画了好几次;没有结果!虚心向各位朋友求助;个人才学疏浅;关键是看不懂这张图纸!期待高手关注解决!谢谢!!
 楼主| 发表于 2011-7-10 07:17:15 | 显示全部楼层 来自: 中国浙江台州
这张图差不多有半个世纪了;表达方式和现在的不太一样!
发表于 2011-7-10 21:24:40 | 显示全部楼层 来自: 中国江苏苏州
你有图纸,还有三视图,不可能画不出来,说句不好听的,你是懒,不想动脑筋去画。另外还有种可能,你本跟就看不懂机械图。+ ?/ @& V  G7 i- |  S  p6 N
jangshong 发表于 2011-7-4 10:17 http://www.3dportal.cn/discuz/images/common/back.gif

0 o2 j/ A+ ~) @" R  @能看懂!建不了模的没什么稀奇的!
发表于 2011-7-10 21:28:03 | 显示全部楼层 来自: 中国江苏南京
有些关键尺寸没标吧?
发表回复
您需要登录后才可以回帖 登录 | 注册

本版积分规则


Licensed Copyright © 2016-2020 http://www.3dportal.cn/ All Rights Reserved 京 ICP备13008828号

小黑屋|手机版|Archiver|三维网 ( 京ICP备2023026364号-1 )

快速回复 返回顶部 返回列表