QQ登录

只需一步,快速开始

登录 | 注册 | 找回密码

三维网

 找回密码
 注册

QQ登录

只需一步,快速开始

展开

通知     

查看: 2047|回复: 5
收起左侧

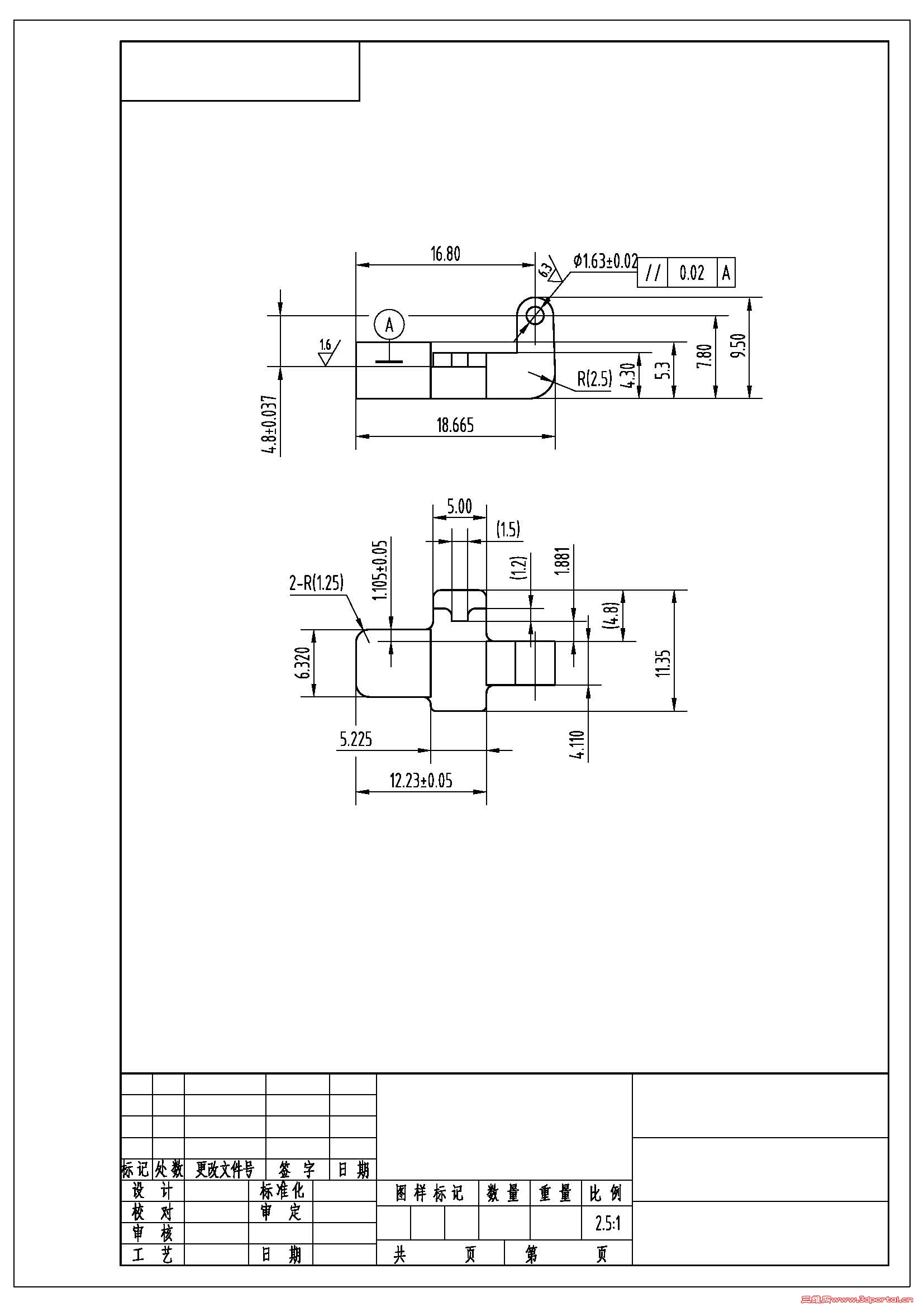
[求助] φ1.63小孔钻孔加工

[复制链接]
发表于 2011-7-14 15:37:00 | 显示全部楼层 |阅读模式 来自: 中国浙江宁波

马上注册,结识高手,享用更多资源,轻松玩转三维网社区。

您需要 登录 才可以下载或查看,没有帐号?注册

x
我公司有一个粉末冶金零件,基体是黄铜,我们是以A面为基准钻φ1.63小孔。问题是平行度的误差保证不了,请问各位是否有好的办法?谢谢。
593446.jpg
发表于 2011-7-15 07:51:42 | 显示全部楼层 来自: 中国山东烟台
首先你的夹具得做的相当严格,这个很难# I- f# P' a( V  V: @
发表于 2011-7-15 11:06:18 | 显示全部楼层 来自: 中国江苏苏州
关键是你钻的~!!不钻~~1.5钻下·~1.63非标铣刀插下·~~应该没多大问题~~靠钻头不保险·~~
 楼主| 发表于 2011-7-15 15:37:22 | 显示全部楼层 来自: 中国浙江宁波
我想能不能用激光钻孔,各位有没有激光打孔的经验。请告。谢谢。
发表于 2011-7-16 16:41:48 | 显示全部楼层 来自: 中国上海
不论用何种加工方法,定位夹具是第一位考虑的问题。
# `! l  M5 _+ m4 L) h7 ?& L看了你的零件图,夹具做起来应该不难。3 R" w4 O/ ]" y' q! W
我不知道你的A面本身平面度如何,假定很好。
  A: r1 M, @- k, `. S取一段钢条铣出若干小凸面,宽略小于5mm,热处理,两面(凸面及相邻的底面)磨削。/ K+ M, i3 L; y+ d7 B( z% b( f
以此件为基础制作夹具,使8~10个产品靠在小凸面上(1.5*1.2小突起正好起到一面定位作用),用推动夹具抵紧。+ w. H  W4 d" ?4 K4 Y% J
钻台工作面固定一大理石(或磨削过的金属板),校准钻头与该面的垂直度。. f7 C0 Y+ f9 L. W
钻加工即可。如果想要效率高,可做两套夹具,一人钻,一人负责安装工件。" r6 S+ R2 C- \$ v
随便想了想,未必严谨,你参考吧!: L; L" N8 e) ?3 |3 n
祝顺利!
 楼主| 发表于 2011-7-26 13:19:30 | 显示全部楼层 来自: 中国浙江宁波
5# 马尔马拉海 . ]  A" }/ a0 i5 a: s2 D4 B
谢谢,谢谢楼上帮助。
发表回复
您需要登录后才可以回帖 登录 | 注册

本版积分规则


Licensed Copyright © 2016-2020 http://www.3dportal.cn/ All Rights Reserved 京 ICP备13008828号

小黑屋|手机版|Archiver|三维网 ( 京ICP备2023026364号-1 )

快速回复 返回顶部 返回列表