QQ登录

只需一步,快速开始

登录 | 注册 | 找回密码

三维网

 找回密码
 注册

QQ登录

只需一步,快速开始

展开

通知     

全站
9天前
查看: 1561|回复: 7
收起左侧

[求助] 求一零件工艺流程

[复制链接]
发表于 2011-7-20 09:11:49 | 显示全部楼层 |阅读模式 来自: 中国江苏无锡

马上注册,结识高手,享用更多资源,轻松玩转三维网社区。

您需要 登录 才可以下载或查看,没有帐号?注册

x
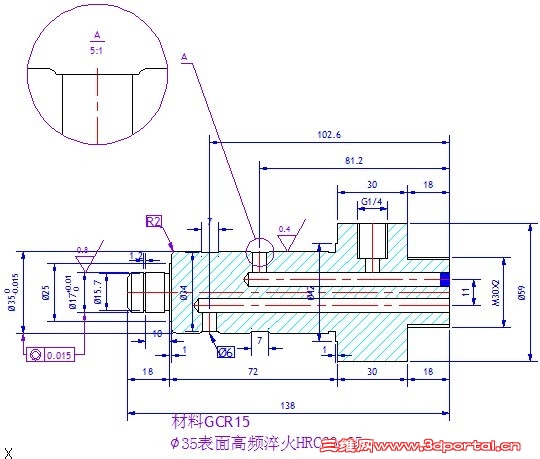
请教各位下面零件的加工工艺流程(要详细)
包括粗车精车,钻,磨,调质淬火等的先后程序。
未命名.jpg
发表于 2011-7-20 09:54:26 | 显示全部楼层 来自: 中国湖南岳阳
本帖最后由 TKG-09 于 2011-7-20 10:07 编辑
4 ^( C6 E5 e7 ?+ M; |+ o6 M1 E
/ k6 o7 V/ w: u6 C; s下料(或锻+球化退火)——粗车——(球化退火)——精车——钳(各孔)——高频淬火——粗磨——精磨
发表于 2011-7-20 10:43:00 | 显示全部楼层 来自: 中国山西太原
1  夹右端车左边各段外圆及端面,φ17和φ35段留余量。
. ~; J; P4 T2 r  w# P5 t2  调头车右端各段外圆及端面,车螺纹(需有退刀槽)。& M" V  L  \. I6 `  Q% P
3  钳工划线、钻孔、攻丝。( Z1 B3 L9 }7 x# Y
4  φ35段高频淬火。3 i6 ~. R* }& c! p( q: Z& a* @
5  磨φ17和φ35段。
 楼主| 发表于 2011-7-20 11:10:16 | 显示全部楼层 来自: 中国江苏无锡
谢谢大家的回答!
; X& D- `' }) F& F3 G0 k7 A再问一下,高频淬火可以达到多深,φ35处留多少磨量合适。
+ X( T2 {& k6 k2 @* N+ `& M/ `图片遮住的地方是HRC60-65可以达到吗?
发表于 2011-7-20 11:23:31 | 显示全部楼层 来自: 中国湖南岳阳
本帖最后由 TKG-09 于 2011-7-20 11:28 编辑 1 S& v) o9 X3 x$ ]
0 y/ D" D5 s$ {5 t# t* Q
GCr15高频淬火深度较大,可达5-15mm,硬度62-64HRC。8 j& s% W7 B7 D$ F
35磨量0.4
1.jpg
3.jpg
发表于 2011-7-20 12:49:55 | 显示全部楼层 来自: 中国四川资阳
5# TKG-09   Q. [% S, i0 N& x1 O6 j

8 N2 h9 u& D. r请问 老师!
- B( A# Y" R( q6 f! W2 a: _  U3 F5 o( B' p0 d! L' q3 I
这两张 图片(资料) 来自哪个 手册或资料名称...
1 _/ k2 V& v2 w9 v( \0 }5 B5 s* }5 m6 i. k+ Q+ x+ e! m
学生好去下载..】8 _3 X! y, \  t8 |* W

+ a4 D( N1 [: |7 l1 ^, f# y& a  x. Y7 G- _+ ~( B4 O. I
谢谢
发表于 2011-7-20 22:24:26 | 显示全部楼层 来自: 中国天津
挺好的,过来学习了啊
发表于 2011-7-23 17:59:18 | 显示全部楼层 来自: 中国江苏徐州
学无止境  学习下
发表回复
您需要登录后才可以回帖 登录 | 注册

本版积分规则


Licensed Copyright © 2016-2020 http://www.3dportal.cn/ All Rights Reserved 京 ICP备13008828号

小黑屋|手机版|Archiver|三维网 ( 京ICP备2023026364号-1 )

快速回复 返回顶部 返回列表