QQ登录

只需一步,快速开始

登录 | 注册 | 找回密码

三维网

 找回密码
 注册

QQ登录

只需一步,快速开始

展开

通知     

全站
7天前
查看: 2568|回复: 10
收起左侧

[求助] 焊接工装设计

[复制链接]
发表于 2011-7-25 10:25:45 | 显示全部楼层 |阅读模式 来自: 中国浙江杭州

马上注册,结识高手,享用更多资源,轻松玩转三维网社区。

您需要 登录 才可以下载或查看,没有帐号?注册

x
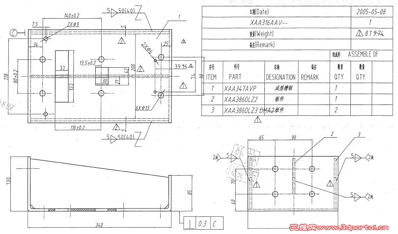
长度为340mm;宽为178mm;板厚都为3mm;焊后垂直度为0.3mm,4 S. x3 |1 V3 j. Q
请大家指点工装设计方法.(具体见附件图纸)
未命名.JPG
 楼主| 发表于 2011-7-25 12:41:46 | 显示全部楼层 来自: 中国浙江杭州
怎么没人指点啊, 我们现在电焊完后变形达3mm,很难完成垂直度0.3mm的工艺要求.
发表于 2011-7-25 17:17:34 | 显示全部楼层 来自: LAN
工艺处理:1、零件3尺寸做正公差,焊后收缩达到设计要求,增大多少需工艺试验摸索变形数据。
3 U6 f. [9 I2 P1 o          2、工件1上部开口尺寸为正公差,焊后收缩达到设计要求,增大多少需工艺试验摸索变形数据。# W% g+ J! e7 y( x0 Q. ?! |! @
          3、焊接采用“跳焊”,最好“跳焊”和“竖焊”结合,因为这两种均可以减小焊接变形。
/ H# W7 I: V1 j/ ^  w          4、焊接顺序先中间焊缝,后两边焊缝,让其焊接应力自由释放,降低焊接波浪变形。7 d6 a4 q" h. K% j0 \. {& j# k
          5、工装处理定位按正公差走,焊后收缩变形达到设计尺寸。通常焊接间隙决定波浪变形和焊接收缩。' Y! A6 X  }) l! N
我司焊接时若焊接间隙为1-1.5mm,焊后冷却后收缩量在0.5mm;6mm长焊缝焊接后收缩量在8mm左右;以上两个数据可以帮你初步确定尺寸公差;但不同板厚仍需试验才能确定!

评分

参与人数 1三维币 +2 收起 理由
渔樵 + 2 应助

查看全部评分

 楼主| 发表于 2011-7-25 17:59:53 | 显示全部楼层 来自: 中国浙江杭州
3楼可提供经验参数值,不同板厚焊后收缩的变形量,我这边可以最快的做试验,试验后再设计焊接工装及定公差值.
发表于 2011-7-27 19:38:59 | 显示全部楼层 来自: 中国江苏泰州
3mm板厚,使用工装夹具,很难控制局部变形。
. g( i' ?" J6 ^0 [; K/ x1 e2 d如果属于大批量产品,建议设计台式夹具。7 l5 W! n8 S7 e1 e& l' [5 k

, _' L1 b) Z: `  M6 f  E! ihttp://attach.baisi.net/attachments/forumid_61/H13-60-6007_aFnQaHD9LfBM.jpg
 楼主| 发表于 2011-8-1 08:04:09 | 显示全部楼层 来自: 中国浙江杭州
如5楼所指的是设计台式装夹具,将产品安支撑点悬空焊接吗.台式夹具的优点在哪?请指教!!
 楼主| 发表于 2011-8-2 16:16:52 | 显示全部楼层 来自: 中国浙江杭州
怎么没人回答啊.
发表于 2011-8-5 12:37:16 | 显示全部楼层 来自: LAN
我们焊接2.5米左右的钢结构,正负偏差在1mm,只要你试验,能做出理想产品;你将每个零件图,包括公差要求等贴上来,我帮你出出主意!
 楼主| 发表于 2011-8-5 15:47:02 | 显示全部楼层 来自: 中国浙江杭州
8楼要求的上面都有图纸,我想知道的是设计台式装夹具,将产品安支撑点悬空焊接吗.台式夹具的优点在哪?请指教!!
发表于 2013-1-19 21:27:37 | 显示全部楼层 来自: 中国北京
嗯看着这个很不错
发表于 2013-1-22 10:17:26 | 显示全部楼层 来自: 中国山西太原
作一方箱工装,将底面和侧面用螺栓、压板紧固在方箱上,然后焊接,再焊连接肋板,可起到强制反变形的作用。焊完后自然冷却,可减小变形。
发表回复
您需要登录后才可以回帖 登录 | 注册

本版积分规则


Licensed Copyright © 2016-2020 http://www.3dportal.cn/ All Rights Reserved 京 ICP备13008828号

小黑屋|手机版|Archiver|三维网 ( 京ICP备2023026364号-1 )

快速回复 返回顶部 返回列表