QQ登录

只需一步,快速开始

登录 | 注册 | 找回密码

三维网

 找回密码
 注册

QQ登录

只需一步,快速开始

展开

通知     

查看: 4238|回复: 14
收起左侧

[已解决] 新设备上的液压原理图,有几点不明,欢迎讨论

[复制链接]
发表于 2006-3-12 13:22:40 | 显示全部楼层 |阅读模式 来自: 中国浙江宁波

马上注册,结识高手,享用更多资源,轻松玩转三维网社区。

您需要 登录 才可以下载或查看,没有帐号?注册

x
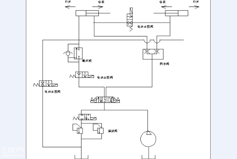
公司新购一台设备,液压原理图提供如下,先说明设备要求.要求两油缸合拢时压力可调,合拢后,要能够保压一段时间,还要有泄压功能,另外油缸要同步.不懂的几点:1)按设备原理要求背压要低,方便控制合拢时的压力,但为何加同步阀在回油管路上,同步阀不是有较大的压力损耗吗?;2)在两缸回油口用电动止回阀之间是什么意思?看控制台上有个快进按钮,通过分析只能是控制这个阀的电磁阀的,但这个与快进有什么关系呢?一头雾水;3)顺序阀在这个原理图上有什么作用呢?
4 o$ d8 |6 F6 C% L
( X$ @( G) e2 R$ B[ 本帖最后由 江边 于 2007-1-26 09:27 编辑 ]
3.JPG

原理图.rar

5.58 KB, 下载次数: 65

原理图

 楼主| 发表于 2006-3-12 13:26:40 | 显示全部楼层 来自: 中国浙江宁波
奇怪,为什么我自已发的贴子却无法看呢?"您所在的用户组无法下载或查看附件",搞不清楚的说.
" J' P$ |6 Y! @* G% H# n' K; I0 s" j: H; F" ?- p! ?
[ 本帖最后由 xz225 于 2006-3-13 07:41 编辑 ]
发表于 2006-3-12 14:15:38 | 显示全部楼层 来自: 中国上海
把你的附件发到:xl.zhao@boschrexroth.com.cn;我也看不到你的附件。
发表于 2006-3-13 14:18:49 | 显示全部楼层 来自: 中国山西太原
给楼主提一下  让大家讨论。
发表于 2006-3-13 20:50:42 | 显示全部楼层 来自: 中国河北沧州
1)图中同步阀仅为一个分配阀,有节流作用,可以防止液压冲击及背压,压力损耗不是很大;
/ M  O6 `! F( l' J9 D7 l" y- C2)如果该装置是垂直放置,应该是平衡作用,防止下降过快
 楼主| 发表于 2006-3-13 22:35:48 | 显示全部楼层 来自: 中国浙江宁波
这个装置不是垂直放置的,是水平的.原来同步阀可以防止背压,我以为是增加背压的说.但至于节流,我想在这个系统应该不会是的,因为系统的变速是通过电磁阀来控制的,我想同步阀有节流作用但应该是固定的节流吧, 不会有快慢速的吧.
发表于 2006-3-13 22:57:42 | 显示全部楼层 来自: 中国湖北十堰
发给我看看
) z6 Q8 P7 j0 @5 v6 r( L& nfanjianghai@msn.com
头像被屏蔽
发表于 2006-4-3 02:17:20 | 显示全部楼层 来自: 中国河北石家庄
提示: 作者被禁止或删除 内容自动屏蔽
头像被屏蔽
发表于 2006-4-3 21:30:05 | 显示全部楼层 来自: 中国河北石家庄
提示: 作者被禁止或删除 内容自动屏蔽
发表于 2006-9-4 09:53:41 | 显示全部楼层 来自: 中国山东淄博
可惜本人无权看到原理图,如看到一定帮你!
发表于 2006-9-4 10:22:36 | 显示全部楼层 来自: 中国河北石家庄
想看看原理图,谢谢, Z8 ^  h5 q, o' u
sniper901@eyou.com
发表于 2006-9-4 11:27:17 | 显示全部楼层 来自: 中国天津
下载。研究一下。大家都参与。
发表于 2006-9-5 08:30:26 | 显示全部楼层 来自: 中国天津
同意8楼同仁的说法,顺序阀是为了使油缸保持一定的压力和油量,和电动止回阀配合使用,产生锁紧,也使Y型换向阀在中位时实现浮动。同步阀使油缸动作一致,两缸之间的电动止回阀也可能有在同步阀堵塞或有故障时,仍然使油缸同步动作。其余两个电动止回阀属于卸荷阀,使泵和油缸无杆腔的油快速回到油箱。
发表于 2006-10-12 16:05:51 | 显示全部楼层 来自: LAN
原帖由 yuwind 于 2006-3-12 13:26 发表
- Q& m# Y" x3 v* q奇怪,为什么我自已发的贴子却无法看呢?"您所在的用户组无法下载或查看附件",搞不清楚的说.
% v  a( C2 h7 t

& K* _" E9 g6 k9 n; L. U3 U/ N9 X$ P  y0 s0 J; \
是这样啊,强烈要求斑竹改善下,很想参与讨论但发的原理图都看不到,大家的意见呢?
& g! _% q6 y1 C  [6 B
已解决,谢谢参与--by 江边

1 ~8 k: d+ l, M4 G[ 本帖最后由 江边 于 2007-1-26 09:26 编辑 ]
发表于 2006-10-15 12:09:31 | 显示全部楼层 来自: 中国黑龙江双鸭山
个人认为只有在打开的时候,两个电动阀门打开,进行快速卸荷 。上面的电动阀没有看出什么原理。大家顶
发表回复
您需要登录后才可以回帖 登录 | 注册

本版积分规则


Licensed Copyright © 2016-2020 http://www.3dportal.cn/ All Rights Reserved 京 ICP备13008828号

小黑屋|手机版|Archiver|三维网 ( 京ICP备2023026364号-1 )

快速回复 返回顶部 返回列表