|
|

楼主 |
发表于 2011-7-28 18:19:58
|
显示全部楼层
来自: 日本
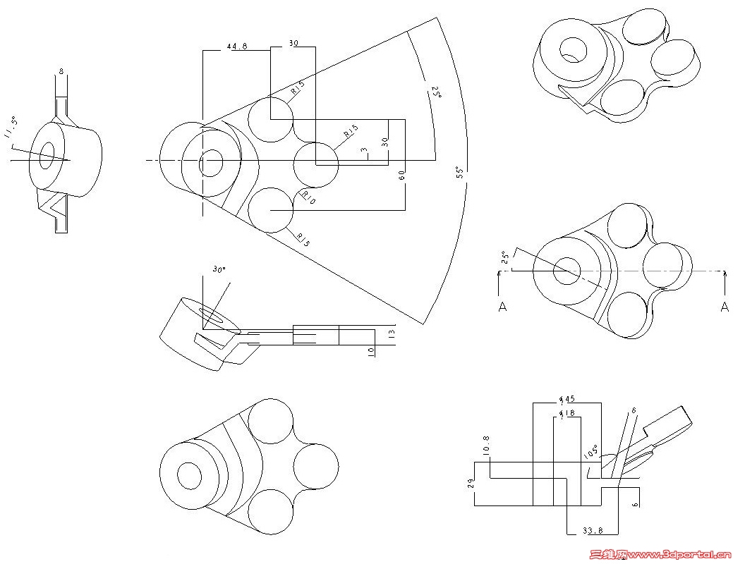
$ R0 W* e! O% O: S/ Y我是搞机械设计的。
) g# Y% w' V) W. R. z2 f. D+ [* R% \7 q0 D! K0 U
一个元件,从开始设计到最终出图纸,一般要个把月甚至更长。+ w+ u* M% L1 o
: T, `- N' w g要考虑零件强度,周围的干涉,元件机能,加工的成本等等,等等。。。
9 Q1 U; E4 }6 r, R5 V& [! i: C; ?% V3 ~ C0 t, D! b$ m) h4 [- j
t12和t16,只是4mm的厚度区别,到最终决定要花很长时间去讨论。
7 C8 g/ m6 b+ `* V3 n
1 N! `9 r P' B* F( p最终的元件形状,看着图纸,我们可能只需10分钟,甚至更短的时间就可以建模。
4 g9 f8 d/ {* F( u; U: \1 ^+ X0 f, s2 B+ \" m! I2 ]& k
但是途中的设计经过,要花多多少少的时间和精力啊。$ t" ~2 I1 u T+ z9 ^
; i7 _5 e, x( D/ K如果你也是个设计者,这些应该明白其中的苦。
4 e6 V7 ~5 H/ z3 n% k+ k. S! C6 u" }1 ^. m1 N% ?6 l
如果不是,请不要用这么轻率的口气来说话。
7 o! p0 G$ D: s) q) s/ m6 G, F+ n* i+ T9 D- l1 M1 P
在设计行业,按图纸作元件,花30分钟的建模算是很长时间了。
5 v# n1 M/ \" H @; w, p& m% u8 ~" O, }, M6 h$ L4 m( Y/ L) A0 C
非诚勿扰,谢谢。 |
|