QQ登录

只需一步,快速开始

登录 | 注册 | 找回密码

三维网

 找回密码
 注册

QQ登录

只需一步,快速开始

展开

通知     

全站
7天前
查看: 2202|回复: 3
收起左侧

[已答复] 请看下能开几付模

[复制链接]
发表于 2011-7-27 13:01:37 | 显示全部楼层 |阅读模式 来自: 中国上海

马上注册,结识高手,享用更多资源,轻松玩转三维网社区。

您需要 登录 才可以下载或查看,没有帐号?注册

x
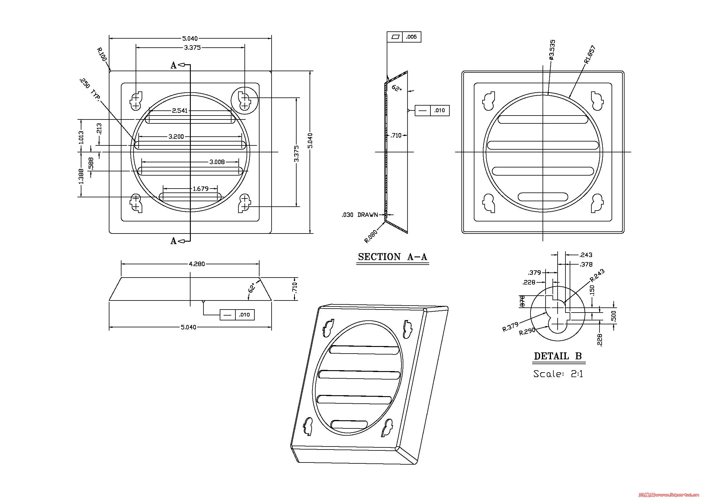
请大家看看以下产品需几付模具,材料为SPCC 1.0,
$ y: e( {; k5 Q* S4 C: {( P4 d, B谢谢大家了!
1.jpg
发表于 2011-7-30 23:19:31 | 显示全部楼层 来自: 中国广东佛山
五金模还是塑胶模??尺寸单位是寸还是MM??
发表于 2011-7-31 21:44:41 | 显示全部楼层 来自: 中国浙江杭州
我想应该不是塑料模,肯定是冷冲模吧。6 T; w( ?3 u) V3 X5 |
如果你蛮强的话,看能不能设计一副连续模具就行了。
$ w  m% \4 d9 b. v- a( ^6 r如果按一般的冲压我想应该是:落料冲B向孔复合模→拉深→再拉深校形→中间压凹台→冲中间腰圆孔,我把腰圆孔放最后,是因为如果先冲腰圆孔,中间压凹台时会将腰圆孔拉椭。% n- C0 {0 L$ L: H
有什么不对,可以尽量说,大家讨论互相进步。

评分

参与人数 1三维币 +3 收起 理由
开亮 + 3 引导讨论奖

查看全部评分

发表于 2011-8-1 19:37:43 | 显示全部楼层 来自: 中国台湾
SPCC 1.0t 五金模/ l1 F* t* B9 p1 r
1.下料 2.拉伸 3.補強 4.沖孔 5.切邊/ H% v% Y, d$ r! O- i- m8 |' F( E6 r
建議用 spcc-cr3 號料

评分

参与人数 1三维币 +3 收起 理由
开亮 + 3 谢谢参与

查看全部评分

发表回复
您需要登录后才可以回帖 登录 | 注册

本版积分规则


Licensed Copyright © 2016-2020 http://www.3dportal.cn/ All Rights Reserved 京 ICP备13008828号

小黑屋|手机版|Archiver|三维网 ( 京ICP备2023026364号-1 )

快速回复 返回顶部 返回列表