QQ登录

只需一步,快速开始

登录 | 注册 | 找回密码

三维网

 找回密码
 注册

QQ登录

只需一步,快速开始

展开

通知     

查看: 8719|回复: 36
收起左侧

[分享] 批量PM-Excel程式单(电极,钢料,自动换刀) 目前最方便的免费程式单

[复制链接]
发表于 2011-7-29 10:27:26 | 显示全部楼层 |阅读模式 来自: 中国广东东莞

马上注册,结识高手,享用更多资源,轻松玩转三维网社区。

您需要 登录 才可以下载或查看,没有帐号?注册

x
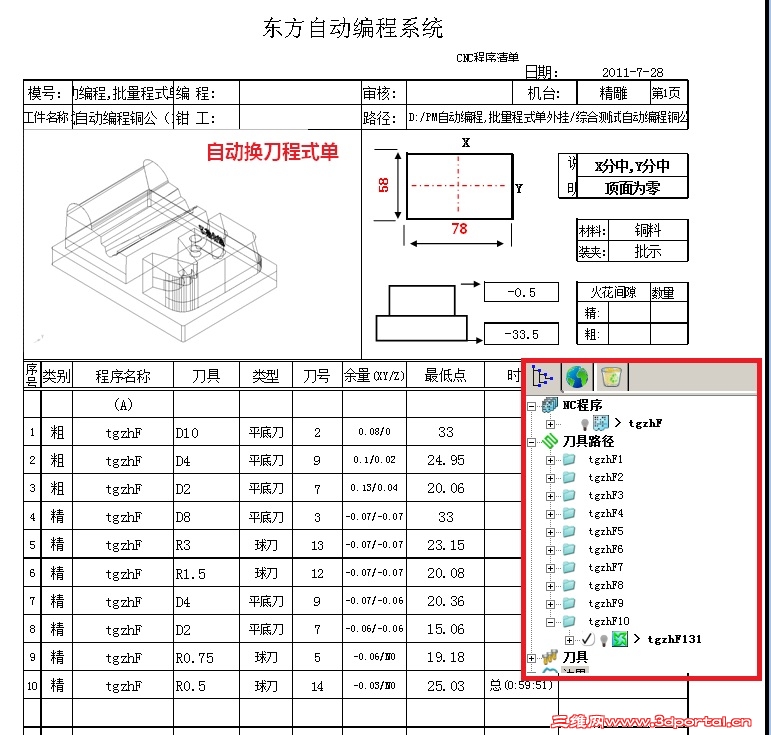
PowerMILL 批量程式单(电极,钢料,自动换刀) 目前最方便的自动程式单 可批量对铜公钢料出单 并进行批量打印' b  ~, P1 s8 I+ E! s" e
最精确的刀长分析(按NC组来分析刀长)
! A, c& w3 T! g1 w" a三个附件下载; J: \! n8 E2 E* f4 }7 b2 Q8 f+ T7 m
PM最方便的批量程式单外挂.part1.rar (1.72 MB, 下载次数: 1283)

评分

参与人数 1三维币 +30 收起 理由
hh749 + 30 好资料,感谢您对论坛的支持!

查看全部评分

发表于 2011-7-29 10:44:48 | 显示全部楼层 来自: 中国浙江嘉兴
楼主的外挂一直都是比较完美。。来顶一个,。,,
发表于 2011-7-29 12:21:37 | 显示全部楼层 来自: 中国广东江门
下了,顶你一个
发表于 2011-7-29 22:47:12 | 显示全部楼层 来自: 中国广东深圳
老大的 程式单比较不错。上次的程式单我和我的同事研究了好久才把他改了自己觉得比较理想的。不过还是有许多地方搞得不怎么好。不过还是用上了。虽然改程式单比较麻烦。但是还是用上了Excel格式的,再也不用手写了...........
发表于 2011-7-29 23:17:09 | 显示全部楼层 来自: 中国广东深圳
顶你是必须的
发表于 2011-7-30 01:15:53 | 显示全部楼层 来自: 中国台湾
顶你是必须的
发表于 2011-7-30 02:32:26 | 显示全部楼层 来自: 中国广东深圳
狼诚兄,好久都没有见你了哟
发表于 2011-7-30 17:33:39 | 显示全部楼层 来自: 中国广东中山
顶是必须的
发表于 2011-7-30 18:12:12 | 显示全部楼层 来自: 中国台湾
谢谢楼主,希望能支持繁体环境的系统
发表于 2011-7-30 22:25:50 | 显示全部楼层 来自: 中国广东东莞
好啊,就用这个了.
发表于 2011-7-31 09:18:39 | 显示全部楼层 来自: 中国广东深圳
顶了,太感谢了
发表于 2011-8-1 11:00:47 | 显示全部楼层 来自: 中国广东深圳
谢谢啦。。。
发表于 2011-8-2 12:32:26 | 显示全部楼层 来自: 中国浙江宁波
真的感觉很不错。
发表于 2011-8-2 19:00:53 | 显示全部楼层 来自: 中国广东东莞
谢谢分享!!!
发表于 2011-8-11 08:59:49 | 显示全部楼层 来自: 中国山东青岛
谢谢楼主,顶一个,刚下载了,马上试用一下
发表于 2011-8-12 08:10:03 | 显示全部楼层 来自: 中国广东广州
  强.....
发表于 2011-8-13 17:10:48 | 显示全部楼层 来自: 中国河北沧州
非常感谢楼主
头像被屏蔽
发表于 2011-8-15 09:12:22 | 显示全部楼层 来自: 中国广东东莞
提示: 作者被禁止或删除 内容自动屏蔽
发表于 2011-8-16 17:26:28 | 显示全部楼层 来自: 中国广东东莞
正需要,体验下楼主的科研成果!
发表于 2011-8-26 22:48:29 | 显示全部楼层 来自: 中国广东深圳
谢谢楼主,顶一个
发表于 2011-8-26 23:13:51 | 显示全部楼层 来自: 中国广东佛山
体验下楼主的科研成果,,这个必须顶
发表于 2011-8-27 18:46:53 | 显示全部楼层 来自: 中国广东佛山
谢谢分享,学习中
发表于 2011-9-11 15:23:05 | 显示全部楼层 来自: 中国河南平顶山
非常感谢楼主    刚下载了
发表于 2011-9-11 15:45:36 | 显示全部楼层 来自: 中国浙江宁波
谢谢分享
发表于 2011-9-20 12:06:12 | 显示全部楼层 来自: 中国广东东莞
顶了,太感谢了
发表回复
您需要登录后才可以回帖 登录 | 注册

本版积分规则


Licensed Copyright © 2016-2020 http://www.3dportal.cn/ All Rights Reserved 京 ICP备13008828号

小黑屋|手机版|Archiver|三维网 ( 京ICP备2023026364号-1 )

快速回复 返回顶部 返回列表