QQ登录

只需一步,快速开始

登录 | 注册 | 找回密码

三维网

 找回密码
 注册

QQ登录

只需一步,快速开始

展开

通知     

查看: 9198|回复: 29
收起左侧

[求助] 平面度0.025该如何做

[复制链接]
发表于 2011-8-2 21:19:41 | 显示全部楼层 |阅读模式 来自: 中国浙江宁波

马上注册,结识高手,享用更多资源,轻松玩转三维网社区。

您需要 登录 才可以下载或查看,没有帐号?注册

x
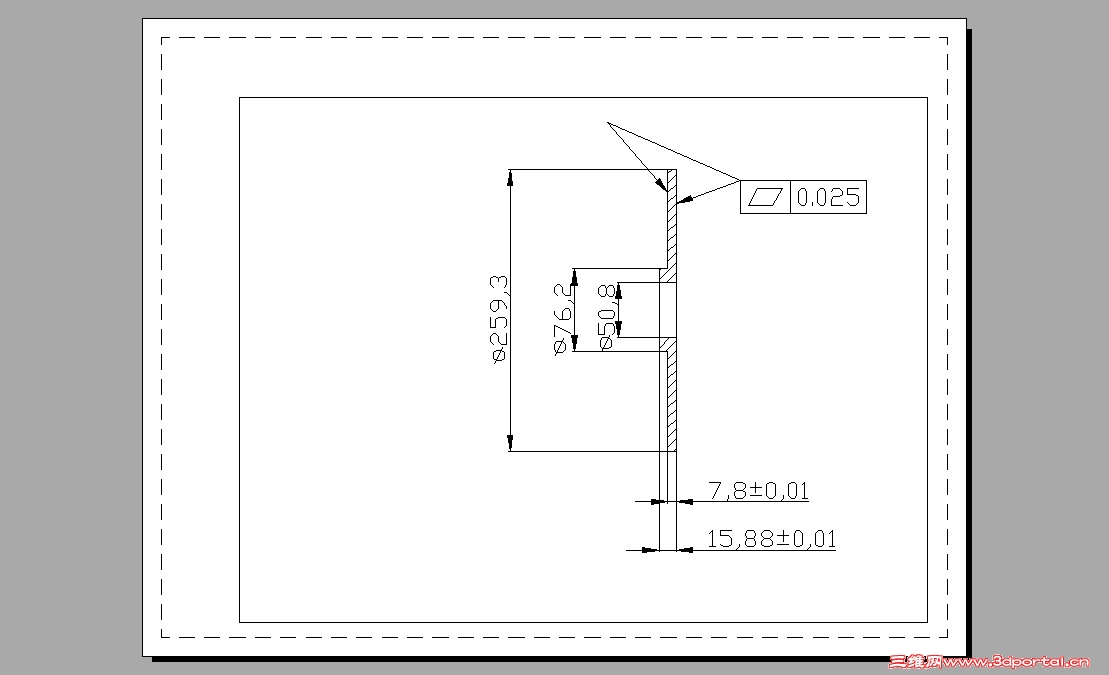
大家好,我现在遇到一个难题,客户图纸要求零件尺寸做到15.88±0.01,7.8±0.01,平面度0.025,现在车了三个了都打不到要求,今天做了个工装想磨出来,但是不理想,请问大家有没有什么好的办法来加工,保证15.88±0.01,7.8±0.01,平面度0.025,现在急死了!!!
1.jpg
发表于 2011-8-2 21:29:06 | 显示全部楼层 来自: 中国江苏苏州
本帖最后由 zayssb8 于 2011-8-2 21:34 编辑 1 d+ `( h+ S8 Z# P' V7 i) G

# f" ^$ b1 c& a2 V4 M7.8±0.01其实比平面度0,025要求更高。
7 H% v8 g/ d' r  @! C/ M
# d% Q/ M7 v  u这个平面度尺寸应该不需要。

评分

参与人数 1三维币 +2 收起 理由
渔樵 + 2 技术讨论

查看全部评分

发表于 2011-8-2 22:06:47 | 显示全部楼层 来自: 中国山东青岛
你们的车床精度不至于连2丝精度都保证不了把。
发表于 2011-8-3 09:35:42 | 显示全部楼层 来自: 中国山东烟台
把刀具磨得锋利一点,先加工出大平面,在加工时要在背面加支承防止发颤,加工时分粗精加工,只要大面加工好了,其余的问题就不大了
发表于 2011-8-3 12:47:49 | 显示全部楼层 来自: 中国广东深圳
要求是平面度又不是平行度,车完全可以做的到,不用磨。精车就可以(注意解决车削时的凹凸现象)。" a$ W" e+ T5 {" `* w
你用的是何种仪器检查平面度?
 楼主| 发表于 2011-8-3 16:14:03 | 显示全部楼层 来自: 中国江苏苏州
谢谢大家的回复,我现在只要保证7.8±0.01就可以了
发表于 2011-8-3 21:03:08 | 显示全部楼层 来自: 中国重庆
6# qukewei1980_200
! l( i5 E$ W: K! h6 Y3 X$ p7 D如果机床精度不够话,很难保证!但可以打表试一下!
发表于 2011-8-4 00:05:34 | 显示全部楼层 来自: 美国
薄板件,车磨都很难保证这么高的平面度,有必要吗?
: L" h* U' ^  V8 W. J如果是安装件,平面度会在安装时被压平的,如果用于特殊状态一定要保证的话,可以用粘接法,粘到刚度高的零件上加工,保证在加工过程不会有振动才行。

评分

参与人数 1三维币 +2 收起 理由
渔樵 + 2 技术讨论

查看全部评分

发表于 2011-8-10 08:58:14 | 显示全部楼层 来自: 中国广东广州
测量方法是否有问题,平面度,如果是以小环面做支撑测大球面平面度,会出现测量误差。楼主是否有想过。

评分

参与人数 1三维币 +2 收起 理由
渔樵 + 2 技术讨论

查看全部评分

发表于 2011-8-10 15:02:07 | 显示全部楼层 来自: 中国山东烟台
要求确实有点高,不知道是哪上面的件。可以先加工好小端面,以小端面定位,夹内孔,双刀进加工大面。车床的精度要求得高,不知用的什么车床?

评分

参与人数 1三维币 +2 收起 理由
渔樵 + 2 技术讨论

查看全部评分

发表于 2011-8-13 09:33:24 | 显示全部楼层 来自: 中国重庆
这个工件的平面度能够做到0.025,搞工艺的是N人。
发表于 2011-8-20 11:37:05 | 显示全部楼层 来自: 中国河南洛阳
这个工件的平面度能够做到0.025,搞工艺的是N人。6 ]7 L3 ]) s- j' D
chine.cao 发表于 2011-8-13 09:33 http://www.3dportal.cn/discuz/images/common/back.gif
恩,设计和工艺脱节。
发表于 2011-8-20 13:12:47 | 显示全部楼层 来自: 中国广东东莞
是什么材料?批量大小怎样?单件小批的话用车床可试做。批量大的话粗加工后用端面转台磨床。批量特大且有7.8±0.01厚合适冷轧板料话可考虑用冷冲模落料冲孔翻边,最后精加工15.88±0.01尺寸。
发表于 2011-8-20 13:19:53 | 显示全部楼层 来自: 中国江苏常州
像这种情况,我们一般会与客户沟通,实际使用中用要求的范围和区域是多少,,重新达成验收标准,在加工中加以控制。

评分

参与人数 1三维币 +2 收起 理由
渔樵 + 2 技术讨论

查看全部评分

发表于 2011-8-20 13:51:01 | 显示全部楼层 来自: 中国上海
看来楼上的人都是缺乏现场做的概念,人家现在只要保证厚度是0.02之内就行了,首先这个零件不能一刀落,所以就难加工了,现实中你做一个面后要翻身车另一个面,难度可想而知,建议你先粗车,后精修那个台阶面,注意最后一刀光那个台阶的大平面时,车床的爪子松一松,为了减少变形,然后做个园块的平行垫块,采取中心膨胀法固定,之后上小型平面磨,记住小型平面磨,磨掉大约10丝就ok了,这是就能保证那个尺寸了

评分

参与人数 1三维币 +2 收起 理由
渔樵 + 2 技术讨论

查看全部评分

发表于 2011-8-20 16:20:08 | 显示全部楼层 来自: 中国湖南长沙
15# mashyu
8 B/ T5 A; D. ~! J& N9 D: S: v
; K  Q* |8 w1 Y5 ?( C* N4 w言之有理,车要换面,难呀
发表于 2011-9-10 22:40:35 | 显示全部楼层 来自: 中国湖北武汉
只有13#的考虑到了材料,不同的材料效果就不一样。
发表于 2011-9-11 06:49:58 | 显示全部楼层 来自: 中国上海
同意15楼的观点,建议做个工装不用换面,类是双面镗的加工,我见过一个老法师用过此法代替加工中心的。

评分

参与人数 1三维币 +2 收起 理由
渔樵 + 2 技术讨论

查看全部评分

发表于 2011-9-11 22:46:50 | 显示全部楼层 来自: 中国湖北鄂州
中间孔加工完后,做个工装(心轴)不用换面,精加工到位

评分

参与人数 1三维币 +2 收起 理由
渔樵 + 2 技术讨论

查看全部评分

发表于 2011-9-12 08:54:46 | 显示全部楼层 来自: 中国北京
用芯轴定位并夹紧,同工步精车二平面,平面度(0.025)达到没有问题。

评分

参与人数 1三维币 +2 收起 理由
渔樵 + 2 技术讨论

查看全部评分

发表于 2011-9-12 15:33:40 | 显示全部楼层 来自: 中国江苏徐州
车后何不到平磨上加工,平面度就能保证。
 楼主| 发表于 2011-9-14 09:38:51 | 显示全部楼层 来自: 中国江苏苏州
现在结果出来,用心棒定位并加紧,终于撤出来了,圆满解决了,谢谢大家的参与和帮忙。
发表于 2011-9-25 10:32:16 | 显示全部楼层 来自: 中国浙江杭州
不要用吸盘,夹具体用平面,在两边V形块顶紧,就可
发表于 2011-9-26 09:36:25 | 显示全部楼层 来自: 中国江苏常州
都是牛人啊!
发表于 2011-9-30 19:48:26 | 显示全部楼层 来自: 中国江苏无锡
可不可以先粗加工一下,留适当余量,把中间的孔都加工的尽可能一样,做根棒料放里面一头做螺纹落目一拧住这样的话不用换面(要换面车的话公差很难保证)。就是粗车的余量要留的适量,多了可能工件发震,棒料伸出距离也尽可能不要长,容易震,反刀能进去就好。我刚做机械没多久,你觉得可能的话就先试一个。没有专业的绘图软件,XP的画图画的,别鄙视我啊
QQ截图20110930193800.png
发表回复
您需要登录后才可以回帖 登录 | 注册

本版积分规则


Licensed Copyright © 2016-2020 http://www.3dportal.cn/ All Rights Reserved 京 ICP备13008828号

小黑屋|手机版|Archiver|三维网 ( 京ICP备2023026364号-1 )

快速回复 返回顶部 返回列表