QQ登录

只需一步,快速开始

登录 | 注册 | 找回密码

三维网

 找回密码
 注册

QQ登录

只需一步,快速开始

展开

通知     

全站
6天前
查看: 6428|回复: 38
收起左侧

[公告] 5分练习题!大家来做呀

 关闭 [复制链接]
发表于 2006-3-15 13:32:18 | 显示全部楼层 |阅读模式 来自: 中国河南郑州

马上注册,结识高手,享用更多资源,轻松玩转三维网社区。

您需要 登录 才可以下载或查看,没有帐号?注册

x
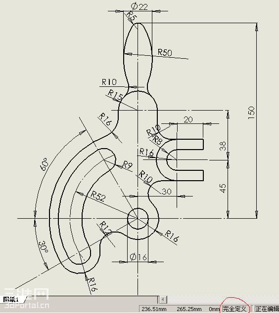
题目如下,要求完全定义!
5 z. K# l: `! d
% c- E' o2 S1 u6 F加分停止,2006-4-187 p+ [5 E, o/ k0 c# p% [
3 r2 H, h5 Z' Z- I( {9 O' }' i: h
[ 本帖最后由 tianma_liu 于 2006-4-18 15:23 编辑 ]
5分题.jpg
发表于 2006-3-16 12:09:00 | 显示全部楼层 来自: 中国江苏扬州

我的图

我做的图,不好意思.
12.jpg

评分

参与人数 1三维币 +4 收起 理由
tianma_liu + 4 粗细线不分

查看全部评分

发表于 2006-3-16 15:42:14 | 显示全部楼层 来自: 中国江苏扬州
:lol::lol:
Untitled.jpg

评分

参与人数 1三维币 +4 收起 理由
tianma_liu + 4 箭头没调整好

查看全部评分

发表于 2006-3-16 18:18:28 | 显示全部楼层 来自: 中国广东东莞
很不错呀,真应该学习了!
发表于 2006-3-16 18:53:34 | 显示全部楼层 来自: 中国广东湛江
从标注的箭头及标注线看得出楼主是对于机械制图非常专业,而二楼及三楼的就差得远了.
发表于 2006-3-16 23:06:21 | 显示全部楼层 来自: 中国辽宁沈阳
练习一下,题目不难。
lianxi.jpg

评分

参与人数 1三维币 +5 收起 理由
tianma_liu + 5 完美

查看全部评分

发表于 2006-3-17 22:35:31 | 显示全部楼层 来自: 中国上海

看我的

题目不难,很快搞定!!
xx.jpg

评分

参与人数 1三维币 +5 收起 理由
tianma_liu + 5 Good

查看全部评分

发表于 2006-3-17 22:35:46 | 显示全部楼层 来自: 中国江苏南京
作一个看看,等着加分  :lol:
1.jpg

评分

参与人数 1三维币 +5 收起 理由
tianma_liu + 5 Good

查看全部评分

 楼主| 发表于 2006-3-18 10:01:22 | 显示全部楼层 来自: 中国河南郑州
这个题主要练习大家对草图的控制、尺寸及几何关系的处理,草图是模型之本,草图控制的好,模型就不容易出错,大家多练哟!加分也会很慷慨
头像被屏蔽
发表于 2006-3-18 15:50:32 | 显示全部楼层 来自: 中国云南昆明
提示: 作者被禁止或删除 内容自动屏蔽
头像被屏蔽
发表于 2006-3-18 18:05:24 | 显示全部楼层 来自: 中国云南昆明
提示: 作者被禁止或删除 内容自动屏蔽
发表于 2006-3-18 22:39:21 | 显示全部楼层 来自: 中国广东东莞
也看看我的,希望能加分

草图

草图

评分

参与人数 1三维币 +5 收起 理由
tianma_liu + 5 Good

查看全部评分

发表于 2006-3-19 10:54:57 | 显示全部楼层 来自: 加拿大

试一下

好像不是很难,试一下,请指教! 5 A. N- C" c- f! @) {$ |4 M, o
谢谢!
- ~. e$ F+ G6 l+ E! S2 a
' b! Q9 s" v; G. C, ][ 本帖最后由 bigpig2006 于 2006-3-19 11:11 编辑 ]
part2.jpg

评分

参与人数 1三维币 +5 收起 理由
tianma_liu + 5 Good

查看全部评分

发表于 2006-3-19 15:26:50 | 显示全部楼层 来自: 中国安徽宣城
刚学,让大家见笑了,请指教!多谢!
20060319151736.jpg

评分

参与人数 1三维币 +5 收起 理由
tianma_liu + 5 Good

查看全部评分

发表于 2006-3-20 17:38:20 | 显示全部楼层 来自: 中国河北唐山
贴一个吧,就是乱了点
未标题-2.jpg

评分

参与人数 1三维币 +4 收起 理由
tianma_liu + 4 Good

查看全部评分

发表于 2006-3-21 00:18:33 | 显示全部楼层 来自: 中国湖北
我也来试试,怎么贴图
* n, Y5 D7 D( C8 m9 V. J+ |3 |* s$ J4 i
[ 本帖最后由 朱文胜 于 2006-3-21 00:29 编辑 ]
2.jpg

评分

参与人数 1三维币 +5 收起 理由
tianma_liu + 5 Good

查看全部评分

发表于 2006-3-21 09:45:01 | 显示全部楼层 来自: 中国广东佛山
楼主作的工程图比较美观
捕捉_3.jpg

评分

参与人数 1三维币 +5 收起 理由
tianma_liu + 5 Good

查看全部评分

发表于 2006-3-21 10:17:12 | 显示全部楼层 来自: 中国浙江宁波

(_灬為愛瀏淚

能加分吗. E* X6 H- B2 A: j
??????????????
15277.JPG

评分

参与人数 1三维币 +4 收起 理由
tianma_liu + 4 Good

查看全部评分

发表于 2006-3-21 10:33:47 | 显示全部楼层 来自: 中国浙江宁波
:lol::lol:++++++++++++++++++++++++++++++++++++++
hao.JPG

评分

参与人数 1三维币 +5 收起 理由
tianma_liu + 5

查看全部评分

发表于 2006-3-21 12:55:53 | 显示全部楼层 来自: 中国河南郑州

sdf

我也画了 一个。。。。。。。。。。。。
工程图4.jpg

评分

参与人数 1三维币 +5 收起 理由
tianma_liu + 5

查看全部评分

发表于 2006-3-21 15:39:12 | 显示全部楼层 来自: 中国广东深圳
为什么我画的不是欠定义就是过定义呢,版大讲下好不,谢谢
发表于 2006-3-21 16:23:00 | 显示全部楼层 来自: LAN
http://C:\\Documents and Settings\\mtch-104\\My Documents\\My Webs\\images9 I6 A- Y7 K% q! v# r' D4 E0 w
這樣畫不知對不對
发表于 2006-3-21 16:38:05 | 显示全部楼层 来自: LAN
請問各位版主如何將畫好的圖貼上
发表于 2006-3-21 16:48:47 | 显示全部楼层 来自: 中国河南郑州
你点下面的“回复主题”,里面可以加附件,你点最下面的“发表贴子”是不能加附件的
发表于 2006-3-21 16:52:59 | 显示全部楼层 来自: 中国河南郑州
画这个图时先要找好定位点,我画的时候就是以一个圆心做为定位点,然后将它加个固定的几何关系,然后再画其它的,就会都完全定义了
发表回复
您需要登录后才可以回帖 登录 | 注册

本版积分规则


Licensed Copyright © 2016-2020 http://www.3dportal.cn/ All Rights Reserved 京 ICP备13008828号

小黑屋|手机版|Archiver|三维网 ( 京ICP备2023026364号-1 )

快速回复 返回顶部 返回列表