QQ登录

只需一步,快速开始

登录 | 注册 | 找回密码

三维网

 找回密码
 注册

QQ登录

只需一步,快速开始

展开

通知     

查看: 3054|回复: 6
收起左侧

[求助] 请问各位高手这个插装阀的工作原理

[复制链接]
发表于 2011-8-8 22:09:00 | 显示全部楼层 |阅读模式 来自: 中国广西贵港

马上注册,结识高手,享用更多资源,轻松玩转三维网社区。

您需要 登录 才可以下载或查看,没有帐号?注册

x
本帖最后由 杜兰辉 于 2011-8-9 22:45 编辑 4 Y& m3 t. R7 G- @6 I+ y; y. S& }' e

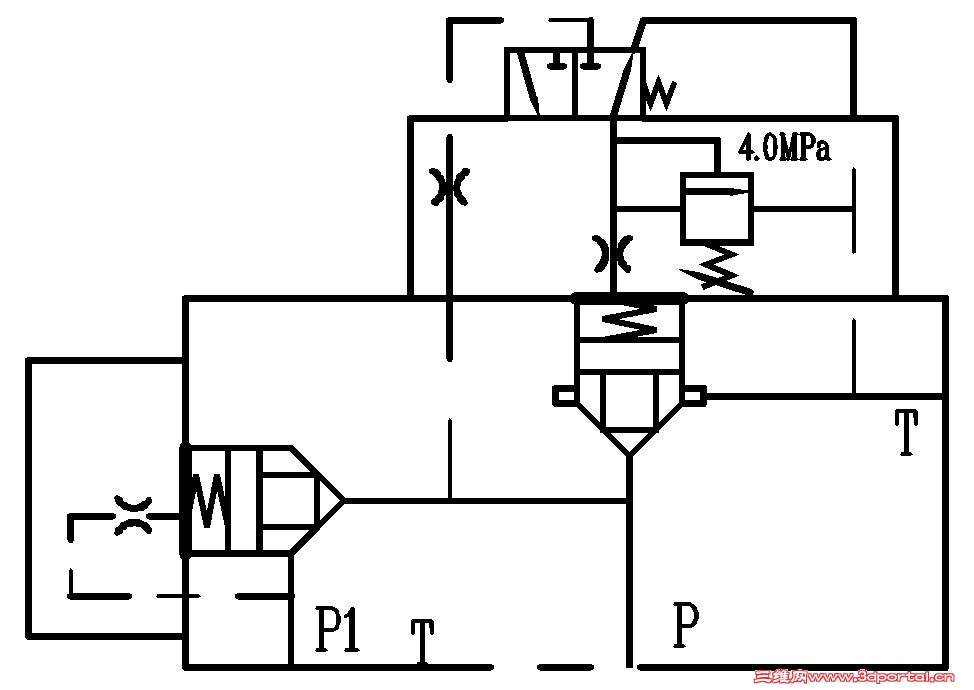
0 \: W6 t/ n9 T) Z  t8 D+ k这个插装阀是水电站里面控制压力油用的  小弟看不懂  希望大家帮忙一下  谢谢2 _- R- q1 \' }! Y3 D
压油泵组合启动阀.jpg
未命名1.jpg
发表于 2011-8-9 09:03:35 | 显示全部楼层 来自: 美国
怎么图上先导阀的电磁铁没有了.此图的电的时候是溢流在前的单向回路.- q  w* o9 h. W' W9 w5 t  X2 v
失电就是个单向阀6 F4 t- Z! r3 P4 m- b6 @! D9 ^0 P
常用在泵出口,应该是机器开动就得电

评分

参与人数 1三维币 +3 收起 理由
9619 + 3 技术讨论

查看全部评分

发表于 2011-8-9 11:14:25 | 显示全部楼层 来自: 中国辽宁本溪
右端阀组:电磁溢流阀功能.
; C4 X. v( j2 W9 i# ?左端阀组:单向阀功能.
 楼主| 发表于 2011-8-9 18:44:27 | 显示全部楼层 来自: 中国广西贵港
"怎么图上先导阀的电磁铁没有了.此图的电的时候是溢流在前的单向回路.
' v) ~+ u  U! E8 g失电就是个单向阀
8 _( k7 O+ W( X/ s" E常用在泵出口,应该是机器开动就得电"* G6 t% K/ E1 a) c: |  n4 j! Y: c' t) ]
jf_241 发表于 2011-8-9 09:03
$ U% O8 G3 w. ~  Y7 @4 X
" V+ _8 s: _; t9 I0 Z+ [这个插装阀没有电磁铁  它的原理图就是这样子
发表于 2011-8-9 20:10:48 | 显示全部楼层 来自: 中国山东滨州
左侧阀组是单向阀。右侧阀组方向阀左位时是溢流阀,方向阀右位时系统卸荷。
发表于 2011-8-11 20:25:06 | 显示全部楼层 来自: 中国浙江杭州
延时升压。P口有压力后慢慢推动上面的液动阀到左位,溢流阀起作用,系统建立起压力。
: @- T: B1 N2 R6 e, z这个主溢流阀的插装阀大弹簧开启还是需要一定压力的,不然主系统压力永远起不来。
发表于 2011-8-16 09:00:31 | 显示全部楼层 来自: 中国上海
左边就是一个单向阀。右边的是一个轻载启动之后变成4MPa的溢流阀
发表回复
您需要登录后才可以回帖 登录 | 注册

本版积分规则


Licensed Copyright © 2016-2020 http://www.3dportal.cn/ All Rights Reserved 京 ICP备13008828号

小黑屋|手机版|Archiver|三维网 ( 京ICP备2023026364号-1 )

快速回复 返回顶部 返回列表