QQ登录

只需一步,快速开始

登录 | 注册 | 找回密码

三维网

 找回密码
 注册

QQ登录

只需一步,快速开始

展开

通知     

查看: 5826|回复: 9
收起左侧

[已解决] 在UG软件中这个键槽怎么绘制?

[复制链接]
发表于 2011-8-18 16:10:17 | 显示全部楼层 |阅读模式 来自: 中国四川绵阳

马上注册,结识高手,享用更多资源,轻松玩转三维网社区。

您需要 登录 才可以下载或查看,没有帐号?注册

x
本帖最后由 chenjunwen 于 2011-8-18 16:15 编辑 $ X" _" n9 l6 q4 }, q

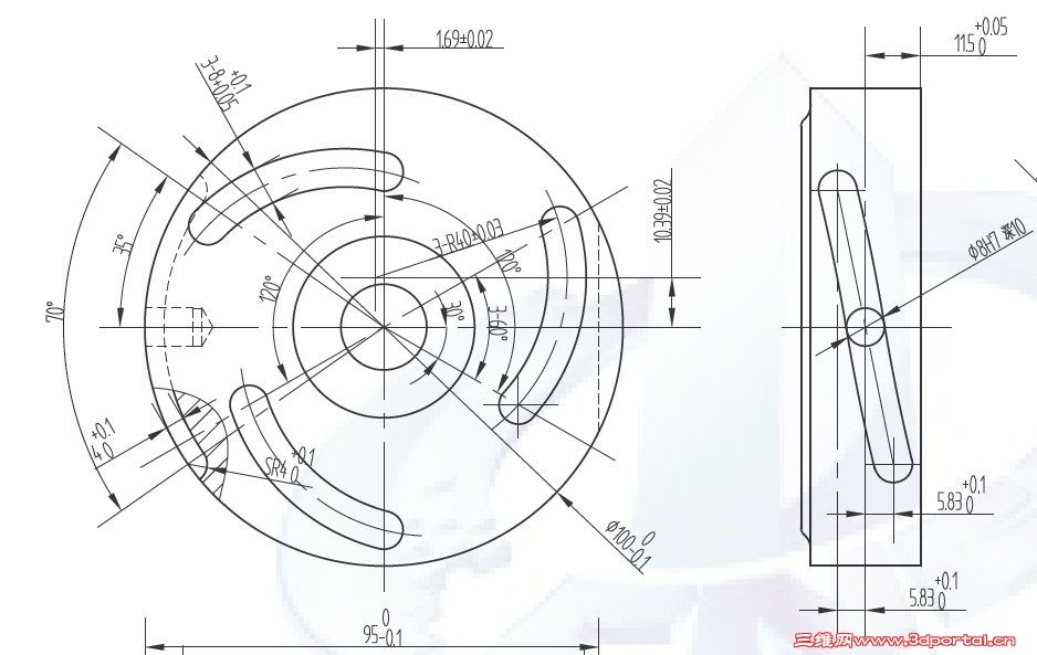
3 ?+ K1 v. L$ w- m% d7 a在这个图纸上面,键槽怎么绘制,就是圆周上面那个带角度的,带R的键槽,还请各位高手指点指点!
未命名.jpg
未命名.jpg
 楼主| 发表于 2011-8-18 16:16:02 | 显示全部楼层 来自: 中国四川绵阳
上面那个太小了  换个大点的给大家研究研究
发表于 2011-8-19 07:51:04 | 显示全部楼层 来自: 中国山东济南
我的方法:1、绘大圆柱,2、选择平行主轴线且过轴线的面做绘图面,会草图直线(参数由平面图算出);3、按矢量投影此曲线至圆柱面;4、以此曲线为轨迹直径8圆做截面做变化扫掠,并球差;两端点做球并求差。
1.JPG

评分

参与人数 1三维币 +5 收起 理由
beyond2009 + 5 应助

查看全部评分

发表于 2011-8-19 08:44:20 | 显示全部楼层 来自: 中国辽宁盘锦
与楼上类似,做次沟槽的平面,与圆周立面相交得引导线,然后在作出截面线,扫略
 楼主| 发表于 2011-8-19 08:51:24 | 显示全部楼层 来自: 中国四川绵阳
谢谢 我在试试,不行的话在问您
 楼主| 发表于 2011-8-19 15:05:37 | 显示全部楼层 来自: 中国四川绵阳
OK   谢谢  已经做出来了   刚开始用投影  不是很会  现在好了 谢谢2位的指点
发表于 2011-8-22 15:42:00 | 显示全部楼层 来自: 中国河北沧州
草图——缠绕曲线——分割面——加厚
360截图20110822154326031.jpg

评分

参与人数 1三维币 +3 收起 理由
otnt + 3 应助

查看全部评分

 楼主| 发表于 2011-8-23 11:40:57 | 显示全部楼层 来自: 中国四川绵阳
真的是条条大路通罗马
发表于 2011-8-27 11:02:34 | 显示全部楼层 来自: 中国上海
7# beyond2009 9 I% ~: D- H$ B3 l/ M
两端是球头,不是柱面
发表于 2011-12-5 13:44:55 | 显示全部楼层 来自: 中国新疆伊犁哈萨克自治州
确实是能人倍出啊
发表回复
您需要登录后才可以回帖 登录 | 注册

本版积分规则


Licensed Copyright © 2016-2020 http://www.3dportal.cn/ All Rights Reserved 京 ICP备13008828号

小黑屋|手机版|Archiver|三维网 ( 京ICP备2023026364号-1 )

快速回复 返回顶部 返回列表