QQ登录

只需一步,快速开始

登录 | 注册 | 找回密码

三维网

 找回密码
 注册

QQ登录

只需一步,快速开始

展开

通知     

查看: 3958|回复: 9
收起左侧

[讨论] 法兰孔倒角

[复制链接]
发表于 2011-8-29 17:02:32 | 显示全部楼层 |阅读模式 来自: 中国湖北荆州

马上注册,结识高手,享用更多资源,轻松玩转三维网社区。

您需要 登录 才可以下载或查看,没有帐号?注册

x
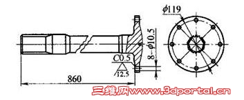
这种汽车半轴法兰C0.5倒角有什么好办法?
未命名.JPG
发表于 2011-8-30 08:14:54 | 显示全部楼层 来自: 中国浙江台州
有可能是为了什么间歇小一点吧
发表于 2011-8-31 22:47:19 | 显示全部楼层 来自: 中国浙江杭州
如果手电站没有干涉,就直接用手电站上大的麻花钻直接倒就行了。
' _* {! C3 ]' Z不行,就钳工用小圆锉或扁锉倒也行。
发表于 2011-9-1 09:49:25 | 显示全部楼层 来自: 中国山西太原
用主切削刃为90°麻花钻划一下就可以了。深度可用垂直进刀刻度来保证。也可用90°铣刀铣倒角。
发表于 2011-9-6 21:37:29 | 显示全部楼层 来自: 中国辽宁沈阳
这个看起来就是打毛刺吧……
发表于 2011-9-7 08:22:00 | 显示全部楼层 来自: 中国台湾
用90°轉角刀桿即可倒角
发表于 2011-11-22 11:08:39 | 显示全部楼层 来自: 中国辽宁大连
一般这样的倒角没什么精度要求 用钻床和麻花钻直接划一下就可以了。
发表于 2012-4-2 21:35:32 | 显示全部楼层 来自: 中国上海
新人吧你,就是个工艺角,去毛刺的,别太认真,麻花钻随便倒下就可以了
发表于 2012-4-3 08:03:41 | 显示全部楼层 来自: 中国辽宁大连
反向的,不是很容易的,只能是增加 一道工序了,手工肯定的得不到好的质量,可以用工装保证,即钻孔后,工装保证工件旋转180度,利用倒角刀倒0.5
头像被屏蔽
发表于 2012-4-10 21:06:16 | 显示全部楼层 来自: 中国广东深圳
提示: 作者被禁止或删除 内容自动屏蔽
发表回复
您需要登录后才可以回帖 登录 | 注册

本版积分规则


Licensed Copyright © 2016-2020 http://www.3dportal.cn/ All Rights Reserved 京 ICP备13008828号

小黑屋|手机版|Archiver|三维网 ( 京ICP备2023026364号-1 )

快速回复 返回顶部 返回列表