QQ登录

只需一步,快速开始

登录 | 注册 | 找回密码

三维网

 找回密码
 注册

QQ登录

只需一步,快速开始

展开

通知     

查看: 1627|回复: 7
收起左侧

[求助] 泵泄露油口的球阀

[复制链接]
发表于 2011-9-13 17:28:01 | 显示全部楼层 |阅读模式 来自: 中国山东滨州

马上注册,结识高手,享用更多资源,轻松玩转三维网社区。

您需要 登录 才可以下载或查看,没有帐号?注册

x
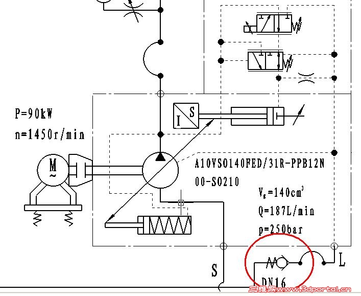
再看一个液压站原理图时,发现泄漏油口安装了一个球阀,图纸中12-3.
6 l  c/ p5 O: K6 ], G0 r7 ]3 q请各位大侠告诉一下这阀起什么作用?泄露有口不是要保持通畅吗,设置一球阀,万一不小心关闭了,不是要出大问题吗?
1.jpg
发表于 2011-9-14 10:12:27 | 显示全部楼层 来自: 中国辽宁本溪
是防止更换泵时油从泄油管漏出.
! g" o' }$ R5 E2 y8 `- ]3 j/ f对于泵采用旁置式的泵站,一般泄油管从油箱盖上进油箱.高度差较大时,容易产生虹吸现象.
# {: Q+ N4 q0 B+ w" z2 f+ Z楼主的担心是有道理的.
; d2 g4 l) [4 E  Z% Q贴图是原装力士乐泵站的原理图,采用的是单向阀.
001.JPG

评分

参与人数 1三维币 +1 收起 理由
自流井 + 1 技术讨论

查看全部评分

发表于 2011-9-14 10:24:42 | 显示全部楼层 来自: 中国山东烟台
学习了- L( s/ V, n/ T$ ?5 f' ^
学习
发表于 2011-9-14 12:00:46 | 显示全部楼层 来自: 中国安徽马鞍山
2楼正解。。。。
 楼主| 发表于 2011-9-14 16:38:38 | 显示全部楼层 来自: 中国山东滨州
非常感谢2楼的讲解,受教了
发表于 2011-9-15 07:48:52 | 显示全部楼层 来自: 中国江苏南通
建议用单向阀最好,我司也加了球阀的
发表于 2011-9-15 20:16:13 | 显示全部楼层 来自: 中国云南昆明
学习一下,以前没有注意过!
发表于 2011-9-15 21:35:36 | 显示全部楼层 来自: 中国河北石家庄
一般也有系统都是采用单向阀代替那个截止阀。
发表回复
您需要登录后才可以回帖 登录 | 注册

本版积分规则


Licensed Copyright © 2016-2020 http://www.3dportal.cn/ All Rights Reserved 京 ICP备13008828号

小黑屋|手机版|Archiver|三维网 ( 京ICP备2023026364号-1 )

快速回复 返回顶部 返回列表