QQ登录

只需一步,快速开始

登录 | 注册 | 找回密码

三维网

 找回密码
 注册

QQ登录

只需一步,快速开始

展开

通知     

全站
7天前
查看: 1889|回复: 3
收起左侧

[求助] 翻转结构180度

[复制链接]
发表于 2011-9-15 11:38:10 | 显示全部楼层 |阅读模式 来自: 中国广东中山

马上注册,结识高手,享用更多资源,轻松玩转三维网社区。

您需要 登录 才可以下载或查看,没有帐号?注册

x
9999999999.jpg 如图一个结构,要求皮带传送,经过翻转后其中有一部分翻转180,请问各位有没有什么好的建议
 楼主| 发表于 2011-9-17 11:16:47 | 显示全部楼层 来自: 中国广东中山
没有一个大侠知道怎么做啊
发表于 2011-9-19 06:07:41 | 显示全部楼层 来自: 中国北京
实在是没有明白您是要实现什么功能呀^_^
发表于 2011-9-19 13:17:25 | 显示全部楼层 来自: 中国北京
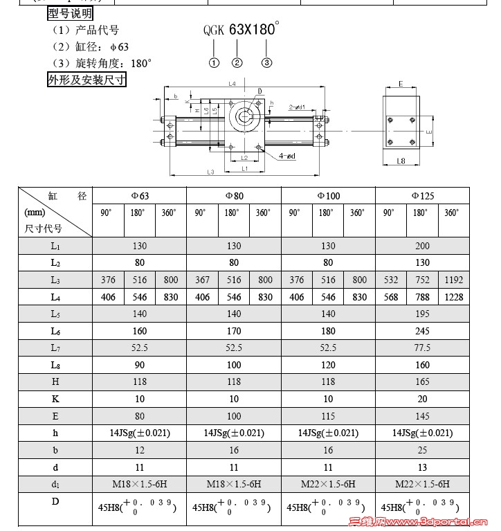
市场上翻转结构180度的标准器具很多,原则上买现成的器具进行配套设计你要回转的工件,达到设计意图.下面 MSQ齿轮齿条摇摆汽缸.jpg 我给你一点启示资料.
MSQ齿轮齿条摇摆汽缸2.jpg
SMC齿轮齿条摇摆汽缸.jpg
TH200落地镗回转工作台.jpg
齿轮齿条摇摆汽缸.jpg
齿轮齿条摇摆汽缸2.jpg

评分

参与人数 1三维币 +3 收起 理由
虎强 + 3 技术讨论

查看全部评分

发表回复
您需要登录后才可以回帖 登录 | 注册

本版积分规则


Licensed Copyright © 2016-2020 http://www.3dportal.cn/ All Rights Reserved 京 ICP备13008828号

小黑屋|手机版|Archiver|三维网 ( 京ICP备2023026364号-1 )

快速回复 返回顶部 返回列表