QQ登录

只需一步,快速开始

登录 | 注册 | 找回密码

三维网

 找回密码
 注册

QQ登录

只需一步,快速开始

展开

通知     

查看: 3327|回复: 7
收起左侧

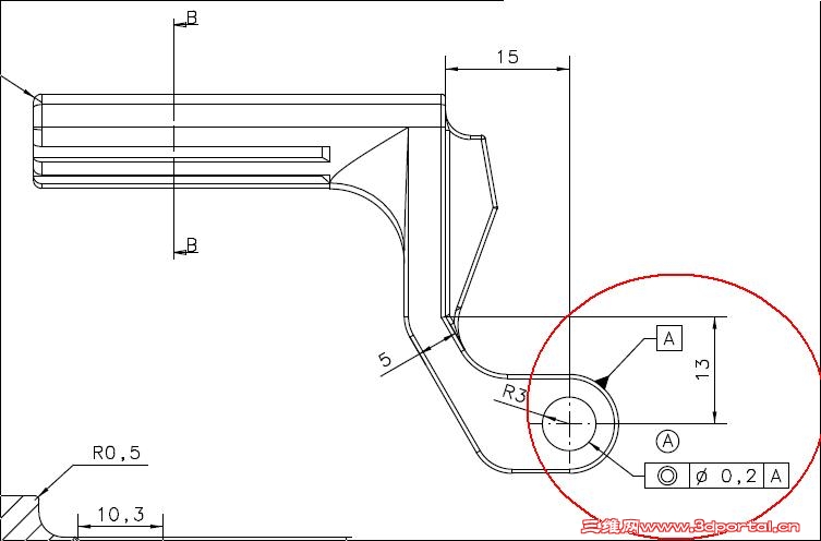
[已解决] 圆环外圈与内圈同轴度如何测量?如下面图纸所示

[复制链接]
发表于 2011-9-19 23:35:18 | 显示全部楼层 |阅读模式 来自: 中国福建厦门

马上注册,结识高手,享用更多资源,轻松玩转三维网社区。

您需要 登录 才可以下载或查看,没有帐号?注册

x
如图所示的同轴度应该如何测量?? 有点类似圆环同轴度没量,谢谢各位指教了。
photos.JPG

Drawing.pdf

93.64 KB, 下载次数: 2

发表于 2011-9-19 23:46:28 | 显示全部楼层 来自: 中国江苏常州
标注不太合理吧,如果A基准不加工的话。

评分

参与人数 1三维币 +1 收起 理由
Y305799518 + 1 技术讨论

查看全部评分

发表于 2011-9-20 08:19:53 | 显示全部楼层 来自: 中国江苏苏州
我不知道你用在哪,但检测是可以的,做个芯棒架,外面用表打,让产品在芯棒上转,表搭在外圆上,

评分

参与人数 1三维币 +1 收起 理由
Y305799518 + 1 技术讨论

查看全部评分

发表于 2011-9-20 16:23:41 | 显示全部楼层 来自: 中国广东广州
好像不太合理,不明白这个同轴度的要求到底是为了什么。

评分

参与人数 1三维币 +1 收起 理由
Y305799518 + 1 技术讨论

查看全部评分

发表于 2011-9-20 20:24:37 | 显示全部楼层 来自: 中国上海
现在很多二次元,三次元都可以直接测量同轴度。

评分

参与人数 1三维币 +1 收起 理由
svw0936 + 1 技术讨论

查看全部评分

发表于 2011-9-20 21:16:42 | 显示全部楼层 来自: 中国上海
最简单的方法,测量内外圆之间的壁厚差即可。
sd.jpg

评分

参与人数 1三维币 +1 收起 理由
Y305799518 + 1 技术讨论

查看全部评分

发表于 2011-10-14 11:20:47 | 显示全部楼层 来自: 中国四川成都
三坐标直接测量,

评分

参与人数 1三维币 +1 收起 理由
Y305799518 + 1 技术讨论

查看全部评分

发表于 2011-10-14 11:21:51 | 显示全部楼层 来自: 中国四川成都
2# ftgww123
; G( j1 `; J. _# S* ^
1 J5 y8 g3 ~7 G我认为合理啊,就是要求加工孔的时候以外圆定位

评分

参与人数 1三维币 +1 收起 理由
Y305799518 + 1 技术讨论

查看全部评分

发表回复
您需要登录后才可以回帖 登录 | 注册

本版积分规则


Licensed Copyright © 2016-2020 http://www.3dportal.cn/ All Rights Reserved 京 ICP备13008828号

小黑屋|手机版|Archiver|三维网 ( 京ICP备2023026364号-1 )

快速回复 返回顶部 返回列表