QQ登录

只需一步,快速开始

登录 | 注册 | 找回密码

三维网

 找回密码
 注册

QQ登录

只需一步,快速开始

展开

通知     

查看: 3206|回复: 5
收起左侧

[已答复] 国内有哪些厂家可以做地热发电?

[复制链接]
发表于 2011-9-20 16:05:00 | 显示全部楼层 |阅读模式 来自: 中国四川成都

马上注册,结识高手,享用更多资源,轻松玩转三维网社区。

您需要 登录 才可以下载或查看,没有帐号?注册

x
本帖最后由 武昌鱼 于 2012-6-4 13:23 编辑 8 P. J+ B- ]2 S, ]

; f! N: r, D+ B2 O5 }1 b国内能供设备的厂家有哪些
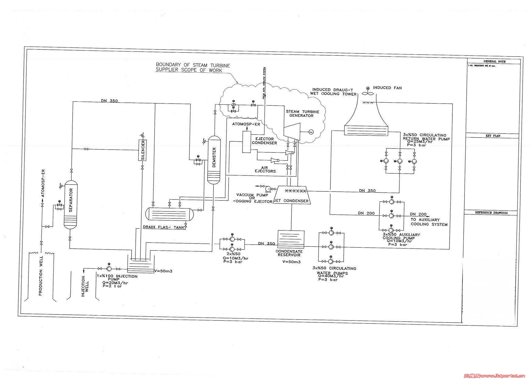
HEAT BALANCE.jpg
WATER SYSTEM.jpg
发表于 2011-10-16 08:50:14 | 显示全部楼层 来自: 中国山东
国内能供设备的厂家有哪些
+ S- v; N( Z7 L% o# qcqxf 发表于 2011-9-20 16:05 http://www.3dportal.cn/discuz/images/common/back.gif

2 ]; e9 U0 F! {) H有关地热问题建议您看看这篇文章* I' H1 S2 h7 b  @
地热发电30年徘徊不前 地热不“热”难题待解
发表于 2011-10-16 17:10:15 | 显示全部楼层 来自: 中国浙江杭州
安徽池州有一家,具体忘记了,地点是池州开发区。
发表于 2011-10-17 08:44:32 | 显示全部楼层 来自: 中国山东
安徽池州有一家,具体忘记了,地点是池州开发区。" k# d, k% o9 n1 o
motor1 发表于 2011-10-16 17:10 http://www.3dportal.cn/discuz/images/common/back.gif
安徽池州地热利用全省领先,但没有形成规模和企业连
发表于 2011-10-20 08:54:07 | 显示全部楼层 来自: 中国浙江杭州
这家公司有利用它上市的用途,温商
发表于 2012-5-31 21:46:49 | 显示全部楼层 来自: 中国江苏无锡
吉林省鸿晟光伏地热发电有限公司          这个不知道是不是# {9 p+ Q# G9 J3 f3 L) X9 j
1 ]% z. V7 U' ^5 @& R" S7 n1 @1 w
楼上说的安徽池州的是  京奥  么?  他是主要生产制冷设备的,不过他掌握的地源热泵技术比较好的。$ D3 h; ^" ^$ l# v# c0 w% M: @- N  J. y
7 V4 w( K9 Z/ D* R+ z
楼主,国内的地热发电技术还是不太成熟,有实际应用的大多是国家工程。! Y3 M( ~, ?% d: N2 C
9 s4 _' E# ?* G5 p$ P% e* P/ v
就算有生产地热发电的厂家,技术方面肯定还是比较不成熟的。
发表回复
您需要登录后才可以回帖 登录 | 注册

本版积分规则


Licensed Copyright © 2016-2020 http://www.3dportal.cn/ All Rights Reserved 京 ICP备13008828号

小黑屋|手机版|Archiver|三维网 ( 京ICP备2023026364号-1 )

快速回复 返回顶部 返回列表