QQ登录

只需一步,快速开始

登录 | 注册 | 找回密码

三维网

 找回密码
 注册

QQ登录

只需一步,快速开始

展开

通知     

全站
9天前
查看: 4940|回复: 40
收起左侧

[分享] 10分草图题

[复制链接]
发表于 2006-3-29 11:24:39 | 显示全部楼层 |阅读模式 来自: 中国河南郑州

马上注册,结识高手,享用更多资源,轻松玩转三维网社区。

您需要 登录 才可以下载或查看,没有帐号?注册

x
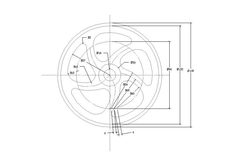
刚找到一个草图,非常考验对草图几何关系、尺寸的处理,大家尝试做一下(尺寸是全的,没有缺)0 d% Y% }# L* r, ~0 q( r

% N% x+ S% k7 f* S. l* R要求:草图完全定义# W4 |8 d3 A7 o# }

4 Z6 m) Y$ c4 C5 B9 T加分已经停止2006-4-18
8 w4 v. P" t# [' `+ z2 u5 E:lol:
: X3 b/ u7 K" Y9 l
; D4 [( _3 d, G$ c; \  Z( J- I9 D% K[ 本帖最后由 tianma_liu 于 2006-4-18 15:00 编辑 ]
012.JPG
发表于 2006-3-29 13:20:50 | 显示全部楼层 来自: 中国浙江金华
原以为很容易,却也费了不少劲。也从中学到不少。
1.JPG

评分

参与人数 1三维币 +10 收起 理由
tianma_liu + 10 好,加分支持

查看全部评分

发表于 2006-3-29 13:25:26 | 显示全部楼层 来自: 中国浙江宁波

(_灬為愛瀏淚

版主还在吗
. H8 o6 N& o! \, L+ O   草图会不会有问题???
发表于 2006-3-29 16:24:35 | 显示全部楼层 来自: 中国浙江宁波
挖~~我为什么标来标去总差一个尺寸
未命名.JPG
44.JPG
发表于 2006-3-29 16:42:04 | 显示全部楼层 来自: 中国浙江宁波
这个清楚点!请斑竹看看!怎么回事!哪里不对了
{1B073151-69BA-4E36-8D1F-D69860383760}.JPG
{A79C0218-9F48-4439-8E6D-C2F163CE04A4}.JPG

评分

参与人数 1三维币 +10 收起 理由
tianma_liu + 10 加分鼓励

查看全部评分

 楼主| 发表于 2006-3-30 13:46:24 | 显示全部楼层 来自: 中国河南郑州
原帖由 軹愛メo黒o黒 于 2006-3-29 16:42 发表
8 u$ c! s' \- [这个清楚点!请斑竹看看!怎么回事!哪里不对了
/ I2 n0 `+ Q. Q: e# Z+ @5 E
1 r' _4 G8 x- _4 {2 r& n
眼睛是看不出来的!使用鼠标拖动一下,它会沿欠定义的方向移动,这样,能帮助你分析出欠定义的原因
发表于 2006-3-30 15:10:09 | 显示全部楼层 来自: 中国河南郑州

q我作了 一个

请看看对不对。。。。。。。。。。。。。。
工程图1.jpg

评分

参与人数 1三维币 +10 收起 理由
tianma_liu + 10 加分鼓励

查看全部评分

发表于 2006-3-30 16:32:34 | 显示全部楼层 来自: 中国浙江杭州
搞好了,请版主鉴定吧
' B) u, \0 W% \3 r! \/ c% _+ w$ H+ s+ Y7 z
[ 本帖最后由 wqxcad 于 2006-3-31 12:12 编辑 ]
Snap1.jpg
Snap2.jpg
发表于 2006-3-30 22:18:31 | 显示全部楼层 来自: 中国浙江绍兴
做了好长时间了,终于搞定.是个好题目.
1.JPG

评分

参与人数 1三维币 +10 收起 理由
tianma_liu + 10 Good

查看全部评分

发表于 2006-3-31 08:51:37 | 显示全部楼层 来自: 中国广东东莞
终于做出来了,楼主看看对不对?
草图.jpg

评分

参与人数 1三维币 +10 收起 理由
tianma_liu + 10 Good

查看全部评分

 楼主| 发表于 2006-3-31 09:44:49 | 显示全部楼层 来自: 中国河南郑州
原帖由 zaimingsun 于 2006-3-31 08:51 发表6 [( j  R5 a7 W3 k, L& ~
终于做出来了,楼主看看对不对?
- l1 I. m* p5 K3 A) k, n

1 a2 V7 ^8 n5 w9 F6 B做的挺好的,今天所有的分都加完了,明天再加,给你记着!
发表于 2006-3-31 22:52:34 | 显示全部楼层 来自: 中国辽宁沈阳
有意思的题目,练习做一下。
lianxi.jpg

评分

参与人数 1三维币 +10 收起 理由
tianma_liu + 10 Good

查看全部评分

发表于 2006-4-2 19:23:27 | 显示全部楼层 来自: 中国广东深圳
厉害啊
: s9 p% p) t7 V( R3 z% k这样的挺要经验的
发表于 2006-4-3 13:33:02 | 显示全部楼层 来自: 中国广东东莞
搞定
+ @) |3 L( f, \# `此题强调了利用对称后曲线与已有定义点(线)之间重合的定义方式来代替完全通过尺寸标注进行草图约束,这样可以使得草图简洁.大家有兴趣不妨完全利用尺寸约束画画此图,简直一个乱字啊...
yuren205.gif

评分

参与人数 1三维币 +10 收起 理由
tianma_liu + 10 Good

查看全部评分

头像被屏蔽
发表于 2006-4-3 14:18:45 | 显示全部楼层 来自: 中国北京
提示: 作者被禁止或删除 内容自动屏蔽
发表于 2006-4-4 10:29:12 | 显示全部楼层 来自: 中国浙江宁波

我也搞了一张

但我r48只是圆心起了作用,但与半径大小好象无关!是不?
snap003.jpg

评分

参与人数 1三维币 +10 收起 理由
tianma_liu + 10

查看全部评分

发表于 2006-4-4 10:36:29 | 显示全部楼层 来自: 中国浙江宁波
原帖由 r0r 于 2006-4-4 10:29 发表
/ p( G2 ~: ^5 l7 Z  c# V1 P但我r48只是圆心起了作用,但与半径大小好象无关!是不?
- R6 ?7 z% A3 ]* n, A
晕死~那个r45看成r40了~~~
发表于 2006-4-4 11:47:19 | 显示全部楼层 来自: 中国云南昆明

请斑竹鉴定我画的草图。

请斑竹鉴定我画的草图。
1.JPG

评分

参与人数 1三维币 +10 收起 理由
tianma_liu + 10 Good

查看全部评分

发表于 2006-4-4 13:50:48 | 显示全部楼层 来自: 中国广东广州
为何不用特征阵列?何苦
发表于 2006-4-5 09:56:02 | 显示全部楼层 来自: 中国吉林长春
做做题,楼主提供的图是不是这个样子啊``````
Image00000.jpg
零件2.jpg

评分

参与人数 1三维币 +5 收起 理由
tianma_liu + 5 加分鼓励,里面有欠定

查看全部评分

发表于 2006-4-5 16:07:22 | 显示全部楼层 来自: 中国广东深圳
我看到很多关于完全定义的草图,但我到现在不明白,完全定义草图与我们日常工作中作图有什么紧密联系,我没有用完全定义也把图作出来了.关于这一点还请班主指点.(我是自己学的,所以对其中很多的问题不是很清楚)
发表于 2006-4-5 17:04:12 | 显示全部楼层 来自: 中国广东江门
画的好辛苦啊~~~~: T1 ?. M  H/ E: h" D; `2 v

# G: |' G/ L. e1 A' s: B, U" s8 `[ 本帖最后由 xiaoyao6530075 于 2006-4-5 17:09 编辑 ]
1.jpg

评分

参与人数 1三维币 +10 收起 理由
tianma_liu + 10 good

查看全部评分

发表于 2006-4-5 17:05:33 | 显示全部楼层 来自: 中国广东江门
请问怎么把图传上去?
发表于 2006-4-5 17:09:56 | 显示全部楼层 来自: 中国山东青岛
楼主水平挺高的。关键问题是,一个草图里面有必要这么复杂么/
发表于 2006-4-5 22:14:08 | 显示全部楼层 来自: 中国北京

来一个

跟一个。看看合不合格。
草图.jpg

评分

参与人数 1三维币 +6 收起 理由
tianma_liu + 6 没有完全定义

查看全部评分

发表回复
您需要登录后才可以回帖 登录 | 注册

本版积分规则


Licensed Copyright © 2016-2020 http://www.3dportal.cn/ All Rights Reserved 京 ICP备13008828号

小黑屋|手机版|Archiver|三维网 ( 京ICP备2023026364号-1 )

快速回复 返回顶部 返回列表